
A.副线圈两端M、N的输出电压减小 B.副线圈输电线等效电阻R两端的电压降增大 C.通过灯泡L1的电流减小 D.原线圈中的电流增大
试题详情
19.如图所示,一个滑雪运动员从左侧斜坡距离坡底8m处自由滑下,当下滑到距离坡底s1处时,动能和势能相等(以坡底为参考平面);到坡底后运动员又靠惯性冲上斜坡(不计经过坡底时的机械能损失),当上滑到距离坡底s2处时,运动员的动能和势能又相等,上滑的最大距离为4m。关于这个过程,下列说法中正确的是 ( )
试题详情
A.摩擦力对运动员所做的功等于运动员动能的变化
B.重力和摩擦力对运动员所做的总功等于运动员动能的变化 C.s1<4m,s2>2m D.s1>4m,s2<2m
试题详情
20.如图所示,光滑水平面上放置甲、乙两个内外壁都光滑的完全相同的气缸,气缸内各有一质量为m的活塞,密封完全相同的两部分气体(分子力可以忽略),甲、乙间用一根轻质水平细线相连接。现对甲气缸施一水平向左的恒定拉力F作用,甲气缸内气体的压强为p1,体积为V1;乙气缸内气体的压强为p2,体积为V2。设两部分气体始终和环境的温度相同,则( )
试题详情
A.p1<p2,V1>V2
B.p1>p2,V1<V2 C.系统达到稳定加速度后,两气缸内 气体都从外界吸收热量 D.系统达到稳定加速度后,两气缸内气体都向外界放出热量
试题详情
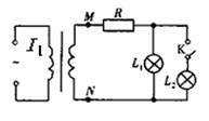
 21.水平放置的一个面积为S的圆形金属框置于匀强磁场中,线框平面与磁场垂直,磁感应强度B1随时间t的变化关系如图(甲)所示,0―1 s内磁场方向垂直线框平面向下。圆形金属框与两根水平的平行金属导轨相连接,导轨上放置一根导体棒,导体棒的长为L、电阻为R,且与导轨接触良好,导体棒处于另一匀强磁场B2中,如图(乙)所示。若导体棒始终保持静止,则其所受的静摩擦力f随时间变化的图象是图中的(设向右的方向为静摩擦力的正方向)(
)
第Ⅱ卷(非选择题
共174分) 注意事项:
试题详情
第Ⅱ卷用0.5毫米黑色签字笔或黑色墨水钢笔直接答在答题卡上。答在试题卷上无效。
试题详情
22.(18分) ⑴某学习小组做探究“合力的功和物体速度变化关系” 的实验,如图所示。小车在一条橡皮筋作用下弹出,沿木板滑行,这时,橡皮筋对小车做的功记为W,当用2条、3条……完全相同的橡皮筋并在一起进行第2次、第3次……实验时,使每次实验中橡皮筋伸长的长度都保持一致。每次实验中小车获得的速度由打点计时器所打的纸带测出。
试题详情

①木板倾斜的目的是为了
②在操作正确的情况下,打在纸带上的点并不都是均匀的,为了测量小车获得的速度,应选用纸带的 部分进行测量(根据下面所示的纸带回答);
试题详情
③下面是本实验的数据记录表, 项目 橡皮筋 做功 10个间隔距离 x(m) 10个间隔 时间T(s) 小车获得 速度vn(m/s) 小车速度的 平方vn2(m/s)2 1 W
试题详情
试题详情
试题详情
试题详情
试题详情
试题详情
试题详情
试题详情
试题详情
试题详情
试题详情
试题详情
试题详情
试题详情
试题详情
试题详情
试题详情
试题详情
试题详情
试题详情
试题详情
从理论上讲,橡皮筋做的功Wn和物体速度vn变化的关系应是Wn∝ 。
(2)某同学对黑箱(见图)中一个电学元件的伏安特性进行研究,通过正确测量,他发现该元件两端的电压Uab (Uab = Ua ?
Ub )与通过它的电流 I之间的变化关系有如下规律: Ⅰ.当-15v < Uab < 0 时,I几乎为零;Ⅱ.当Uab ≥0v时,Uab 和I的实验数据见下表: 编号 1 2 3 4 5 6 7 Uab/v
试题详情
试题详情
试题详情
试题详情
试题详情
试题详情
试题详情
试题详情
试题详情
试题详情
试题详情
试题详情
试题详情
试题详情
7.50 ①在图中画出Uab ≥0v时该元件的伏安特性曲线。 ②根据上述实验事实,并联系自己所学知识,可判断出该元件,试在图中画出它的符号。它的明显特征是________________________,
。 ③实验室备有以下器材:直流电源(电动势约为1v):直流电压表(量程满足实验要求,内阻约为20kΩ); 直流电流表(量程10mA,内阻约为50Ω);滑动变阻器(最大阻值为50Ω),试设计一个电路图(画在图框中)使得测量正向电压段的误差尽可能小。
试题详情
试题详情
试题详情
试题详情
24.(17分)如图所示,质量M=4 kg的木滑板B静止放在光滑水平面上,滑板上表面光滑,滑板右端固定一根轻质弹簧,弹簧的自由端c到滑板左端的距离 ,可视为质点的质量为m=1 kg的小木块A原来静止于滑板的左端。当滑板B受水平向左恒力F=12N,作用时间t后撤去F,这时木块A恰好到达弹簧自由端C处。(g取 )
试题详情
(1) 求水平恒力F的作用时间t;
(2) 求木块A压缩弹簧过程中弹簧的最大弹性势能。
试题详情
25.(22分)两块足够大的平行金属极板水平放置,极板间内加有分布均匀、大小随时间周期性变化的电场和磁场,变化规律分别如图甲、图乙所示(规定竖直向下为电场强度的正方向,垂直纸面向里为磁感应强度的正方向)。假若在t = 时刻由上极板释放一个具有竖直向下初速度的带正电的微粒,该微粒初始将做匀速直线运动。已知磁感应强度为B0, 微粒的比荷为 ,且 ,两板间距 。在t=0时刻,由上极板无初速释放该带电微粒(整个过程中空气阻力忽略不计)。 (1)求该微粒在0~t0时间内的位移大小与极板间距h的比值。 (2)求该微粒在极板间做圆周运动的最大半径(用h表示)。
试题详情
试题详情
26.(14分)如下图所示的各物质的相互转变中,反应①、②是重要的工业反应,A的相对分子质量为120。X被人体吸入会与血红蛋白结合而使人中毒,Y会造成温室效应,D会形成酸雨,E是常见的金属,F分子的结构与Y分子的结构相似,且F的相对分子质量为60。
试题详情

回答下列问题: ⑴ 反应①的化学方程式为:
。 ⑵ 反应②的化学方程式为:
。 ⑶ 写出F的结构式:
。 ⑷ Y与H2在一定条件下可生成多种物质,既可获得经济效益,也可减轻对环境的污染。 ① 若G是一种燃料,其相对分子质量与B的相对分子质量相等,则G的分子式为: 。 ② 若G是Y与H2按1∶3的比例反应而得,则G可能是
。(填编号) A.烷烃
B.烯烃
C.炔烃
D.芳香烃
试题详情
27.(16分)某化学探究小组拟用铜制取 ,并探究其化学性质。
试题详情
(一)他们先把铜粉放在空气中灼烧,再与稀 反应制取硝酸铜。
试题详情
(1)如果直接用铜屑与 反应来制取硝酸铜,可能导致的两个不利因素是
___________ _________、_________
__________。 (2)实验中铜粉应该放在_____________(填“蒸发皿”、“坩埚”或“烧杯”)中灼烧。欲从反应后的溶液中得到硝酸铜晶体,实验操作步骤按顺序分别是___________、_____________、过滤。
试题详情
(二)为了探究 热稳定性,探究小组用下图中的装置进行实验。(图中铁架台、铁夹和加热设备均略去)
试题详情
试题详情
往左试管中放入研细的无水 晶体并加热,观察到左试管中有红棕色气体生
试题详情
成,最终残留黑色粉末;用 型管冷凝并除去红棕色气体,在右试管中收集到无色气体。 (1)红棕色气体是__________________。 (2)当导管口不再有气泡冒出时,停止反应,这时在操作上应注意________________。
试题详情
(3)探究小组判断 的分解属于氧化还原反应,产物除了红棕色气体和黑色固体外,进一步分析、推断,分解产物中一定还含有____________________。
试题详情
28.(15分)烃的含氧衍生物A,能发生如下图所示的变化。在同温同压下,A蒸气的密度是H2密度的66倍,其中氧元素的质量分数为12.1%;B的化学式为C9H8O2;C能使溴的四氯化碳溶液褪色,与Na反应放出H2;D不含甲基,在一定条件下能发生消去反应。
试题详情
请填写下列空白: (1)A分子中的含氧官能团的名称为
,C的结构简式是
。 (2)C→D的反应类型是 (填标号)。 a.氧化反应 b.还原反应 c.加成反应 d.取代反应 (3)D+E→F的化学方程式是 。 (4)与D分子式相同,其中能与金属钠反应且苯环上有一个取代基(包括D)的同分异构体 有
种,写出其中一种含有2个甲基的结构简式
(5)A~F六种化合物中除C外,能与金属钠反应,但不能与氢氧化钠溶液反应的 是
(填标号)。
试题详情
29.(15分)某固体混合物可能由Al 、(NH4)2SO4、MgCl2 、FeCl2 、AlCl3 中的一种或几种组成,现对该混合物作如下实验,所得现象和有关数据如图所示(气体体积数据已换算成标准状况下的体积):
试题详情
 
回答下列问题: (1)写出反应④的离子方程式___________________________________________. (2)填写下表中的空白。(注:若混合物中不存在该成分,则“质量”栏中填“0”; 画斜线的表格不需填写) 成分 质量 判断依据或计算推理过程 Al (NH4)2SO4 MgCl2 FeCl2 AlCl3 非选择题
试题详情
30.(20分)新农村建设中,村庄附近的荒山新植入了一片丛林,当地政府也引进了几家工厂,下面甲、乙、丙三图依次表示一天24 小时内丛林的水分得失、当地的CO2的吸收和释放、地表附近大气污染物浓度的变化情况(S代表面积)。如果村民居住的环境情况与下图中所示相似,请依图回答问题:
试题详情
(1)在图甲中,SA所代表的生物学含义是 _______________________,SB所代表的生物学含义是
_____________________,如SB - SA >
0,则多余的水分的去向可能是_______________。如SB
- SA < 0,仅从外界环境推测,当日的气温可能偏高,或者丛林地表土壤溶液__ 。 (2)在图乙中SQ所代表的生物学含义是___________________,在0~24h内,植物积累有机物最多的点是____________,在一天内植物的净光合量等于______________________(填表达式),植物呼吸作用强度与光合作用强度相等的点是______________________________。 (3)如SB - SA > 0,且SQ
- SM - SN > 0,对于这一片丛林来说,所表现出的现象为______________。 (4)进一步调查得到丛林生态系统各营养级和能量流动情况如下表,该生态系统的营养结构可表示为____________________________ 。 营养级 Pg Pn R A
试题详情
试题详情
试题详情
试题详情
试题详情
试题详情
试题详情
试题详情
试题详情
试题详情
试题详情
试题详情
试题详情
试题详情
试题详情
191.4 其中E为分解者;Pg表示生物同化作用固定的总能量,Pn表示生物体贮存能量(Pn=Pg-R),R表示生物呼吸消耗的能量(单位: 102kJ/cm2.a) (5)根据上述材料分析,对于习惯早起锻炼的人,你可以给他们提出什么建议_______
___________________________________________________________________________________________
试题详情
31.(22分) I(8分)青藏高原有许多植物是多倍体,植物学家分析其形成的原因之一可能与一定时间的低温处理有关。请你对这个问题进行实验探究。 (1)探究课题:_______________________________________________________________ 探究方法:用低温处理植物幼苗一定的时间,并进行对照实验。 设计该方法的实验原理是___________________________________________ (2)低温处理植物材料时,通常需要较长时间(最长15天)才能产生低温效应。 ①
根据这个提示将你设计的实验组合以表格形式列出来。 ②
鉴别低温是否诱导细胞内染色体加倍的方法是________________________ II(14分) 研究者偶然发现一些纯合的番茄植株果实中维生素C的含量显著高于其它植株,请设计两个方案检测这一性状是否能遗传;若能遗传,确定该性状的遗传是核遗传还是质遗传。 方案一: ①选取 ( )维生素C含量高的个体
× ( )维生素C含量正常的个体(注明父本、母本) ②若子代中总有维生素C含量高的个体出现,是否能确定该性状为稳定遗传。_________(能/不能) ③若子代中没有出现维生素C含量高的个体,是否能确定该性状不能遗传。___________(能/不能) 方案二:若已确定该性状为稳定遗传,则利用以下方案确定遗传方式。 第一步:选取♀ _______________ × ♂_________________ ,F1 自交 第二步:选取♀ _______________ × ♂_________________ ,F1 自交 第三步:分别测定上述杂交实验中______________(母本植株/F1植株
/F2植株)上所结果实中维生素C的含量 实验结果:如果__________________________________________________________为核遗传
如果__________________________________________________________为质遗传
试题详情
选择题 1、C
2、B
3、A 4、B 5、D 6.A 7.D 8.A 9.B 10.D 11.C 12.B 13.B 14 15 16 17 18 19 20 21 AB A D C BCD BC AC B 非选择题 22. (18分) (1) ① 平衡摩擦力 2分
②GK (学生只要取匀速部分均为正确)2分 ③ 2分 (2)
①
(4分)
②
单向导电性,电阻随电压的升高而减小。 (4分) ③
(4分)
(4分) 23.(14分) 解:陈若琳跃起后可看作竖直向上的匀减速运动,重心上升的高度h2 设起跳速度为 ,则
(2分) 上升过程的时间 (2分) 解得
(2分) 陈若琳从最高处自由下落到手触及水面的过程中重心下落的高度
(2分)
设下落过程的时间为 ,则 (2分) 解得
(2分) 陈若琳要完成一系列动作可利用的时间 (2分)
24.(18分) 解:(1)恒力F作用时,木块A静止,滑板B向左做匀加速直线运动 (2分) 根据题意有
(2分) 即
(2分) 代入数据解得
(1分) (2)1s末木块A静止,滑板B的速度为 (2分) 撤去F后,当木块A和滑板B的速度相同时,弹簧压缩量最大,具有最大弹性势能
根据动量守恒定律有 (3分) 代入数据求得
(1分) 由机械能守恒定律得 (3分) 代入数据求得
(2分) 25.(22分)(1)由题意知,mg = qE0,
(2分) 设粒子在0~t0时间内运动的位移大小为 (1分)
(1分) (1分)
又
(2分) 得
(1分) 由已知 ,  联立以上各式解得
(2分) (2)粒子在t0~2t0时间内受到重力、电场力及洛伦兹力作用,由于mg=qE,且速度与磁场方向垂直,所以粒子做匀速圆周运动。设运动速度大小为v1,轨道半径为R1,周期为T,则 (1分)
(1分)
联立可得 (1分)
又 得 (1分) 即粒子在t0~2t0时间内恰好完成一个周期的圆周运动。在2t0~3t0时间内,粒子做初速度为v1的匀加速直线运动,设位移大小为
(1分)
(1分)
解得 (1分) 由于s1+s2<h,所以粒子在3t0~4t0时间内继续做匀速圆周运动,设速度大小为v2,半径为R2 (1分)
(1分)
解得 (1分) 由于s1+s2+R2<h,粒子恰好又完成一个周期的圆周运动。在4t0~5t0时间内,粒子运动到正极板(如图1所示)。因此粒子运动的最大半径 。 (2分) 26.(14分 ) ⑴4FeS2+11O2 2Fe2O3+8SO2 (3分) ⑵ Fe2O3+3CO 2Fe+3CO2 (3分) ⑶ C=O=S (2分) ⑷ ①CH4O (3分) ② B (3分) 27.(13分) (一)(1)生成等物质的量的硝酸铜,消耗硝酸原料多,且产生污染物氮氧化物.(3分) (2)坩埚;蒸发浓缩、冷却结晶
(各1分,共3分) (二)(1)
(2分) (2)先把导气管移出水面,然后熄灭火焰
(3分) (3)
(2分) 28.(15分) (1)醛基 (2分) ; (2分) (2)b、c (2分) (3) + +H2O
(3分)
(4)5 (2分) ; (2分)
(5)D (2分) 29.(18分) (1)[Al(OH)4]-+H+ =Al(OH)3 ↓+H2O [或AlO2? +H+ =Al(OH)3
↓] (3分) (2) 成分 质量 判断依据或计算推理过程 Al 2.7g (2分) 2Al +2NaOH +6H2O =Na[Al(OH)4]+3H2↑ 54g 67.2L m(Al)
3.36L m(Al)=54g×3.36L/67.2L=2.7g…(3分) (NH4)2SO4 6.6g (2分) MgCl2 4.75g(2分) FeCl2 0 (1分) Fe(OH)2 在空气中会转化为红褐色Fe(OH)3,但步骤③中白色沉淀久置无明显变化(2分) AlCl3 0 (1分) 原固体中只含有Al 、(NH4)2SO4和MgCl2 ,三种物质的质量之和刚好等于14.05g,所以一定没有AlCl3 (2分) 30.(20分) (1)7~15时丛林净失水量 15~7时丛林净吸水量 光合作用、呼吸作用等 偏高(每空2分)
(2)6~18时有机物净积累量/净光合量(2分) E(1分) SQ ?SM ?SN(2分) C、E (1分) (3)生长(2分)   (4)B
D
A
C (2分)
(5)不易太早进入丛林,六点左右CO2含量过高,地表污染物浓度也很高(答案合理,酌情给分) (2分) 31.(22分) I (8分,每空2分)(1) 探究课题:青藏高原多倍体的形成,可能与一定时间的低温处理有关。 设计该方法的实验原理:低温能影响酶的活性(或低温影响纺锤体的形成、着丝点的分裂)使细胞不能正常进行有丝分裂,从而使细胞内染色体加倍。 (2)①(只要合理,酌情给分) 观察时间 组别
5天 10天 15天 常温(对照组) 低温(实验组) ③
在光学显微镜下观察和比较经过不同处理后的根尖细胞内染色体数目 II (14分) 方案一:① ♀ ♂(2分) ②不能 (若环境没有任何改变的情况下,还有可能是环境的作用结果) ③不能 (有可能是隐性基因决定的,在子一代中不一定能表现出来) (②③都答对给4分,错一不给分。可以不答原因) 方案二: 第一步:维生素C含量高的个体 维生素C含量正常的个体(1分) 第二步:维生素C含量正常的个体 维生素C含量高的个体 (1分)(第一步和第二步可替换) 第三步:F1植株(2分) 实验结果: F1植株所结果实均表现出同一性状,可判定为核遗传(2分) F1植株所结果实都只表现出母本性状,可判定为质遗传(2分)
|