讨论:由以上方程组可知 查看更多

 

题目列表(包括答案和解析)

做测一金属电阻丝的电阻Rx的实验.
(1)某实验小组要用“伏安法”测量电阻丝的电阻Rx,已知电压表内阻约3kΩ,电流表内阻约1Ω,若采用下图1电路测量,则Rx的测量值比真实值______(填“偏大”或“偏小”).若Rx约为10Ω应采用______(选“图1”或“图2”)的电路,误差会比较小.

精英家教网

(2)若该实验小组实验时,用螺旋测微器测量金属丝直径的某次测量如图3所示,则该金属丝的直径D为______ mm;某次测量时电压表和电流表的示数如下图4所示,则电流表示数为______ A,电压表读数为______ V.
(3)该实验小组经过讨论,发现无论是用图1或图2测量,都不可避免产生由电表内阻引起的系统测量误差,于是该实验小组又设计了如图5所示的实验方案,利用该方案测量的主要实验步骤如下:
第一步:将电键S2接2,闭合电键S1,调节滑动变阻器RP和RW,使电表读数接近满量程,但不超过量程,记录此时电压表和电流表的示数为U1、I1
①请你根据实验原理为该实验小组写出接下的第二步操作,并说明需要记录的数据:______;
②由以上记录的数据计算出被测电阻Rx的表达式为Rx=______;
③简要分析此实验方案为何能避免电表内阻引起的实验误差:______.

查看答案和解析>>

做测一金属电阻丝的电阻Rx的实验.
(1)某实验小组要用“伏安法”测量电阻丝的电阻Rx,已知电压表内阻约3kΩ,电流表内阻约1Ω,若采用下图1电路测量,则Rx的测量值比真实值______(填“偏大”或“偏小”).若Rx约为10Ω应采用______(选“图1”或“图2”)的电路,误差会比较小.

(2)若该实验小组实验时,用螺旋测微器测量金属丝直径的某次测量如图3所示,则该金属丝的直径D为______ mm;某次测量时电压表和电流表的示数如下图4所示,则电流表示数为______ A,电压表读数为______ V.
(3)该实验小组经过讨论,发现无论是用图1或图2测量,都不可避免产生由电表内阻引起的系统测量误差,于是该实验小组又设计了如图5所示的实验方案,利用该方案测量的主要实验步骤如下:
第一步:将电键S2接2,闭合电键S1,调节滑动变阻器RP和RW,使电表读数接近满量程,但不超过量程,记录此时电压表和电流表的示数为U1、I1
①请你根据实验原理为该实验小组写出接下的第二步操作,并说明需要记录的数据:______;
②由以上记录的数据计算出被测电阻Rx的表达式为Rx=______;
③简要分析此实验方案为何能避免电表内阻引起的实验误差:______.

查看答案和解析>>

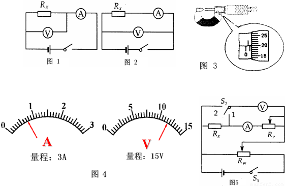
做测一金属电阻丝的电阻Rx的实验.
(1)某实验小组要用“伏安法”测量电阻丝的电阻Rx,已知电压表内阻约3kΩ,电流表内阻约1Ω,若采用下图1电路测量,则Rx的测量值比真实值
偏小
偏小
(填“偏大”或“偏小”).若Rx约为10Ω应采用
偏大
偏大
(选“图1”或“图2”)的电路,误差会比较小.

(2)若该实验小组实验时,用螺旋测微器测量金属丝直径的某次测量如图3所示,则该金属丝的直径D为
1.200
1.200
 mm;某次测量时电压表和电流表的示数如下图4所示,则电流表示数为
0.73
0.73
 A,电压表读数为
11.7
11.7
 V.
(3)该实验小组经过讨论,发现无论是用图1或图2测量,都不可避免产生由电表内阻引起的系统测量误差,于是该实验小组又设计了如图5所示的实验方案,利用该方案测量的主要实验步骤如下:
第一步:将电键S2接2,闭合电键S1,调节滑动变阻器RP和RW,使电表读数接近满量程,但不超过量程,记录此时电压表和电流表的示数为U1、I1
①请你根据实验原理为该实验小组写出接下的第二步操作,并说明需要记录的数据:
保持RP不变,记录两表的示数U2和I2
保持RP不变,记录两表的示数U2和I2

②由以上记录的数据计算出被测电阻Rx的表达式为Rx=
U1
I1
-
U2
I2
U1
I1
-
U2
I2

③简要分析此实验方案为何能避免电表内阻引起的实验误差:
两次测量可以消去(RA+RP),避免了表的内阻对测量结果的影响
两次测量可以消去(RA+RP),避免了表的内阻对测量结果的影响

查看答案和解析>>

第八部分 静电场

第一讲 基本知识介绍

在奥赛考纲中,静电学知识点数目不算多,总数和高考考纲基本相同,但在个别知识点上,奥赛的要求显然更加深化了:如非匀强电场中电势的计算、电容器的连接和静电能计算、电介质的极化等。在处理物理问题的方法上,对无限分割和叠加原理提出了更高的要求。

如果把静电场的问题分为两部分,那就是电场本身的问题、和对场中带电体的研究,高考考纲比较注重第二部分中带电粒子的运动问题,而奥赛考纲更注重第一部分和第二部分中的静态问题。也就是说,奥赛关注的是电场中更本质的内容,关注的是纵向的深化和而非横向的综合。

一、电场强度

1、实验定律

a、库仑定律

内容;

条件:⑴点电荷,⑵真空,⑶点电荷静止或相对静止。事实上,条件⑴和⑵均不能视为对库仑定律的限制,因为叠加原理可以将点电荷之间的静电力应用到一般带电体,非真空介质可以通过介电常数将k进行修正(如果介质分布是均匀和“充分宽广”的,一般认为k′= k /εr)。只有条件⑶,它才是静电学的基本前提和出发点(但这一点又是常常被忽视和被不恰当地“综合应用”的)。

b、电荷守恒定律

c、叠加原理

2、电场强度

a、电场强度的定义

电场的概念;试探电荷(检验电荷);定义意味着一种适用于任何电场的对电场的检测手段;电场线是抽象而直观地描述电场有效工具(电场线的基本属性)。

b、不同电场中场强的计算

决定电场强弱的因素有两个:场源(带电量和带电体的形状)和空间位置。这可以从不同电场的场强决定式看出——

⑴点电荷:E = k

结合点电荷的场强和叠加原理,我们可以求出任何电场的场强,如——

⑵均匀带电环,垂直环面轴线上的某点P:E = ,其中r和R的意义见图7-1。

⑶均匀带电球壳

内部:E = 0

外部:E = k ,其中r指考察点到球心的距离

如果球壳是有厚度的的(内径R1 、外径R2),在壳体中(R1<r<R2):

E =  ,其中ρ为电荷体密度。这个式子的物理意义可以参照万有引力定律当中(条件部分)的“剥皮法则”理解〔即为图7-2中虚线以内部分的总电量…〕。

⑷无限长均匀带电直线(电荷线密度为λ):E = 

⑸无限大均匀带电平面(电荷面密度为σ):E = 2πkσ

二、电势

1、电势:把一电荷从P点移到参考点P0时电场力所做的功W与该电荷电量q的比值,即

U = 

参考点即电势为零的点,通常取无穷远或大地为参考点。

和场强一样,电势是属于场本身的物理量。W则为电荷的电势能。

2、典型电场的电势

a、点电荷

以无穷远为参考点,U = k

b、均匀带电球壳

以无穷远为参考点,U = k ,U = k

3、电势的叠加

由于电势的是标量,所以电势的叠加服从代数加法。很显然,有了点电荷电势的表达式和叠加原理,我们可以求出任何电场的电势分布。

4、电场力对电荷做功

WAB = q(UA - UB)= qUAB 

三、静电场中的导体

静电感应→静电平衡(狭义和广义)→静电屏蔽

1、静电平衡的特征可以总结为以下三层含义——

a、导体内部的合场强为零;表面的合场强不为零且一般各处不等,表面的合场强方向总是垂直导体表面。

b、导体是等势体,表面是等势面。

c、导体内部没有净电荷;孤立导体的净电荷在表面的分布情况取决于导体表面的曲率。

2、静电屏蔽

导体壳(网罩)不接地时,可以实现外部对内部的屏蔽,但不能实现内部对外部的屏蔽;导体壳(网罩)接地后,既可实现外部对内部的屏蔽,也可实现内部对外部的屏蔽。

四、电容

1、电容器

孤立导体电容器→一般电容器

2、电容

a、定义式 C = 

b、决定式。决定电容器电容的因素是:导体的形状和位置关系、绝缘介质的种类,所以不同电容器有不同的电容

⑴平行板电容器 C =  =  ,其中ε为绝对介电常数(真空中ε0 =  ,其它介质中ε= ),εr则为相对介电常数,εr =  

⑵柱形电容器:C = 

⑶球形电容器:C = 

3、电容器的连接

a、串联  = +++ … +

b、并联 C = C1 + C2 + C3 + … + Cn 

4、电容器的能量

用图7-3表征电容器的充电过程,“搬运”电荷做功W就是图中阴影的面积,这也就是电容器的储能E ,所以

E = q0U0 = C = 

电场的能量。电容器储存的能量究竟是属于电荷还是属于电场?正确答案是后者,因此,我们可以将电容器的能量用场强E表示。

对平行板电容器 E = E2 

认为电场能均匀分布在电场中,则单位体积的电场储能 w = E2 。而且,这以结论适用于非匀强电场。

五、电介质的极化

1、电介质的极化

a、电介质分为两类:无极分子和有极分子,前者是指在没有外电场时每个分子的正、负电荷“重心”彼此重合(如气态的H2 、O2 、N2和CO2),后者则反之(如气态的H2O 、SO2和液态的水硝基笨)

b、电介质的极化:当介质中存在外电场时,无极分子会变为有极分子,有极分子会由原来的杂乱排列变成规则排列,如图7-4所示。

2、束缚电荷、自由电荷、极化电荷与宏观过剩电荷

a、束缚电荷与自由电荷:在图7-4中,电介质左右两端分别显现负电和正电,但这些电荷并不能自由移动,因此称为束缚电荷,除了电介质,导体中的原子核和内层电子也是束缚电荷;反之,能够自由移动的电荷称为自由电荷。事实上,导体中存在束缚电荷与自由电荷,绝缘体中也存在束缚电荷和自由电荷,只是它们的比例差异较大而已。

b、极化电荷是更严格意义上的束缚电荷,就是指图7-4中电介质两端显现的电荷。而宏观过剩电荷是相对极化电荷来说的,它是指可以自由移动的净电荷。宏观过剩电荷与极化电荷的重要区别是:前者能够用来冲放电,也能用仪表测量,但后者却不能。

第二讲 重要模型与专题

一、场强和电场力

【物理情形1】试证明:均匀带电球壳内部任意一点的场强均为零。

【模型分析】这是一个叠加原理应用的基本事例。

如图7-5所示,在球壳内取一点P ,以P为顶点做两个对顶的、顶角很小的锥体,锥体与球面相交得到球面上的两个面元ΔS1和ΔS2 ,设球面的电荷面密度为σ,则这两个面元在P点激发的场强分别为

ΔE1 = k

ΔE2 = k

为了弄清ΔE1和ΔE2的大小关系,引进锥体顶部的立体角ΔΩ ,显然

 = ΔΩ = 

所以 ΔE1 = k ,ΔE2 = k ,即:ΔE1 = ΔE2 ,而它们的方向是相反的,故在P点激发的合场强为零。

同理,其它各个相对的面元ΔS3和ΔS4 、ΔS5和ΔS6  激发的合场强均为零。原命题得证。

【模型变换】半径为R的均匀带电球面,电荷的面密度为σ,试求球心处的电场强度。

【解析】如图7-6所示,在球面上的P处取一极小的面元ΔS ,它在球心O点激发的场强大小为

ΔE = k ,方向由P指向O点。

无穷多个这样的面元激发的场强大小和ΔS激发的完全相同,但方向各不相同,它们矢量合成的效果怎样呢?这里我们要大胆地预见——由于由于在x方向、y方向上的对称性,Σ = Σ = 0 ,最后的ΣE = ΣEz ,所以先求

ΔEz = ΔEcosθ= k ,而且ΔScosθ为面元在xoy平面的投影,设为ΔS′

所以 ΣEz = ΣΔS′

 ΣΔS′= πR2 

【答案】E = kπσ ,方向垂直边界线所在的平面。

〖学员思考〗如果这个半球面在yoz平面的两边均匀带有异种电荷,面密度仍为σ,那么,球心处的场强又是多少?

〖推荐解法〗将半球面看成4个球面,每个球面在x、y、z三个方向上分量均为 kπσ,能够对称抵消的将是y、z两个方向上的分量,因此ΣE = ΣEx …

〖答案〗大小为kπσ,方向沿x轴方向(由带正电的一方指向带负电的一方)。

【物理情形2】有一个均匀的带电球体,球心在O点,半径为R ,电荷体密度为ρ ,球体内有一个球形空腔,空腔球心在O′点,半径为R′,= a ,如图7-7所示,试求空腔中各点的场强。

【模型分析】这里涉及两个知识的应用:一是均匀带电球体的场强定式(它也是来自叠加原理,这里具体用到的是球体内部的结论,即“剥皮法则”),二是填补法。

将球体和空腔看成完整的带正电的大球和带负电(电荷体密度相等)的小球的集合,对于空腔中任意一点P ,设 = r1 , = r2 ,则大球激发的场强为

E1 = k = kρπr1 ,方向由O指向P

“小球”激发的场强为

E2 = k = kρπr2 ,方向由P指向O′

E1和E2的矢量合成遵从平行四边形法则,ΣE的方向如图。又由于矢量三角形PE1ΣE和空间位置三角形OP O′是相似的,ΣE的大小和方向就不难确定了。

【答案】恒为kρπa ,方向均沿O → O′,空腔里的电场是匀强电场。

〖学员思考〗如果在模型2中的OO′连线上O′一侧距离O为b(b>R)的地方放一个电量为q的点电荷,它受到的电场力将为多大?

〖解说〗上面解法的按部就班应用…

〖答〗πkρq〔?〕。

二、电势、电量与电场力的功

【物理情形1】如图7-8所示,半径为R的圆环均匀带电,电荷线密度为λ,圆心在O点,过圆心跟环面垂直的轴线上有P点, = r ,以无穷远为参考点,试求P点的电势U

【模型分析】这是一个电势标量叠加的简单模型。先在圆环上取一个元段ΔL ,它在P点形成的电势

ΔU = k

环共有段,各段在P点形成的电势相同,而且它们是标量叠加。

【答案】UP = 

〖思考〗如果上题中知道的是环的总电量Q ,则UP的结论为多少?如果这个总电量的分布不是均匀的,结论会改变吗?

〖答〗UP =  ;结论不会改变。

〖再思考〗将环换成半径为R的薄球壳,总电量仍为Q ,试问:(1)当电量均匀分布时,球心电势为多少?球内(包括表面)各点电势为多少?(2)当电量不均匀分布时,球心电势为多少?球内(包括表面)各点电势为多少?

〖解说〗(1)球心电势的求解从略;

球内任一点的求解参看图7-5

ΔU1 = k= k·= kσΔΩ

ΔU2 = kσΔΩ

它们代数叠加成 ΔU = ΔU1 + ΔU2 = kσΔΩ

而 r1 + r2 = 2Rcosα

所以 ΔU = 2RkσΔΩ

所有面元形成电势的叠加 ΣU = 2RkσΣΔΩ

注意:一个完整球面的ΣΔΩ = 4π(单位:球面度sr),但作为对顶的锥角,ΣΔΩ只能是2π ,所以——

ΣU = 4πRkσ= k

(2)球心电势的求解和〖思考〗相同;

球内任一点的电势求解可以从(1)问的求解过程得到结论的反证。

〖答〗(1)球心、球内任一点的电势均为k ;(2)球心电势仍为k ,但其它各点的电势将随电量的分布情况的不同而不同(内部不再是等势体,球面不再是等势面)。

【相关应用】如图7-9所示,球形导体空腔内、外壁的半径分别为R1和R2 ,带有净电量+q ,现在其内部距球心为r的地方放一个电量为+Q的点电荷,试求球心处的电势。

【解析】由于静电感应,球壳的内、外壁形成两个带电球壳。球心电势是两个球壳形成电势、点电荷形成电势的合效果。

根据静电感应的尝试,内壁的电荷量为-Q ,外壁的电荷量为+Q+q ,虽然内壁的带电是不均匀的,根据上面的结论,其在球心形成的电势仍可以应用定式,所以…

【答案】Uo = k - k + k 

〖反馈练习〗如图7-10所示,两个极薄的同心导体球壳A和B,半径分别为RA和RB ,现让A壳接地,而在B壳的外部距球心d的地方放一个电量为+q的点电荷。试求:(1)A球壳的感应电荷量;(2)外球壳的电势。

〖解说〗这是一个更为复杂的静电感应情形,B壳将形成图示的感应电荷分布(但没有净电量),A壳的情形未画出(有净电量),它们的感应电荷分布都是不均匀的。

此外,我们还要用到一个重要的常识:接地导体(A壳)的电势为零。但值得注意的是,这里的“为零”是一个合效果,它是点电荷q 、A壳、B壳(带同样电荷时)单独存在时在A中形成的的电势的代数和,所以,当我们以球心O点为对象,有

UO = k + k + k = 0

QB应指B球壳上的净电荷量,故 QB = 0

所以 QA = -q

☆学员讨论:A壳的各处电势均为零,我们的方程能不能针对A壳表面上的某点去列?(答:不能,非均匀带电球壳的球心以外的点不能应用定式!)

基于刚才的讨论,求B的电势时也只能求B的球心的电势(独立的B壳是等势体,球心电势即为所求)——

UB = k + k

〖答〗(1)QA = -q ;(2)UB = k(1-) 。

【物理情形2】图7-11中,三根实线表示三根首尾相连的等长绝缘细棒,每根棒上的电荷分布情况与绝缘棒都换成导体棒时完全相同。点A是Δabc的中心,点B则与A相对bc棒对称,且已测得它们的电势分别为UA和UB 。试问:若将ab棒取走,A、B两点的电势将变为多少?

【模型分析】由于细棒上的电荷分布既不均匀、三根细棒也没有构成环形,故前面的定式不能直接应用。若用元段分割→叠加,也具有相当的困难。所以这里介绍另一种求电势的方法。

每根细棒的电荷分布虽然复杂,但相对各自的中点必然是对称的,而且三根棒的总电量、分布情况彼此必然相同。这就意味着:①三棒对A点的电势贡献都相同(可设为U1);②ab棒、ac棒对B点的电势贡献相同(可设为U2);③bc棒对A、B两点的贡献相同(为U1)。

所以,取走ab前  3U1 = UA

                 2U2 + U1 = UB

取走ab后,因三棒是绝缘体,电荷分布不变,故电势贡献不变,所以

  UA′= 2U1

                 UB′= U1 + U2

【答案】UA′= UA ;UB′= UA + UB 

〖模型变换〗正四面体盒子由彼此绝缘的四块导体板构成,各导体板带电且电势分别为U1 、U2 、U3和U4 ,则盒子中心点O的电势U等于多少?

〖解说〗此处的四块板子虽然位置相对O点具有对称性,但电量各不相同,因此对O点的电势贡献也不相同,所以应该想一点办法——

我们用“填补法”将电量不对称的情形加以改观:先将每一块导体板复制三块,作成一个正四面体盒子,然后将这四个盒子位置重合地放置——构成一个有四层壁的新盒子。在这个新盒子中,每个壁的电量将是完全相同的(为原来四块板的电量之和)、电势也完全相同(为U1 + U2 + U3 + U4),新盒子表面就构成了一个等势面、整个盒子也是一个等势体,故新盒子的中心电势为

U′= U1 + U2 + U3 + U4 

最后回到原来的单层盒子,中心电势必为 U =  U′

〖答〗U = (U1 + U2 + U3 + U4)。

☆学员讨论:刚才的这种解题思想是否适用于“物理情形2”?(答:不行,因为三角形各边上电势虽然相等,但中点的电势和边上的并不相等。)

〖反馈练习〗电荷q均匀分布在半球面ACB上,球面半径为R ,CD为通过半球顶点C和球心O的轴线,如图7-12所示。P、Q为CD轴线上相对O点对称的两点,已知P点的电势为UP ,试求Q点的电势UQ 。

〖解说〗这又是一个填补法的应用。将半球面补成完整球面,并令右边内、外层均匀地带上电量为q的电荷,如图7-12所示。

从电量的角度看,右半球面可以看作不存在,故这时P、Q的电势不会有任何改变。

而换一个角度看,P、Q的电势可以看成是两者的叠加:①带电量为2q的完整球面;②带电量为-q的半球面。

考查P点,UP = k + U半球面

其中 U半球面显然和为填补时Q点的电势大小相等、符号相反,即 U半球面= -UQ 

以上的两个关系已经足以解题了。

〖答〗UQ = k - UP 。

【物理情形3】如图7-13所示,A、B两点相距2L ,圆弧是以B为圆心、L为半径的半圆。A处放有电量为q的电荷,B处放有电量为-q的点电荷。试问:(1)将单位正电荷从O点沿移到D点,电场力对它做了多少功?(2)将单位负电荷从D点沿AB的延长线移到无穷远处去,电场力对它做多少功?

【模型分析】电势叠加和关系WAB = q(UA - UB)= qUAB的基本应用。

UO = k + k = 0

UD = k + k = -

U = 0

再用功与电势的关系即可。

【答案】(1);(2) 

【相关应用】在不计重力空间,有A、B两个带电小球,电量分别为q1和q2 ,质量分别为m1和m2 ,被固定在相距L的两点。试问:(1)若解除A球的固定,它能获得的最大动能是多少?(2)若同时解除两球的固定,它们各自的获得的最大动能是多少?(3)未解除固定时,这个系统的静电势能是多少?

【解说】第(1)问甚间;第(2)问在能量方面类比反冲装置的能量计算,另启用动量守恒关系;第(3)问是在前两问基础上得出的必然结论…(这里就回到了一个基本的观念斧正:势能是属于场和场中物体的系统,而非单纯属于场中物体——这在过去一直是被忽视的。在两个点电荷的环境中,我们通常说“两个点电荷的势能”是多少。)

【答】(1)k;(2)Ek1 = k ,Ek2 = k;(3)k 

〖思考〗设三个点电荷的电量分别为q1 、q2和q3 ,两两相距为r12 、r23和r31 ,则这个点电荷系统的静电势能是多少?

〖解〗略。

〖答〗k(++)。

〖反馈应用〗如图7-14所示,三个带同种电荷的相同金属小球,每个球的质量均为m 、电量均为q ,用长度为L的三根绝缘轻绳连接着,系统放在光滑、绝缘的水平面上。现将其中的一根绳子剪断,三个球将开始运动起来,试求中间这个小球的最大速度。

〖解〗设剪断的是1、3之间的绳子,动力学分析易知,2球获得最大动能时,1、2之间的绳子与2、3之间的绳子刚好应该在一条直线上。而且由动量守恒知,三球不可能有沿绳子方向的速度。设2球的速度为v ,1球和3球的速度为v′,则

动量关系 mv + 2m v′= 0

能量关系 3k = 2 k + k + mv2 + 2m

解以上两式即可的v值。

〖答〗v = q 

三、电场中的导体和电介质

【物理情形】两块平行放置的很大的金属薄板A和B,面积都是S ,间距为d(d远小于金属板的线度),已知A板带净电量+Q1 ,B板带尽电量+Q2 ,且Q2<Q1 ,试求:(1)两板内外表面的电量分别是多少;(2)空间各处的场强;(3)两板间的电势差。

【模型分析】由于静电感应,A、B两板的四个平面的电量将呈现一定规律的分布(金属板虽然很薄,但内部合场强为零的结论还是存在的);这里应注意金属板“很大”的前提条件,它事实上是指物理无穷大,因此,可以应用无限大平板的场强定式。

为方便解题,做图7-15,忽略边缘效应,四个面的电荷分布应是均匀的,设四个面的电荷面密度分别为σ1 、σ2 、σ3和σ4 ,显然

(σ1 + σ2)S = Q1 

(σ3 + σ4)S = Q2 

A板内部空间场强为零,有 2πk(σ1 ? σ2 ? σ3 ? σ4)= 0

A板内部空间场强为零,有 2πk(σ1 + σ2 + σ3 ? σ4)= 0

解以上四式易得 σ1 = σ4 = 

               σ2 = ?σ3 = 

有了四个面的电荷密度,Ⅰ、Ⅱ、Ⅲ空间的场强就好求了〔如E =2πk(σ1 + σ2 ? σ3 ? σ4)= 2πk〕。

最后,UAB = Ed

【答案】(1)A板外侧电量、A板内侧电量,B板内侧电量?、B板外侧电量;(2)A板外侧空间场强2πk,方向垂直A板向外,A、B板之间空间场强2πk,方向由A垂直指向B,B板外侧空间场强2πk,方向垂直B板向外;(3)A、B两板的电势差为2πkd,A板电势高。

〖学员思考〗如果两板带等量异号的净电荷,两板的外侧空间场强等于多少?(答:为零。)

〖学员讨论〗(原模型中)作为一个电容器,它的“电量”是多少(答:)?如果在板间充满相对介电常数为εr的电介质,是否会影响四个面的电荷分布(答:不会)?是否会影响三个空间的场强(答:只会影响Ⅱ空间的场强)?

〖学员讨论〗(原模型中)我们是否可以求出A、B两板之间的静电力?〔答:可以;以A为对象,外侧受力·(方向相左),内侧受力·(方向向右),它们合成即可,结论为F = Q1Q2 ,排斥力。〕

【模型变换】如图7-16所示,一平行板电容器,极板面积为S ,其上半部为真空,而下半部充满相对介电常数为εr的均匀电介质,当两极板分别带上+Q和?Q的电量后,试求:(1)板上自由电荷的分布;(2)两板之间的场强;(3)介质表面的极化电荷。

【解说】电介质的充入虽然不能改变内表面的电量总数,但由于改变了场强,故对电荷的分布情况肯定有影响。设真空部分电量为Q1 ,介质部分电量为Q2 ,显然有

Q1 + Q2 = Q

两板分别为等势体,将电容器看成上下两个电容器的并联,必有

U1 = U2   =  ,即  = 

解以上两式即可得Q1和Q2 

场强可以根据E = 关系求解,比较常规(上下部分的场强相等)。

上下部分的电量是不等的,但场强居然相等,这怎么解释?从公式的角度看,E = 2πkσ(单面平板),当k 、σ同时改变,可以保持E不变,但这是一种结论所展示的表象。从内在的角度看,k的改变正是由于极化电荷的出现所致,也就是说,极化电荷的存在相当于在真空中形成了一个新的电场,正是这个电场与自由电荷(在真空中)形成的电场叠加成为E2 ,所以

E2 = 4πk(σ ? σ′)= 4πk( ? 

请注意:①这里的σ′和Q′是指极化电荷的面密度和总量;② E = 4πkσ的关系是由两个带电面叠加的合效果。

【答案】(1)真空部分的电量为Q ,介质部分的电量为Q ;(2)整个空间的场强均为 ;(3)Q 。

〖思考应用〗一个带电量为Q的金属小球,周围充满相对介电常数为εr的均匀电介质,试求与与导体表面接触的介质表面的极化电荷量。

〖解〗略。

〖答〗Q′= Q 。

四、电容器的相关计算

【物理情形1】由许多个电容为C的电容器组成一个如图7-17所示的多级网络,试问:(1)在最后一级的右边并联一个多大电容C′,可使整个网络的A、B两端电容也为C′?(2)不接C′,但无限地增加网络的级数,整个网络A、B两端的总电容是多少?

【模型分析】这是一个练习电容电路简化基本事例。

第(1)问中,未给出具体级数,一般结论应适用特殊情形:令级数为1 ,于是

 +  =  解C′即可。

第(2)问中,因为“无限”,所以“无限加一级后仍为无限”,不难得出方程

 +  = 

【答案】(1)C ;(2)C 。

【相关模型】在图7-18所示的电路中,已知C1 = C2 = C3 = C9 = 1μF ,C4 = C5 = C6 = C7 = 2μF ,C8 = C10 = 3μF ,试求A、B之间的等效电容。

【解说】对于既非串联也非并联的电路,需要用到一种“Δ→Y型变换”,参见图7-19,根据三个端点之间的电容等效,容易得出定式——

Δ→Y型:Ca = 

          Cb = 

          Cc = 

Y→Δ型:C1 = 

         C2 = 

         C3 = 

有了这样的定式后,我们便可以进行如图7-20所示的四步电路简化(为了方便,电容不宜引进新的符号表达,而是直接将变换后的量值标示在图中)——

【答】约2.23μF 。

【物理情形2】如图7-21所示的电路中,三个电容器完全相同,电源电动势ε1 = 3.0V ,ε2 = 4.5V,开关K1和K2接通前电容器均未带电,试求K1和K2接通后三个电容器的电压Uao 、Ubo和Uco各为多少。

【解说】这是一个考查电容器电路的基本习题,解题的关键是要抓与o相连的三块极板(俗称“孤岛”)的总电量为零。

电量关系:++= 0

电势关系:ε1 = Uao + Uob = Uao ? Ubo 

          ε2 = Ubo + Uoc = Ubo ? Uco 

解以上三式即可。

【答】Uao = 3.5V ,Ubo = 0.5V ,Uco = ?4.0V 。

【伸展应用】如图7-22所示,由n个单元组成的电容器网络,每一个单元由三个电容器连接而成,其中有两个的电容为3C ,另一个的电容为3C 。以a、b为网络的输入端,a′、b′为输出端,今在a、b间加一个恒定电压U ,而在a′b′间接一个电容为C的电容器,试求:(1)从第k单元输入端算起,后面所有电容器储存的总电能;(2)若把第一单元输出端与后面断开,再除去电源,并把它的输入端短路,则这个单元的三个电容器储存的总电能是多少?

【解说】这是一个结合网络计算和“孤岛现象”的典型事例。

(1)类似“物理情形1”的计算,可得 C = Ck = C

所以,从输入端算起,第k单元后的电压的经验公式为 Uk = 

再算能量储存就不难了。

(2)断开前,可以算出第一单元的三个电容器、以及后面“系统”的电量分配如图7-23中的左图所示。这时,C1的右板和C2的左板(或C2的下板和C3的右板)形成“孤岛”。此后,电容器的相互充电过程(C3类比为“电源”)满足——

电量关系:Q1′= Q3

          Q2′+ Q3′= 

电势关系: = 

从以上三式解得 Q1′= Q3′=  ,Q2′=  ,这样系统的储能就可以用得出了。

【答】(1)Ek = ;(2) 。

〖学员思考〗图7-23展示的过程中,始末状态的电容器储能是否一样?(答:不一样;在相互充电的过程中,导线消耗的焦耳热已不可忽略。)

☆第七部分完☆

查看答案和解析>>


同步练习册答案