0  428602  428610  428616  428620  428626  428628  428632  428638  428640  428646  428652  428656  428658  428662  428668  428670  428676  428680  428682  428686  428688  428692  428694  428696  428697  428698  428700  428701  428702  428704  428706  428710  428712  428716  428718  428722  428728  428730  428736  428740  428742  428746  428752  428758  428760  428766  428770  428772  428778  428782  428788  428796  447090 

11.如图5所示,请根据图中物理现象的分析来回答问题:

a图说明被跳水运动员压弯了的跳板具有       ;

b图中,上瓶内装有空气,下瓶内装有红棕色的二氧化氮气体,将上下两瓶间的玻璃板抽掉,过一段时间后,两瓶气体混合在一起,颜色变均匀.这个现象说明          

c是法国人居纽于1769年制造了世界上第一辆蒸汽驱动的三轮车.现在你看到的这幅漫画,据说是牛顿所设计的蒸汽汽车原理图,使汽车向前运动的力的施力物体是    

 

a              b         c

                图5

试题详情

10.下列给出的三幅图,分别主要运用了什么光学知识?

 

A、激光引导掘进方向   B、小泥人照镜子   C、有经验的渔民在叉鱼

答:A           。 B           。 C          

试题详情

9.物理知识在平时的生产、生活中有广泛应用,下列说法正确的是      (   )

A、电工用的尖嘴钳钳柄通常都装有橡胶套,主要是为了使劲握钳柄时手掌不至于太疼

B、电线的芯线外面包一层塑料,主要是为了保护里面的芯线不受腐蚀

C、手机的备用电池不能与硬币放到一起,主要是为了防止手机电池被硬币短路而损坏

D、有些电学实验室铺有掺杂着金属丝的地毯,主要是为了增加地毯导电性

试题详情

8.小明将甲、乙两个完全相同的皮球,举高到相同的高度上以大小相等的速度,将甲球竖直向上抛出、将乙球竖直向下抛出,两球在地面上反复弹跳.在两球运动的过程中,不计空气阻力,也不计与地面碰撞时的能量损失.则下列说法正确的是(   ).

A.球在空中下降时,重力势能减小,动能增大

B.在抛出时刻,甲球的动能大于乙球的动能

C.在任何时刻,两球的机械能都相等’

D.甲球的最大重力势能大于乙球的最大重力势能

试题详情

7.从图4中得到的信息中,正确的是                 (    )

图4
 

A、图甲说明物体所受的重力跟它的质量成正比

B、图乙表示物体正以5m/s的速度作匀速运动

C、图丙告诉我们,小灯泡的电阻值是固定不变的

D、图丁警示我们一个多世纪以来人类能源消耗急剧增长

试题详情

6. 关于电冰箱,以下说法正确的是         (   )                        

A、电冰箱的温度比较低,这是液体汽化吸热造成的          

B、电冰箱散热器摸起来烫手,这主要是电流的热效应造成的

C、夏天,打开电冰箱看到的“白烟”是冰箱内蔬菜水果等蒸发产生的水蒸气

D、家用电冰箱的耗电功率通常超过1000W

试题详情

5. 电磁炉是利用高频电流在电磁炉内部线圈中产生磁场,磁化铁质铁锅,从而形成无数个

小涡流(即电流),加速锅底分子运动,使锅底自身发热达到加热食品

的目的,它具有安全可靠、节能环保等优点,是现代家庭中

的理想灶具,其工作原理如图3所示。下列有关电磁炉的说

法中正确的是      (    )               

A、电磁炉在使用中利用了电流的磁效应和化学效应

B、电磁炉在使用中会产生烟尘和废气

C、电磁炉加热食物时把电能转化为内能

D、铁、铝、铜锅均可在电磁炉上使用                 

 图3

试题详情

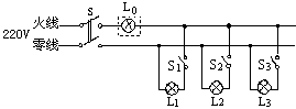
4. 工人师傅常用一只标有“220V 40W”的灯泡L0(检验灯泡)取代保险丝来检查新安装的照明电路中每个支路的情况,如图2所示。当只闭合S、S1时L0不亮;当只闭合S、S2时L0和L2都呈暗红色;当只闭合S、S3时L0正常发光。由此可以判断            (   )

A、L1所在支路短路

B、L2所在支路短路

C、L3所在支路短路

D、各支路均完好                       图2

试题详情

3.在05年年底“海啸”灾难救援工作中,医务人员工作时所采取的许多措施和用到的器材中,包含着许多物理知识。下列说法正确的是(   )                  

A、医生用听诊器接听患者心跳和呼吸声音,能升高音调

B、注射时针筒能抽取到药液,是因为药液受到针筒的吸引力作用

C、喷洒消毒液后,过一会儿病房里闻到消毒液的气味,这是扩散现象

D、夹取消毒棉擦伤口的镊子是省力杠杆

试题详情

2.在图1所示的四幅图中,分别表示近视眼成像情况和矫正做法的是       (   )

 

图1
 
 
①          ②         ③         ④

A、②、①       B、③、①      C、②、④      D、③、④

试题详情


同步练习册答案