精英家教网 > 初中物理 > 题目详情
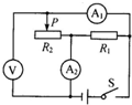
精英家教网如图所示电路,电源电压不变,闭合开关s,将滑片P向右移动,下列说法正确的是(  )
分析:由电路图可知,两电阻并联,电压表V测电源的电压,电流表A1测滑动变阻器支路的电流,A2测干路电流;根据电源的电压确定电压表示数的变化,根据滑片的移动确定该支路电阻的变化,根据欧姆定律可知该支路电流的变化,进一步根据欧姆定律可知电压表V与电流表A1比值的变化;根据并联电路的特点可知通过定值电阻电流的变化,利用并联电路的电流特点可知干路电流的变化.
解答:解:由电路图可知,两电阻并联,电压表V测电源的电压,电流表A1测滑动变阻器支路的电流,A2测干路电流;
∵电源的电压不变,
∴电压表V的示数不变;
∵滑动变阻器的滑片P向右移动时,接入电路的电阻变小,
∴根据I=
U
R
可知,该支路的电流变大,即电流表A1的示数变大(故A正确);
∴电压表V与电流表A1比值变小(故C正确、D不正确);
∵并联电路各支路独立工作、互不影响,
∴通过R2的电流不变,
∵并联电路干路电流等于各支路电流之和,
∴电流表A2的示数变大,故B不正确.
故选AC.
点评:本题关键:一是分析电路图得出电路连接方式和三个电表的测量对象,二是会分析滑动变阻器滑片移动对电路的影响.
练习册系列答案
相关习题

科目:初中物理 来源: 题型:

(2012?延庆县一模)如图所示电路,电源两端电压保持不变,闭合开关S,断开开关S1,调节滑动变阻器R2的滑片P使其接入电路的电阻值为其最大值的一半,电压表V1的示数为U1,电流表的示数为I1;闭合开关S、S1,此时小灯泡L正常发光,电流表的示数为I2;闭合开关S,断开开关S1,调节滑动变阻器R2滑片P至B端,电压表V2的示数为U2,再调节滑动变阻器R2的滑片P使接入电路的电阻值为其最大值的3/4,此时电路消耗的总功率P为1W.已知:
I1
I2
=
2
5
U1
U2
=
6
5
,忽略温度对灯丝电阻的影响.求:
(1)电阻R1和灯丝电阻RL的比值;
(2)小灯泡L的额定电功率.

查看答案和解析>>

科目:初中物理 来源: 题型:

(2012?海沧区模拟)如图所示电路,电源电压为6V.闭合开关,电阻R两端的电压为2V,电路中的电流为0.2A.求:
(1)电阻R的阻值;
(2)小灯泡L 10S消耗的电功.

查看答案和解析>>

科目:初中物理 来源: 题型:

如图所示电路,电源电压保持不变,电流表的量程为0~0.6A,电表使用的是0~3V量程,定值电阻的阻值为R1=8Ω,灯泡的电阻R2=5Ω,滑动变阻器的最大阻值R3=20Ω.
(1)开关S1闭合,S2断开,电流表示数为0.25A,电压表的示数为2.5V,求电源电压和滑动变阻器接入电路中的电阻值.
(2)开关S1断开,S2闭合,移动变阻器的滑片P,为了保证电流表和电压表不损坏,滑动变阻器接入电路中的阻值变化范围是多少?

查看答案和解析>>

科目:初中物理 来源: 题型:

如图所示电路,电源电压保持不变,滑动变阻器为保护电阻,为了保证电流表、电压表及小灯泡均不被烧坏,实际操作中只允许电流表中的电流读数在O.1A~0.4A范围内变化,电压表中的电压读数在1V~2.5V之间变化.求:
(1)滑动变阻器的阻值变化范围是多大?
(2)电源电压和小灯泡电阻值多大.

查看答案和解析>>

科目:初中物理 来源: 题型:

精英家教网如图所示电路,电源电压保持不变,电键S闭合,电路正常工作.
(1)若用一根导线连接A、B、C、D四点中的两点,则连接
 
两点会造成电路中一个电表示数变为零.
(2)电路正常工作了一段时间后,电路中灯L、电阻R发生了故障,若造成电路中只有一个电表有示数,则可能是
 
电表有示数.可能的故障是:
 
(写出所有可能故障).
若造成电路中只有一个电表无示数,则可能是
 
无示数.

查看答案和解析>>

同步练习册答案