精英家教网 > 初中物理 > 题目详情
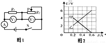
如图所示电路,电源电压保持不变,当闭合开关S,调节滑动变阻器阻值从最大变化到最小,两个电阻的“U-I”关系图象如图所示.则下列判断正确的是( )
A.电源电压为10V
B.定值电阻R1的阻值为20Ω
C.滑动变阻器R2的阻值变化范围为0~10Ω
D.变阻器滑片在中点时,电流表示数为0.3A
【答案】分析:从“U-I”关系图象可以看出,甲为滑动变阻器的关系图象,因为最后电压变为0,此时滑动变阻器的电阻为0;乙为电阻R1的图象,当滑动变阻器的阻值最大时,两电阻串联,电流相等,从图象可以看出,电流相等时为I=0.3A,滑动变阻器两端的电压为3V,电阻R1的电压为3V,电源电压为两电压之和,根据欧姆定律可求电阻R1的电阻和滑动变阻器的最大阻值,
当滑片在中点时,滑动变阻器接入电路电阻为滑动变阻器总阻值的一半,和电阻R1串联,根据欧姆定律求出此时电路的电流.
解答:解:当滑动变阻器的阻值最大时,两电阻串联,干路电流最小:I=0.2A,电阻R1的电压U1=2V,滑动变阻器两端的电压U2=4V;
所以电源电压U=U1+U2=2V+4V=6V,故A错误.
定值电阻R1的阻值为R1===10Ω,故B错误.
滑动变阻器的阻值最大为R2===20Ω,
所以滑动变阻器R2的阻值变化范围为0~20Ω,故C错误.
变阻器滑片在中点时,滑动变阻器接入电路的电阻为10Ω,此时R1、R2的阻值相同,分得的电压相同,从图上看,此时电流表的示数为I=0.3A.
故选D.
点评:本题考查串联电路电流和电压的规律以及滑动变阻器的使用,关键是欧姆定律的应用,要明白电路各个用电器的连接情况,还要会看“U-I”关系图象.
练习册系列答案
相关习题

科目:初中物理 来源: 题型:

(2012?延庆县一模)如图所示电路,电源两端电压保持不变,闭合开关S,断开开关S1,调节滑动变阻器R2的滑片P使其接入电路的电阻值为其最大值的一半,电压表V1的示数为U1,电流表的示数为I1;闭合开关S、S1,此时小灯泡L正常发光,电流表的示数为I2;闭合开关S,断开开关S1,调节滑动变阻器R2滑片P至B端,电压表V2的示数为U2,再调节滑动变阻器R2的滑片P使接入电路的电阻值为其最大值的3/4,此时电路消耗的总功率P为1W.已知:
I1
I2
=
2
5
U1
U2
=
6
5
,忽略温度对灯丝电阻的影响.求:
(1)电阻R1和灯丝电阻RL的比值;
(2)小灯泡L的额定电功率.

查看答案和解析>>

科目:初中物理 来源: 题型:

(2012?海沧区模拟)如图所示电路,电源电压为6V.闭合开关,电阻R两端的电压为2V,电路中的电流为0.2A.求:
(1)电阻R的阻值;
(2)小灯泡L 10S消耗的电功.

查看答案和解析>>

科目:初中物理 来源: 题型:

如图所示电路,电源电压保持不变,电流表的量程为0~0.6A,电表使用的是0~3V量程,定值电阻的阻值为R1=8Ω,灯泡的电阻R2=5Ω,滑动变阻器的最大阻值R3=20Ω.
(1)开关S1闭合,S2断开,电流表示数为0.25A,电压表的示数为2.5V,求电源电压和滑动变阻器接入电路中的电阻值.
(2)开关S1断开,S2闭合,移动变阻器的滑片P,为了保证电流表和电压表不损坏,滑动变阻器接入电路中的阻值变化范围是多少?

查看答案和解析>>

科目:初中物理 来源: 题型:

如图所示电路,电源电压保持不变,滑动变阻器为保护电阻,为了保证电流表、电压表及小灯泡均不被烧坏,实际操作中只允许电流表中的电流读数在O.1A~0.4A范围内变化,电压表中的电压读数在1V~2.5V之间变化.求:
(1)滑动变阻器的阻值变化范围是多大?
(2)电源电压和小灯泡电阻值多大.

查看答案和解析>>

科目:初中物理 来源: 题型:

精英家教网如图所示电路,电源电压保持不变,电键S闭合,电路正常工作.
(1)若用一根导线连接A、B、C、D四点中的两点,则连接
 
两点会造成电路中一个电表示数变为零.
(2)电路正常工作了一段时间后,电路中灯L、电阻R发生了故障,若造成电路中只有一个电表有示数,则可能是
 
电表有示数.可能的故障是:
 
(写出所有可能故障).
若造成电路中只有一个电表无示数,则可能是
 
无示数.

查看答案和解析>>

同步练习册答案