精英家教网 > 初中物理 > 题目详情
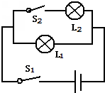
20.根据如图所示的实物图在右边空白处画出电路图.

分析 两个灯泡并联,S1控制整个电路,S2控制灯L2,根据实物图画出电路图.

解答 解:该电路并联,有两条路径,其一是:正极→S1→S2→L2→负极;另一条是:正极→S1→L1→负极.电路图见下图:

点评 会识别串联电路和并联电路,知道电路中各元件的作用,会根据实物图完成电路图.

练习册系列答案
相关习题

科目:初中物理 来源: 题型:解答题

10.把质量为0.5kg的金属块的温度从20℃升高到80℃,若已知吸收的热量是2.64×104J,这种金属的比热容是多少?

查看答案和解析>>

科目:初中物理 来源: 题型:填空题

11.声音是由物体振动产生的,它的传播离不开介质.

查看答案和解析>>

科目:初中物理 来源: 题型:解答题

8.探究“物体的动能与势能”
(1)在探究“物体动能的大小与哪些因素有关”的实验中,让质量不同的铁球从斜面的同一高度由静止释放,撞击同一木块,能将木块撞出一段距离.如图1所示.请回答下列问题:
①从同一高度由静止释放的目的是保持速度相同_,该实验的目的是研究铁球的动能大小与质量(选填“质量”或“速度”)的关系.该实验铁球的速度是指铁球从斜面由静止滚下到水平面与木块碰撞前(选填“前”、“后”或“前、后均可”)的速度,它是通过高度(选填“高度”或“质量”)来改变的.
该实验是通过观察木块被撞后移动的距离,来判断出铁球(“铁球”或“木块”)具有的动能的大小.
②图2是高速公路的限速牌,但是不同车型的车限速却不一样,限制车速实际上是限制车的质量.
(2)探究物体的重力势能(甲、乙、丙三物体的质量关系为:m=m<m,木桩起始位置高度相同)
①比较图3中A、B两木桩扎入沙坑的深度,可以得出的结论是:质量一定时,物体的高度越大,具有的重力势能就越大.
②若图3中B、C两木桩扎入沙坑的深度相同,能(选填“能”、“不能”)说明乙、丙的重力势能相同,你的理由是乙、丙对木桩所做的功相同.
(3)图4是上海“明珠线”某轻轨车车站的设计方案图,与站台连接的轨道有一定的坡度.请你从节能的角度分析这样设计的优点.车进站时的部分动能转化为重力势能,减小因刹车消耗的机械能(动能);车出站时储存的重力势能又转化为动能,起到节能的作用.

查看答案和解析>>

科目:初中物理 来源: 题型:填空题

15.用嘴“吹气”能使开水尽快变凉,这是因为吹气时可以加快开水表面空气流动速度,从而加快液体的蒸发,使水温降低.

查看答案和解析>>

科目:初中物理 来源: 题型:选择题

5.下列说法错误的是(  )
A.如果一个物体能吸收所有色光,则该物体呈现白色
B.如果一个物体能透过所有色光,则该物体是无色透明的
C.彩虹是太阳光传播中被空中水滴色散而产生的
D.普通彩色电视机画面的颜色是由红、绿、蓝三原色光混合而成的

查看答案和解析>>

科目:初中物理 来源: 题型:填空题

12.木炭的热值是3.4×107J/kg,0.5kg木炭完全燃烧所放出的热量是1.7×107J.

查看答案和解析>>

科目:初中物理 来源: 题型:填空题

9.如果你在书写时手感到比较凉,可以把手放在离嘴2cm的地方,向手心呵气,手会感到有点暖和,同时手上会有少许非常细小的水珠,这是发生液化(填物态变化名称,下同)现象放热的原因;把你的手心放在离嘴20cm左右的距离,向手心吹气,则会感到手更凉,这是发生汽化现象吸热的原因.

查看答案和解析>>

科目:初中物理 来源: 题型:填空题

10.小明用嘴紧贴着小空瓶子的瓶口,吸一口气后,空瓶就能“挂”在嘴唇上,于是他思考大气压非常大,那么为什么人体没有被压瘪?你的观点是因为人体内部与外部是相通的,形成内部压力与人体表形成的压力平衡,虽然人的血液等也有压力但人类的机体结构已经适应这种压力,所以不会出现被压瘪.

查看答案和解析>>

同步练习册答案