精英家教网 > 初中物理 > 题目详情
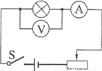
小华用如图所示的电路测小灯泡功率.电路中电源电压恒为4.5V,电压表的量程为O~3V,电流表的量程为0~0.6A,滑动变阻器的规格为“20Ω 1A”,灯泡标有“2.5V 1.25W”字样.若闭合开关,两电表的示数均不超过所选量程,灯泡两端电压不允许超过额定值,不考虑灯丝电阻的变化,则下列说法正确的是( )

A.电流表示数的变化范围是O~0.5A
B.滑动变阻器的电阻允许调节的范围是2.5~20Ω
C.灯泡的最小功率是0.162W
D.该电路的最大功率是2.7W
【答案】分析:(1)从图中可知,灯泡L与滑动变阻器串联,电压表测量灯泡电压,电流表测量灯泡电流;
(2)两电表的示数均不超过所选量程,灯泡两端电压不允许超过额定值,意思就是说电压表示数不超2.5V,电流表示数不超0.6A;
(3)根据各选项的要求,结合欧姆定律和电功率的内容进行相关计算,就可判断各选项正误.
解答:解:根据灯泡的规格“2.5V 1.25W”,求得灯泡的电阻R===5Ω,灯丝的电阻不改变;
A、①电流表测量灯泡的电流,灯泡两端电压不允许超过额定值,也就是电路中的电流最大为灯泡的额定电流,
即电流最大值I最大=I===0.5A;
②滑动变阻器接入阻值最大时,电路中的电流最小,即电流最小值I最小===0.18A.
故电流表示数的变化范围是0.18A~0.5A,因此该选项不正确.
B、①滑动变阻器允许接入的最大值为20Ω;
②电路中电流最大为0.5A,根据串联电路电阻的特点,滑动变阻器允许接入的最小阻值为:
R滑最小=-R=-5Ω=4Ω
故滑动变阻器接入的阻值范围是4Ω~20Ω,因此该选项不正确.
C、电路中的电流最小时,灯泡的电功率最小,
∴灯泡的最小功率P灯最小=I最小2R=(0.18A)2×5Ω=0.162W
灯泡的最小功率为0.162W,因此该选项正确.
D、电路中的电流最大时,电路的总功率最大,等于总电压和电流的乘积,
即P总最大=UI最大=4.5V×0.5A=2.25W
故电路最大功率为2.25W,因此该选项不正确.
故选C.
点评:(1)本题综合性较强,考查的内容较多,会用欧姆定律计算,会用电功率公式计算,知道串联电路的电压、电流、电阻规律;
(2)解决此类问题,没有好办法,只能逐项分析计算,通过结果判断正误.
练习册系列答案
相关习题

科目:初中物理 来源: 题型:

(2011?厦门)小华用如图所示的电路,研究通过导体的电流与电阻的关系.电源电压不变.
实验次序 1 2 3 4 5
R/Ω 10 20 30 40 50
I/A 0.6 0.3 0.2 0.12
(1)实验过程中,小华每次改变电阻箱R的阻值后,通过调节
滑动变阻器
滑动变阻器
,始终保持
电压表
电压表
示数不变.
(2)上表是小华实验过程记录的数据,可以初步得出的实验结论是
在电压一定时,通过导体的电流与导体的电阻成反比
在电压一定时,通过导体的电流与导体的电阻成反比

(3)小华做第4次实验时,将电阻箱R的组织从30Ω调为40Ω后,就直接记录电流表示数.这个示数可能是
B
B

A.0.2A          B.0.17A          C.0.15A          D.0.13A
(4)小华对表格数据进行转换处理后,在坐标系中画出一条正比例函数图线.该坐标系是以电流I为纵坐标,以
1
R
1
R
为横坐标建立的.

查看答案和解析>>

科目:初中物理 来源: 题型:

小华用如图所示的电路,研究通过导体的电流与电阻的关系.
(1)电源电压不变.实验过程中,小华每次改变电阻箱R的阻值后,通过调节
滑动变阻器
滑动变阻器
,始终保持
电压表
电压表
示数不变.
(2)下表是小华实验过程记录的数据,可以初步得出的实验结论是.
实验次序 1 2 3 4 5
R/Ω 10 20 30 40 50
I/A 0.6 0.3 0.2 0.12
(3)小华做第4次实验时,将电阻箱R的组织从30Ω调为40Ω后,就直接记录电流表示数.这个示数可能是
C
C

A.0.2A          B.0.17A          C.0.15A          D.0.13A
(4)实验过程中,突然,电流表示数为0,而电压表有示敷,那么发生的故障是
灯泡断路
灯泡断路

查看答案和解析>>

科目:初中物理 来源: 题型:

小华用如图所示的电路,研究通过导体的电流与电阻的关系.电源电压不变.下表是小华实验过程记录的数据,若小华做第4次实验时,将电阻箱R的阻值从30Ω调为40Ω后,就直接记录电流表示数.这个示数可能是(  )
实验次序 1 2 3 4 5
R/Ω 10 20 30 40 50
I/A 0.6 0.3 0.2 0.12

查看答案和解析>>

科目:初中物理 来源: 题型:

小华用如图所示的电路测小灯泡功率.电路中电源电压恒为4.5V,电压表的量程为O~3V,电流表的量程为0~0.6A,滑动变阻器的规格为“20Ω lA”,灯泡标有“2.5V 1.25W”字样.若闭合开关,两电表的示数均不超过所选量程,灯泡两端电压不允许超过额定值,不考虑灯丝电阻的变化,则下列说法正确的是(  )

查看答案和解析>>

科目:初中物理 来源: 题型:

小华用如图所示的电路,研究“通过导体的电流与电压、电阻的关系”,电源电压不变.
A.在探究“电流与电压关系”步骤中,选定某一定值电阻进行实验,“多次移动滑片”的目的是
改变定值电阻两端的电压
改变定值电阻两端的电压

B.在探究“电流与电阻关系”步骤中.
(1)每次改变电阻箱R的阻值后,要进行的操作是
移动滑动片保持电压表读数不变
移动滑动片保持电压表读数不变
,记下电流表示数.
(2)在做第4次实验时,将电阻箱R的阻值从30Ω调为40Ω后,就直接记录电流表示数.这个示数可能是
B
B

A.0.2A                   B.0.17A                 C.0.15A              D.0.13A
(3)正确实验并记录了数据,可以初步得出的实验结论是
在电压一定时,电流和电阻成反比
在电压一定时,电流和电阻成反比

实验次序 1 2 3 4 5
R/Ω 10 20 30 40 50
I/A 0.6 0.3 0.2 0.12

查看答案和解析>>

同步练习册答案