精英家教网 > 初中物理 > 题目详情
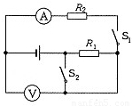
如图所示的电路中,R1、R2均为定值电阻.电源电压不变.闭合开关S1、S2,两电表均有示数;再断开开关S2,则电流表示数    ,电压表示数    (本题每空均选填“变大”、“变小”或“不变”),此时电压表测    电压.
【答案】分析:(1)分析电路结构,画出两种情况下的等效电路图;
(2)根据各电表所测量的量,根据欧姆定律作出判断.
解答:解:(1)开关S1、S2都闭合时的等效电路图如图一所示;开关S1闭合,S2断开时的等效电路图如图二所示;
(2)由等效电路图知,断开开关S2时,电路总电阻R变大,电源电压U不变,由I=知电路电流减小,电流表示数变小;
电压表原来测电源两端电压,现在测电阻R2两端的电压,电压表示数小于电源电压,示数变小;
故答案为:变小;变小;R2
点评:本题是一道闭合电路的动态分析题,分析清楚电路结构、明确各电路元件的连接方式,灵活应用欧姆定律是正确解题的关键.
练习册系列答案
相关习题

科目:初中物理 来源: 题型:

17、如图所示的电路中,R为定值电阻,R1为滑动变阻器,当变阻器的滑片P由中点c向b端滑动时,电流表和电压表的示数变化情况是(  )

查看答案和解析>>

科目:初中物理 来源: 题型:

(2010?平房区一模)如图所示的电路中,R为用电器,电压U不变,开关S闭合后,下列说法正确的是(  )

查看答案和解析>>

科目:初中物理 来源: 题型:

在如图所示的电路中,R=3.0kΩ,电源两端的电压不变,S1闭合,S2断开时,电压表的示数为1.0V;当S1和S2都闭合时,电压表的示数为3.0V.求电压表的电阻值.

查看答案和解析>>

科目:初中物理 来源: 题型:

(2008?昌平区二模)如图所示的电路中,R为滑动变阻器,R1、R2为定值电阻,且R1>R2,E为电压恒定的电源,当滑动变阻器的滑片滑动时,通过R、R1、R2的电流将发生变化,电流变化值分别为△I、△I1、△I2表示,则(  )

查看答案和解析>>

科目:初中物理 来源: 题型:

精英家教网在如图所示的电路中,R=12Ω,R′的最大阻值为18Ω,当开关闭合时,滑片P位于最左端时电压表的示数为6V,那么当滑片P位于最右端时:
(1)通过R的电流是多少?
(2)电压表的示数是多少?

查看答案和解析>>

同步练习册答案