精英家教网> 2024年可编程序控制器及其应用 > 第24页 参考答案

2024年可编程序控制器及其应用

注:目前有些书本章节名称可能整理的还不是很完善,但都是按照顺序排列的,请同学们按照顺序仔细查找。练习册2024年可编程序控制器及其应用答案主要是用来给同学们做完题方便对答案用的,请勿直接抄袭。

用户反馈

×

版本太老

答案不全

图片不清晰或被遮挡

图片排序混乱

其他原因

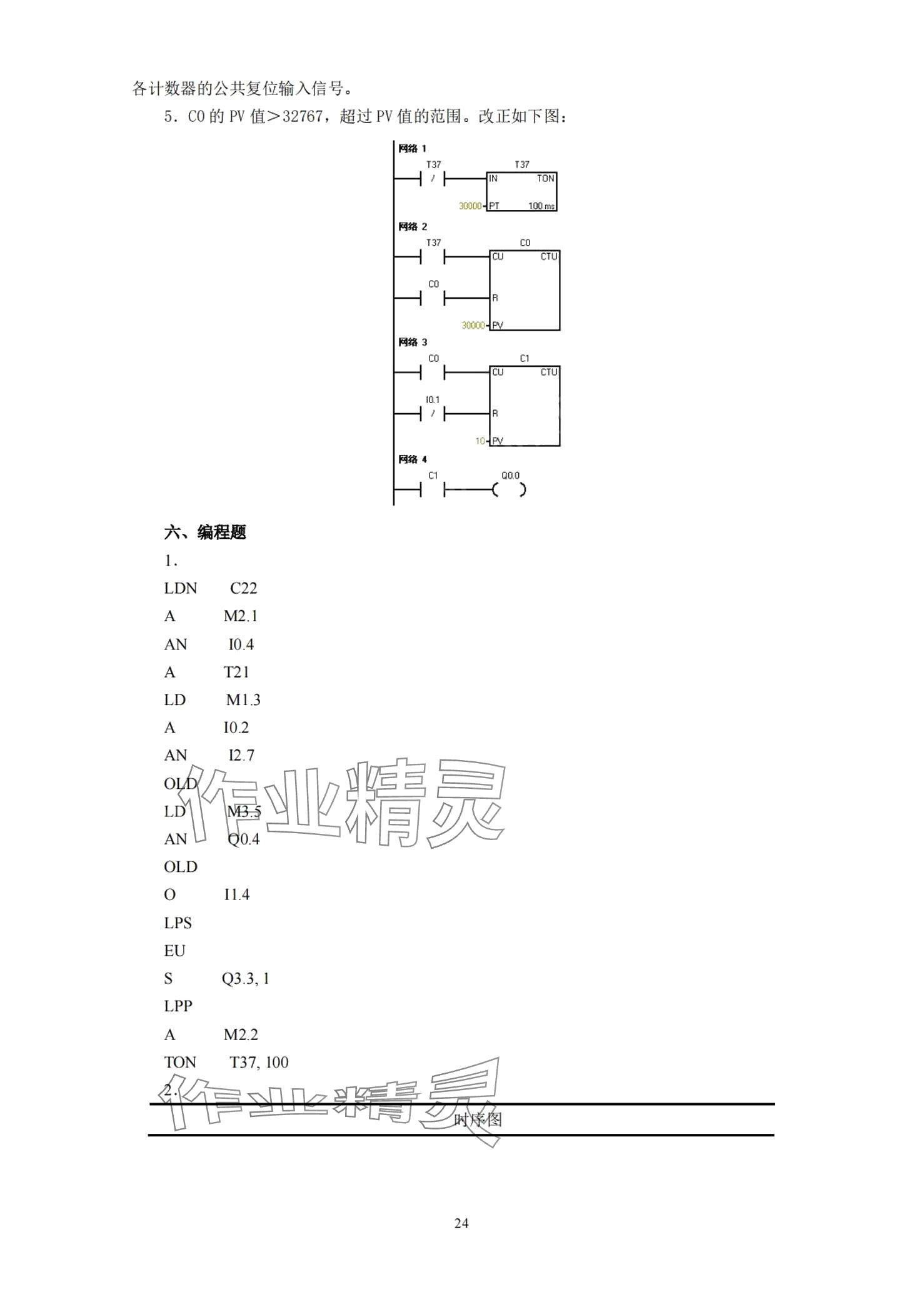
2024年可编程序控制器及其应用 第24页