精英家教网 > 高中物理 > 题目详情

若汽车的加速度方向与速度方向一致,当加速度减小时,则(    )                            

    A.  汽车的速度也减小

    B.  汽车的速度仍在增大

    C.  当加速度减小到零时,汽车静止

    D.  当加速度减小到零时,汽车的速度达到最大

                                                                                                                                  

练习册系列答案
相关习题

科目:高中物理 来源: 题型:


联合国安理会每个常任理事国都拥有否决权,假设设计一个表决器,常任理事国投反对票时输入“0”,投赞成或弃权时输入“1”,提案通过为“1”,通不过为“0”,则这个表决器应具有哪种逻辑关系(     )                                          

    A.     “与”门       B.           “非”门    C. “或”门     D. “与非”门

                                                                                                                                       

查看答案和解析>>

科目:高中物理 来源: 题型:


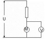
如图所示,是一提升重物用的直流电动机工作时的电路图,电动机的内阻r=0.8Ω,电路中另一电阻R=10Ω,直流电压U=160V,电压表的示数UV=110V.试求:                                                                                     

(1)通过电动机的电流?                                                                                              

(2)输入电动机的电功率?                                                                                          

(3)如果电动机以1m/s的速度匀速竖直向上提升重物,求该重物的质量是多少?(g=10m/s2)       

                                                                                               

                                                                                                                                      

查看答案和解析>>

科目:高中物理 来源: 题型:


关于重力加速度的说法中,不正确的是( )

A. 重力加速度g是标量,只有大小没有方向,通常计算中g取9.8m/s

B.在地球上不同的地方,g值的大小不同,但他们相差不是很大

C.在地球上同一地方,一切物体在自由落体运动中的加速度都相同

D.在地球上同一地方,离地面高度越高重力加速度g越小

查看答案和解析>>

科目:高中物理 来源: 题型:


跳水是一项优美的水上运动,如图所示是2008年北京奥运会跳水比赛中小将陈若琳和王鑫在跳台上腾空而起的英姿.运动员从离出水面10m的跳台向上跃起,举双臂直体离开台面,重心(此时其重心位于从手到脚全长的中点)升高0.45m达到最高点.落水时身体竖直,手先入水(在此过程中运动员水平方向的运动忽略不计),从离开跳台到手触水面,他可用于完成空中动作的时间是多长?(不计重力,g取10m/s2)       

                            

查看答案和解析>>

科目:高中物理 来源: 题型:


为了对付来自个别国家的威胁,伊朗在继“谢哈布﹣3”导弹试射成功后,继续研制具备远程打击能力的“谢哈布﹣4”和“谢哈布﹣5”导弹,其中“谢哈布﹣5”的射程可达5000千米,“谢哈布﹣3”型导弹长17米,可以携带重达800公斤的弹头,如果在公路上机动发射,射程可达1500千米.

(1)假设某国的高空侦察机频繁进入伊朗上空侦察,若一架高空侦察机正以300m/s的速度向伊朗某城市飞来,它将通过该城市上空的A点,伊朗某导弹基地通过雷达探测到该侦察机在做匀速直线运动,在侦察机离A点尚有一段距离时发射“谢哈布﹣3”导弹,导弹以80m/s2的加速度做匀加速直线运动,以1200m/s的速度在A点击中该侦察机,则导弹发射后击中敌机所需的时间为

A.3.75s B.15s C.30s D.45s

(2)当该侦察机离A点的距离为下列哪一数值时导弹基地发射导弹正好击中敌机

A.300m B.1 200m C.4500m D.18000m.

查看答案和解析>>

科目:高中物理 来源: 题型:


平面内作用于同一点的四个力若以力的作用点为坐标原点,有F1=5N,方向沿x轴的正向;F2=6N,沿y轴正向;F3=4N,沿x轴负向;F4=8N,沿y轴负向,以上四个力的合力方向指向( )

  A.第一象限 B.第二象限 C.第三象限 D.第四象限

查看答案和解析>>

科目:高中物理 来源: 题型:


如图所示,重力为500N的人使用跨过定滑轮轻绳拉重为200N的物体,当绳与水平面成60°角时,物体静止.不计滑轮与绳的摩擦,求地面对人的支持力和摩擦力.                                         

                                                                            

                                                                                                        

查看答案和解析>>

科目:高中物理 来源: 题型:


如图在光滑水平面上放一长为L的小车,车的左端有一质量m的木块,两者间动摩擦因数为μ.当物体在水平力F作用下从左端滑至右端时,在车固定和可自由滑动的两情况下

A.两次物体所受的摩擦力相同

B.两次力F所做的功相同   

C.因摩擦消耗的机械能相同  

D.物体获得的动能相同

查看答案和解析>>

同步练习册答案