精英家教网 > 高中物理 > 题目详情
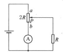
如图所示电路,电源电动势为ε,电源内阻r和定值电阻的阻值相等,滑动变阻器的总电阻为2R,在滑动变阻器的滑片P从上端a移到下端b的过程中,aP间的电阻从小到大,求:(1)通过电流表的电流强度IAaP间的电阻值Rx变化的关系式。(2)IA的最大值和最小值。

 

答案:见详解
解析:

(1)(2)

 


提示:

闭合电路的欧姆定律的应用。

 


练习册系列答案
相关习题

科目:高中物理 来源: 题型:

如图所示电路,电源电压不变,已知:电阻R1的电阻值为1Ω,电阻R2的阻值为3Ω,则电流表 1 和电流表 2 的示数比为(  )

查看答案和解析>>

科目:高中物理 来源: 题型:

如图所示电路,电源电动势为E,内阻为r,Rt为光敏电阻(光照强度增加时,其电阻值减小).现增加光照强度,则下列判断正确的是(  )

查看答案和解析>>

科目:高中物理 来源: 题型:

如图所示电路,电源电动势E=12.0V,内电阻r=2.0Ω,R1=40Ω,R2=20Ω,R3=12Ω,R4=10Ω.电压表和电流表都是理想电表.图中两电表示数各是多大?

查看答案和解析>>

科目:高中物理 来源: 题型:

如图所示电路,电源电动势为E,具有一定内阻,最初开关闭合,电容器上极板带正电,则下列说法中正确的是(       )  

  A   初始时一定有          

   B  增大R1可能使电容器不带电

C  减小R1的过程中,通过a点的电流方向向上

D  减小R1可使M和N两点的电势均升高。

查看答案和解析>>

科目:高中物理 来源:2012届度福建省福州市高三物理第一学期期末质量检查物理卷 题型:选择题

如图所示电路,电源电动势为E,内阻为r,尺。为光敏电阻(光照强度增加时,其电阻值减小)。现增加光照强度,则下列判断正确的是

A.B灯变暗,A灯变亮       B.R两端电压变大

C.电源路端电压不变        D.电源总功率不变

 

查看答案和解析>>

同步练习册答案