精英家教网 > 高中物理 > 题目详情

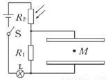
电源、开关S、定值电阻、灯泡L、光敏电阻和电容器连接成如图所示的电路,电容器的两平行板水平放置。当开关S闭合,并且无光照射光敏电阻时,一带电液滴恰好静止在电容器两板间的M点。当用强光照射时,光敏电阻的阻值变小,则(  )

A.灯泡亮度变暗

B.电容器两极板间电压变小

C.电容器所带电荷量减小

D.液滴向上运动

 

【答案】

D

【解析】

试题分析:当用强光照射光敏电阻时,光敏电阻的阻值变小,电路中电流增大,由知灯泡的功率增大,将变亮,选项A错误.两端间的电压增大,则电容器的电压增大,选项B错误.由电容器的电量知电荷量增大,选项C错误.电容器板间场强增大,液滴所受的电场力(方向向上)增大,故液滴向上运动,选项D正确.故选D.

考点:本题考查了电容器的动态分析、闭合电路的欧姆定律、部分电路的欧姆定律、匀强电场.

 

练习册系列答案
相关习题

科目:高中物理 来源: 题型:

电源、开关S、S′、定值电阻R1、光敏电阻R2和电容器连接成如图所示电路,电容器的两平行板水平放置.当开关S、S′闭合,并且无光照射光敏电阻R2时,一带电液滴恰好静止在电容器两板间的M点.当用强光照射光敏电阻R2时,光敏电阻的阻值变小,则(  )

查看答案和解析>>

科目:高中物理 来源: 题型:阅读理解

(2011?自贡模拟)(1)与打点计时器一样,光电计时器也是一种研究物体运动情况的常用计时仪器,其结构如图(1)甲所示,a、b分别是光电门的光发射和接收装置,当有物体从a、b间通过肘,光电计时器就可以显示物体的挡光时间.现利用图(1)乙所示装置测量滑块和长木板间的动摩擦因数,图中MN是水平桌面,Q是木板与桌面的接触点,1和2是固定在木板上适当位置的两个光电门(与之连接的两个光电计时器没有画出).在木板顶端的P点还悬挂着一个铅锤.让滑块从木板的顶端滑下,光电门1、2各自连接的计时器显示的挡光时间分别为5.0×10-2s和2.0×10-2s.用游标卡尺测量小滑块的宽度d,卡尺示数如图(1)丙所示.
①读出滑块的宽度d=
5.015
5.015
cm
②滑块通过光电门1的速度V1=
1.0
1.0
m/s,滑块通过光电门2的速度V2=
2.5
2.5
m/s(结果保留两位有效数字).
③若仅提供一把米尺,已知当地的重力加速度为g,为完成实验,除了测出V1V2和两个光电门之间的距离L外,还需测量的物理量是
P点到桌面高度h,重锤在桌面上所指的点与Q点的距离a,斜面的长度s
P点到桌面高度h,重锤在桌面上所指的点与Q点的距离a,斜面的长度s
写明代表物理量的字母)
④动摩擦因数的表达式u=
h
a
-
(v2-v12)s
2Lga
h
a
-
(v2-v12)s
2Lga

(2)某同学在实验室测定一节干电池的电动势和内阻.实验室中有如下器材:
A、待测干电池
B、电流表G((0-3mA,内电阻r1=20Ω)
C、电流表A(0-0.6A,内电阻r2=0.2Ω)     
D、滑动变阻器甲(最大阻值10Ω)
E、滑动变阻器乙(最大阻值100Ω)       
F、定值电阻值=100Ω
G、定值电組R2=5OOΩ                       
H、定值电阻R3=1.5kΩ
以及导线和开关.
由于没有电压表,为此他设计了图2

所示的电路完成了实验要求的测量.
①为了方便并能较准裤地测暈,滑动变阻器应选
D
D
定值电阻应选
G
G
.(填写各器材前的序号)
②若某次测量中电流表G的示数为I1,电流表A的示数为I2改变滑动变阻器滑片的位置后,电流表G的示数为I1,电流表A的示数为I2.则可知此电源的内阻r=
(I1-I1)(R2+r1)
I1+I2-I1-I2
(I1-I1)(R2+r1)
I1+I2-I1-I2
,电动势E=
(I1′I2-I1I2′)(R2+r1)
I1+I2-I1-I2
(I1′I2-I1I2′)(R2+r1)
I1+I2-I1-I2

查看答案和解析>>

科目:高中物理 来源: 题型:

(2013湖南省怀化市期末)电源、开关S、S′、定值电阻R1、光敏电阻R2和电容器连接成如图所示电路,电容器的两平行板水平放置。当开关S、S′闭合,并且无光照射光敏电阻R2时,一带电液滴恰好静止在电容器两板间的M点。当用强光照射光敏电阻R2时,光敏电阻的阻值变小,则

A.液滴向下运动     

B.液滴向上运动

C.R2两端的电势差是否升高无法分析

D.当光照强度不变时断开S′,把电容器的上极板向上移一小段距离,则上极板的电势比A点的电势高

查看答案和解析>>

科目:高中物理 来源:2012-2013学年湖南省怀化市高三上学期期末考试物理试卷(解析版) 题型:选择题

电源、开关S、S′、定值电阻R1、光敏电阻R2和电容器连接成如图所示电路,电容器的两平行板水平放置。当开关S、S′闭合,并且无光照射光敏电阻R2时,一带电液滴恰好静止在电容器两板间的M点。当用强光照射光敏电阻R2时,光敏电阻的阻值变小,则

A.液滴向下运动

B.液滴向上运动

C.R2两端的电势差是否升高无法分析

D.当光照强度不变时断开S′,把电容器的上极板向上移一小段距离,则上极板的电势比A点的电势高

 

查看答案和解析>>

科目:高中物理 来源:2011年四川省自贡市高考物理三诊试卷(解析版) 题型:解答题

(1)与打点计时器一样,光电计时器也是一种研究物体运动情况的常用计时仪器,其结构如图(1)甲所示,a、b分别是光电门的光发射和接收装置,当有物体从a、b间通过肘,光电计时器就可以显示物体的挡光时间.现利用图(1)乙所示装置测量滑块和长木板间的动摩擦因数,图中MN是水平桌面,Q是木板与桌面的接触点,1和2是固定在木板上适当位置的两个光电门(与之连接的两个光电计时器没有画出).在木板顶端的P点还悬挂着一个铅锤.让滑块从木板的顶端滑下,光电门1、2各自连接的计时器显示的挡光时间分别为5.0×10-2s和2.0×10-2s.用游标卡尺测量小滑块的宽度d,卡尺示数如图(1)丙所示.
①读出滑块的宽度d=______cm
②滑块通过光电门1的速度V1=______m/s,滑块通过光电门2的速度V2=______m/s(结果保留两位有效数字).
③若仅提供一把米尺,已知当地的重力加速度为g,为完成实验,除了测出V1V2和两个光电门之间的距离L外,还需测量的物理量是______写明代表物理量的字母)
④动摩擦因数的表达式u=______
(2)某同学在实验室测定一节干电池的电动势和内阻.实验室中有如下器材:
A、待测干电池
B、电流表G((0-3mA,内电阻r1=20Ω)
C、电流表A(0-0.6A,内电阻r2=0.2Ω)     
D、滑动变阻器甲(最大阻值10Ω)
E、滑动变阻器乙(最大阻值100Ω)       
F、定值电阻值=100Ω
G、定值电組R2=5OOΩ                       
H、定值电阻R3=1.5kΩ
以及导线和开关.
由于没有电压表,为此他设计了图2

所示的电路完成了实验要求的测量.
①为了方便并能较准裤地测暈,滑动变阻器应选______定值电阻应选______.(填写各器材前的序号)
②若某次测量中电流表G的示数为I1,电流表A的示数为I2改变滑动变阻器滑片的位置后,电流表G的示数为I1,电流表A的示数为I2.则可知此电源的内阻r=______,电动势E=______.

查看答案和解析>>

同步练习册答案