精英家教网 > 高中物理 > 题目详情

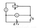
某同学需要测定某干电池的电动势和内电阻。已知干电池的电动势约为1.5 V,内阻小于4Ω;电压表(量程0~3V,内阻约3kΩ)、电流表(量程0~0.6A,内阻约1.0Ω)、滑动变阻器有R1(10Ω,2A)和R2(100Ω,0.1 A)各一只.

(1)实验中滑动变阻器应选用 (填“R1”或“R2”)。

(2)在甲图的方框中画出实验电路图。

(3)根据实验中测得多组电压和电流值,在U-I图象中描点得到的如图乙所示,由图可求出该电源电动势E= V;内阻r= Ω。

(1) R1

(2)画电路原理图

(3)1.5 V 1.25 Ω

【解析】

试题分析:(1)滑动变阻器在电路中起到保护电路并调节电流作用,在限流接法中取10Ω左右即可.过大则难以调节;过小起不到应有的调节作用,由题意可知,电源的内阻小于4Ω,故为了易于调节,准确测量,滑动变阻器应选小电阻R1;

(2)采用限流式电路;

(3)连结各点可得一条倾斜的直线。由闭合电路欧姆定律U=E-Ir及数学知识可知,图象与纵坐标的交点为电源的电动势,图象的斜率表示内源内电阻,故由图可知:电动势E=1.5V,r=1.25Ω。

考点:本题旨在考查测量电源的电动势和内阻。

练习册系列答案
相关习题

科目:高中物理 来源:2014-2015学年海南省高一上学期期末考试物理卷(解析版) 题型:计算题

将质量为的木块放在倾角为的斜面上,木块恰可沿斜面匀速下滑。现用一沿斜面的恒力F作用于木块,使之沿斜面向上做匀加速运动,如图所示,求木块的加速度。

查看答案和解析>>

科目:高中物理 来源:2014-2015学年福建省高一上学期期末考试物理卷(解析版) 题型:选择题

甲、乙两质点同时、同地点向同一方向作直线运动,它们的v-t图象如图所示,则:( )

A.乙始终比甲运动得快

B.乙在2s末追上甲

C.乙追上甲时距出发点40m远

D.4s内乙的平均速度大于甲的速度

查看答案和解析>>

科目:高中物理 来源:2014-2015学年福建莆田第二十四中学高二上期期末考试物理卷(解析版) 题型:选择题

如图所示,两根可自由移动的靠得很近的平行长直导线,通以相反方向的电流,且I1>I2,则两导线所受的安培力F1和F2的大小关系及其运动方向为( )

A.F1>F2,且相互靠近

B.F1<F2,且相互远离

C.F1=F2,且相互靠近

D.F1=F2,且相互远离

查看答案和解析>>

科目:高中物理 来源:2014-2015学年福建莆田第二十四中学高二上期期末考试物理卷(解析版) 题型:选择题

一块手机电池的背面印有如图所示的一些参数,另外在手机使用说明书上还写“通话时间3h,待机时间100h”,如果数据是真实的,则该手机通话时消耗的功率约为 ( )

A.1.8W B.0.6W C.3.6W D.1.2W

查看答案和解析>>

科目:高中物理 来源:2014-2015学年安徽马鞍山第二中学高二上学期期末考试物理卷(解析版) 题型:选择题

如图(a)所示,两平行正对的金属板A.B间加有如图(b)所示的交变电压,一重力可忽略不计的带正电粒子被固定在两板的正中间P处。若在t0时刻释放该粒子,粒子会时而向A板运动,时而向B板运动,并最终打在A板上。则t0可能属于的时间段是( )

A. B.

C. D.

查看答案和解析>>

科目:高中物理 来源:2014-2015学年安徽马鞍山第二中学高二上学期期末考试物理卷(解析版) 题型:选择题

两个分别带有电荷量和+的相同金属小球(均可视为点电荷),固定在相距为的两处,它们间库仑力的大小为F。两小球相互接触后将其固定距离变为r/2,则两球间库仑力的大小为( )

A. B. C. D.

查看答案和解析>>

科目:高中物理 来源:2014-2015学年江苏南通高三第一次调研测试物理卷(解析版) 题型:选择题

我国研制并成功发射了“嫦娥二号”探月卫星.若卫星在距月球表面高度为h的轨道上以速度v做匀速圆周运动,月球的半径为R,则

A.卫星运行时的向心加速度为

B.卫星运行时的角速度为

C.月球表面的重力加速度为

D.卫星绕月球表面飞行的速度为

查看答案和解析>>

科目:高中物理 来源:2014-2015学年湖北省荆门市高二上学期期末考试物理卷(解析版) 题型:计算题

如图所示的坐标系,在y轴左侧有垂直纸面、磁感应强度为B的匀强磁场。在x=L处,有一个与x轴垂直放置的屏,y轴与屏之间有与y轴平行的匀强电场。在坐标原点O处同时释放两个均带正电荷的粒子A和B,粒子A的速度方向沿着x轴负方向,粒子B的速度方向沿着x轴正方向。已知粒子A的质量为m,带电量为q,粒子B的质量是n1m,带电量为n2q(n1、n2均为正整数),释放瞬间两个粒子的速率满足关系式。若已测得粒子A在磁场中运动的半径为r,粒子B击中屏的位置到x轴的距离也等于r。粒子A和粒子B的重力均不计。

(1)若r、m、q、B已知,求vA。

(2)求粒子A和粒子B打在屏上的位置之间的距离(结果用r、n1、n2表示)。

查看答案和解析>>

同步练习册答案