精英家教网 > 高中物理 > 题目详情

2013年暑假期间,某学校课题研究小组为了撰写关于未知材料电阻率的实践报告,设计了一个测量电阻率(被测电阻丝的阻值约为25 Ω)的实验方案,可提供的器材有:

A. 电流表G,内阻Rg=120 Ω,满偏电流Ig=3 mA

B. 电流表A,内阻约为0.2 Ω,量程为0~0.6 A

C. 螺旋测微器

D. 电阻箱R0(0~9999 Ω,0.5 A)

E. 滑动变阻器R(5 Ω,1 A)

F. 干电池组(3 V,0.05 Ω)

G. 一个开关和导线若干

他进行了以下操作:

(1)用螺旋测微器测量电阻丝的直径,其示数部分如图甲所示,则该次测量测得直径d=________mm;

(2)把电流表G与电阻箱串联改装成电压表使用,最大测量电压为3 V,则电阻箱的阻值应调为R0=________Ω;

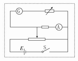
(3)请用改造完的电压表设计一个测量电阻率的实验电路,根据提供的器材和实验需要,请将图乙中电路图补画完整;

(4)实验数据的测量与电阻率的计算:如果电阻丝的长度用L表示,电路闭合后,调节滑动变阻器的滑片到合适位置,电流表G的示数为I1,电流表A的示数为I2,请用已知量和测量量写出计算电阻率的表达式ρ=________。


 (1)0.267(0.265~0.268)

(2)880

(3)如图所示

(4)


练习册系列答案
相关习题

科目:高中物理 来源: 题型:


如图所示,一倾角为30°的光滑斜面固定在地面上,一质量为m的小木块在水平力F的作用下静止在斜面上。若只改变F的方向不改变F的大小,仍使木块静止,则此时力F与水平面的夹角为(  )

A. 60°                 B. 45°

C. 30°                                          D. 15°

查看答案和解析>>

科目:高中物理 来源: 题型:


如图所示,装置BOO可绕竖直轴OO转动,可视为质点的小球A与两细线连接后分别系于BC两点,装置静止时细线AB水平,细线AC与竖直方向的夹角θ=37°。已知小球的质量m=1 kg,细线ACl=1 m,B点距C点的水平和竖直距离相等。(重力加速度g取10 m/s2,sin37°=,cos37°=)

 

(1)若装置匀速转动的角速度为ω1时,细线AB上的张力为0而细线AC与竖直方向的夹角仍为37°,求角速度ω1的大小;

(2)若装置匀速转动的角速度ω2 rad/s,求细线AC与竖直方向的夹角。

查看答案和解析>>

科目:高中物理 来源: 题型:


有四盏灯,如图所示连接在电路中,L1和L2都标有“220 V'100 W”字样,L3和L4都标有“220 V'40 W”字样,把电路接通后,最暗的是(  )

A. L1                   B. L2

C. L3                                            D. L4

查看答案和解析>>

科目:高中物理 来源: 题型:


如图所示电路,电源电动势为E,内阻为rRt为光敏电阻(光照强度增加时,其电阻值减小)。现增加光照强度,则下列判断正确的是(  )

A. B灯变暗,A灯变亮            B. R0两端电压变大

C. 电源路端电压不变              D. 电源总功率不变

查看答案和解析>>

科目:高中物理 来源: 题型:


已知长直通电导体棒在其周围某点产生磁场的磁感应强度与该导体棒中的电流成正比,与该点到导体棒的距离成反比。如图所示,abcd四根长直通电导体棒平行放置,它们的横截面构成一个正方形,O为正方形中心,abd中电流方向垂直纸面向里,c中电流方向垂直纸面向外,电流大小满足:IaIcId<Ib,则关于abcd长直通电导体棒在O点产生合磁场的方向可能是(  )

A. 由O点指向aOb区域

B. 由O点指向bOc区域

C. 由O点指向cOd区域

D. 由O点指向aOd区域

查看答案和解析>>

科目:高中物理 来源: 题型:


如图所示,在竖直向下的匀强磁场中,有两根竖直放置的平行导轨ABCD。导轨上放有质量为m的金属棒MN,棒与导轨间的动摩擦因数为μ。现从t=0时刻起,给棒通以图示方向的电流,且电流强度与时间成正比,即Ikt,其中k为恒量。若金属棒与导轨始终垂直,则在下列图所示的表示棒所受的摩擦力随时间变化的四幅图中,正确的是(  )

查看答案和解析>>

科目:高中物理 来源: 题型:


半径为r=0.5 m带缺口的刚性金属圆环在纸面上固定放置,在圆环的缺口两端引出两根导线,分别与两块垂直于纸面的平行金属板连接,两板间距离为d=5 cm,如图甲所示。金属环处在变化的磁场中,磁感应强度B的方向垂直于纸面,变化规律如图乙所示(规定向里为正方向)。在t=0时刻平板间中心有一电荷量为+q的微粒由静止释放,运动中粒子不碰板,不计重力作用,则以下说法正确的是    (      )

A. 第2 s内上极板带负电

B. 第3 s内上极板带正电

C. 第3 s末微粒回到了原位置

D. 两极板之间的电场强度大小恒为3.14 N/C

查看答案和解析>>

科目:高中物理 来源: 题型:


如图,A光束由红光和蓝光组成经过半圆形玻璃砖后分为PQ两束,关于PQ两束光下列叙述正确的是(  )

A. P光束只有蓝光

B. P光束只有红光

C. Q光束只有蓝光

D. Q光束只有红光

查看答案和解析>>

同步练习册答案