精英家教网 > 高中物理 > 题目详情

如图所示,水平光滑轻杆OA在O点通过铰链和墙壁相连, AB为细线,现有小物块套在杆上从O点匀速滑向A点,则此过程中细线拉力T 随时间t 变化的规律是

(A)T∝t2            (B)Tt

(C)T           (D)T=a+bta、b均为常量)

练习册系列答案
相关习题

科目:高中物理 来源: 题型:


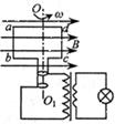
如图,线圈abcdad长20cm,ab长10cm,匝数N=50匝,电阻不计,在磁感应强度B=T的匀强磁场中绕OO1轴匀速转动,角速度w=100rad/s,OO1轴通过ad且同时垂直于和bc,距ab的距离是距dc的距离的2倍。线圈的输出端接单相理想变压器线圈,接在变压器副线圈两端的灯泡“10V,10W”刚好正常发光。则

A. 变压器原线圈两端电压有效值为100V

B. 变压器原线圈中电流为1A

C. 变压器的原副线圈匝数比为10:1

D. 通过灯泡的交流电频率为50Hz

查看答案和解析>>

科目:高中物理 来源: 题型:


一带电粒子仅在电场力作用下从A点沿直线运动到B点,其速度随时间变化的图像如图所示,tAtB分别是带电粒子到达A、B两点对应的时刻,则(       )

(A)A处的场强一定大于B处的场强

(B)A处的电势一定高于B处的电势

(C)该粒子在A处的电势能一定大于在B处的电势能

(D)在该粒子从A到B的过程中,电场力一定对它做正功

查看答案和解析>>

科目:高中物理 来源: 题型:


图中a1b1c1d1和a2b2c2d2为在同一竖直平面内的金属导轨,处在垂直于导轨所在平面(纸面)的匀强磁场中。导轨的a1b1、a2b2、c1d1、c2d2段均竖直。MN、PQ分别为两根金属细杆,它们都垂直于导轨并与导轨保持光滑接触,MN通过一细线悬挂在力传感器下,t=0时PQ在竖直向上的外力T作用下从图(a)中所示位置由静止开始沿导轨向上做匀加速直线运动,力传感器记录的力随时间变化的图像如图(b)所示。

已知匀强磁场的磁感强度为B=1T,a1b1与a2b2间距离为L1=0.5m,PQ的质量为m2=0.01kg,MN的电阻为R=5Ω,PQ及回路中其它部分的电阻不计,重力加速度g取10m/s2,求:

(1)金属杆PQ运动的加速度a

(2)c1d1与c2d2间的距离L2

(3)0~1.0s内通过MN的电量q

(4)t=0.8s时,外力T的功率PT

查看答案和解析>>

科目:高中物理 来源: 题型:


用某单色光照射金属表面,金属表面有光电子飞出.若改变照射光的频率或改变照射光的强度,下列说法正确的是

(A)若仅减小频率,可能不再有光电子飞出

(B)若仅增大频率,光电子数目会随之增加

(C)若仅减小强度,光电子飞出的时间可能会变短

(D)若仅减小强度,则不再有光电子飞出

查看答案和解析>>

科目:高中物理 来源: 题型:


在以下四幅演示实验图示中,通过实验现象能正确表述实验结论的是

 


(A) 图A小磁针发生偏转,反映了电流的磁效应

(B) 图B闭合电键,检流计指针发生偏转,反映了在一定条件下机械能可以转变为电能

(C) 图C闭合电键,金属棒在导轨上滚动,反映了磁场可以产生能量

(D) 图D闭合电键,线框转动,说明改变穿过闭合电路的磁通量可以产生感应电流

查看答案和解析>>

科目:高中物理 来源: 题型:


如图所示,是小球做平抛运动中的一段轨迹,已知小球质量 m=0.2kg,取重力加速度g=10m/s2,则由轨迹对应的坐标值可求得其初速度v0=_________m/s;若以抛出点为零势能参考平面,小球经P点时的重力势能Ep=________J .

查看答案和解析>>

科目:高中物理 来源: 题型:


一质点作简谐振动的图像如图所示,则该质点

       A.在0至0.01s内,速度与加速度反向

       B.在0.01s至0.02s内,速度与回复力同向

       C.在0.025s时刻,速度与加速度均为正值

       D.在0.04s时刻,速度最大,回复力最大

 


查看答案和解析>>

科目:高中物理 来源: 题型:


如图所示,在同一水平面内有两根光滑平行金属导轨MN和PQ,在两导轨之间竖直放置通电螺线管,ab和cd是放在导轨上的两根金属棒,它们分别放在螺线管的左右两侧,保持开关闭合,最初两金属棒处于静止状态。当滑动变阻器的滑动触头向左滑动时,ab棒和cd棒的运动情况是

   (A)ab向左,cd向右     (B)ab向右,cd向左

   (C)ab、cd都向右运动   (D)ab、cd都不动

查看答案和解析>>

同步练习册答案