精英家教网 > 高中物理 > 题目详情

比值法定义物理量是物理学中一种常用的方法,下列物理量中属于用比值法定义的是

A.          B.          C.              D.

练习册系列答案
相关习题

科目:高中物理 来源: 题型:


如图所示,光滑水平地面上有一质量M=5kg、足够长的木板,以v0=10m/s的初速度沿水平地面向右运动。在长木板的上方安装一个固定挡板PQ(挡板靠近但不接触长木板),当长木板的最右端到达挡板正下方时,立即将质量m=lkg的小铁块贴着挡板的左侧无初速地放在长木板上,铁块与长木板之间的动摩擦因数μ=0.5。当木板向右运动s=1m时,又无初速地贴着挡板在第1个小铁块上放置第2个相同的小铁块,以后每当长木板向右运动s=1m就在铁块的上方再放置一个相同的小铁块,直到长木板停止运动(放到木板上的各个铁块始终被挡板挡住而保持静止状态)。求:

(1)第1个铁块放上后,木板的加速度;

(2)放置第3个铁块的瞬间,长木板的速度;

(3)长木板上最终叠放了多少个铁块?

 


查看答案和解析>>

科目:高中物理 来源: 题型:


一节干电池的电动势为1.5V,表示该电池

(A)一定有1.5J的化学能转变成电能

(B)在工作状态下两极间的电压恒定为1.5V      

(C)比电动势为1.2V的电池存储的电能多

(D)将1C电量由负极输送到正极过程中,非静电力做了1.5J的功

查看答案和解析>>

科目:高中物理 来源: 题型:


如图所示,电源电动势V,内阻Ω,。电键S断开时,的功率为W,电源的输出功率为W,则电流表的读数为     A;电键S接通后,电流表的读数为2A.则     Ω.

查看答案和解析>>

科目:高中物理 来源: 题型:


在“测定一节干电池电动势和内阻”的实验中

(1)第一组同学利用如图a的实验装置测量,电压表应选择量程     (填“3V”或“15V”),实验后得到了如图b的U-I图像,则电池内阻为     W。( 电压表、电流表均为理想电表)

(2)第二组同学也利用图a的连接测量另一节干电池,初始时滑片P在最右端,但由于滑动变阻器某处发生断路,合上电键后发现滑片P向左滑过一段距离x后电流表有读数,于是该组同学分别作出了电压表读数U与x、电流表读数I与x的关系图,如图c所示,则根据图像可知,电池的电动势为       V,内阻为       W.


查看答案和解析>>

科目:高中物理 来源: 题型:


关于静电现象,下列说法正确的是

A.摩擦起电现象说明通过做功可以创造出电荷

B.摩擦起电实质上是电荷从一个物体转移到另一个物体的过程

C.验电器可以测量物体带电量的多少

D.日常生活中见到的所有静电现象都是有危害的

查看答案和解析>>

科目:高中物理 来源: 题型:


如图所示,一质点在恒力作用下做曲线运动,从M点运动到N点时,质点的速度方向恰好改变了90°。在此过程中,质点的动能

A.不断增大                      B.不断减小

C.先减小后增大               D.先增大后减小


查看答案和解析>>

科目:高中物理 来源: 题型:


如图(a)所示,质量为m=2kg的物块以初速度v0=20m/s从图中所示位置开始沿粗糙水平面向右运动,同时物块受到一水平向左的恒力F作用,在运动过程中物块速度随时间变化的规律如图(b)所示,g取10m/s2。试求:

(1)物块在0—4s内的加速度a1的大小和4—8s内的加速度a2的大小;

(2)恒力F的大小及物块与水平面间的动摩擦因数μ。

 


查看答案和解析>>

科目:高中物理 来源: 题型:


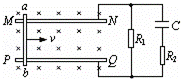
如图所示的电路中,匀强磁场的磁感应强度为B,在同一水平面上固定着平行金属轨道MN和PQ,两轨道间的距离为l.金属杆ab沿垂直轨道方向放置在两轨道上,金属杆ab在MN和PQ间的电阻为r,且与轨道接触良好.R1=R2=R,电容器的电容为C,轨道光滑且不计轨道的电阻.若金属杆ab在某一水平拉力的作用下以速度v沿金属轨道向右做匀速直线运动.

(1)流过电阻R1的电流为多大?

(2)电容器的带电量为多大?

(3)这个水平拉力及其功率分别为多大?

查看答案和解析>>

同步练习册答案