精英家教网 > 高中物理 > 题目详情

电磁波已广泛运用于很多领域,下列关于电磁波的说法符实际的是 (   )

A.电磁波不能产生衍射现象

B.常用的遥控器通过里出紫外线脉冲信号来遥控电视机

C.根据多普勒效应可以判断遥远天体相对于地球的运动速度

D.光在真空中运动的速度在不同惯性系中测得的数值可能不同


【考点定位】波的衍射 红外线和紫外线的用途 多普勒效应 相对论

练习册系列答案
相关习题

科目:高中物理 来源: 题型:


 “约瑟夫森结”由超导体和绝缘体制成。若在结两端加恒定电压U,则它会辐射频率为v的电磁波,且与U成正比,即v = kU。已知比例系数k仅与元电荷e的2倍和普朗克常量h有关。你可能不了解此现象为机理,但仍可运用物理学中常用的方法,在下列选项中,推理判断比例系数k的值可能为

A.                   B.                    C.2eh                 D.

查看答案和解析>>

科目:高中物理 来源: 题型:


如图所示,一定质量的理想气体从状态A依次经过状态B、C和D后再回到状态A。其中,A®B和C®D为等温过程,B®C和D®A为绝热过程(气体与外界无热量交换)。这就是著名的“卡诺循环”。

(1)该循环过程中,下列说法正确的是_______.

A.A®B过程中,外界对气体做功

B.B®C过程中,气体分子的平均动能增大

C.C®D过程中,单位时间内碰撞单位面积器壁的分子数增多

D.D®A过程中,气体分子的速率分布曲线不发生变化

(2)该循环过程中,内能减小的过程是_______ (选填“A ®B”、“B ®C”、“C ®D”或“D®A”). 若气体在A®B过程中吸收63 kJ的热量,在C®D过程中放出38 kJ的热量,则气体完成一次循环对外做的功为_______kJ.

(3)若该循环过程中的气体为1 mol,气体在A状态时的体积为10 L,在B状态时压强为A状态时的。求气体在B状态时单位体积内的分子数。(已知阿伏加德罗常数NA=6.0×1023mol-1,计算结果保留一位有效数字)

查看答案和解析>>

科目:高中物理 来源: 题型:


在卢瑟福α粒子散射实验中,金箔中的原子核可以看作静止不动,下列各图画出的是其中两个α粒子经历金箔散射过程的径迹,其中正确的是     。(填选图下方的字母)

查看答案和解析>>

科目:高中物理 来源: 题型:


当电阻两端加上某一稳定电压时,通过该电阻的电荷量为0.3C,消耗的电能为0.9J。为在相同时间内使0.6C的电荷量通过该电阻,在其两端需加的电压和消耗的电能分别是       

(A)3V,1.8J            (B)3V,3.6J            (C)6V,l.8J            (D)6V,3.6J

查看答案和解析>>

科目:高中物理 来源: 题型:


伽利略创造的把实验、假设和逻辑推理相结合的科学方法,有力地促进了人类科学认识的发展。利用如图所示的装置做如下实验:小球从左侧斜面的O点由静止释放后沿斜面向下运动,并沿右侧斜面上升。斜面上先后铺垫三种粗糙程度逐渐降低的材料时,小球沿右侧斜面上升到的最高位置依次为1、2、3,根据三次实验结果的对比,可以得到的最直接的结论是

A.如果斜面光滑,小球将上升到与O点等高的位置

B.如果小球不受力,它将一直保持匀速运动或静止状态

C.如果小球受到力的作用,它的运动状态将发生改变

D.小球受到的力一定时,质量越大,它的加速度越小

查看答案和解析>>

科目:高中物理 来源: 题型:


如图所示,通电导线MN与单匝矩形线圈abcd共面,位置靠近ab且相互绝缘。当MN中电流突然减小时,线圈所受安培力的合力方向

A.向左                         B.向右              C.垂直纸面向外              D.垂直纸面向里

查看答案和解析>>

科目:高中物理 来源: 题型:


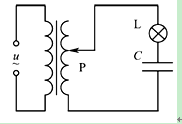
如图所示,理想变压器原线圈接有交流电源,当副线圈上的滑片P处于图示位置时,灯泡L能发光。要使灯泡变亮,可以采取的方法有

A.向下滑动P                           B.增大交流电源的电压

C.增大交流电源的频率                  D.减小电容器C的电容

查看答案和解析>>

科目:高中物理 来源: 题型:


如图所示,足够长的直线ab靠近通电螺线管,与螺线管平行。用磁传感器测量ab上各点的磁感应强度B,在计算机屏幕上显示的大致图像是

查看答案和解析>>

同步练习册答案