精英家教网 > 高中物理 > 题目详情

(2014?江苏二模)是人类首先制造出的放射性同位素,其半衰期为2.5min,能衰变为和一个未知粒子.

①写出该衰变的方程;

②已知容器中原有纯的质量为m,求5min后容器中剩余的质量.

 

①该衰变的方程+;②5min还剩余

【解析】

试题分析:①根据质量数守恒和电荷数守恒,写出衰变方程.

②根据半衰期定义,即可求解.

【解析】
①衰变的方程为:+

②半衰期为2.5min,则经过5min后发生2次衰变,

则容器中剩余的质量为:m余=

答:①该衰变的方程+;②5min还剩余

练习册系列答案
相关习题

科目:高中物理 来源:2014-2015学年云南省玉溪市高二上学期期中考试物理试卷(解析版) 题型:选择题

如图所示的电路中,水平放置的平行板电容器中有一个带电液滴正好处于静止状态,现将滑动变阻器的滑片P向左移动,则( )

A.电容器中的电场强度将增大

B.电容器上的电荷量将减少

C.电容器的电容将减小

D.液滴将向上运动

 

查看答案和解析>>

科目:高中物理 来源:2014-2015学年云南省景洪市高二上学期期中考试物理试卷(解析版) 题型:选择题

下列说法中正确的是:( )

A.电场强度的方向总是跟电场力的方向一致;

B.电场中电场强度大的点一定电势高;

C.电荷沿等势面运动时,电场力一定不做功;

D.顺着电场线方向,电势降低,场强减弱。

 

查看答案和解析>>

科目:高中物理 来源:2014-2015学年云南省景洪市高一上学期期中考试物理试卷(解析版) 题型:选择题

甲、乙两车沿平直公路通过同样的位移,甲车在前半段位移上以v1=40km/h的速度运动,后半段位移上以v2=60km/h的速度运动;乙车在前半段时间内以v1=40km/h的速度运动,后半段时间以v2=60km/h的速度运动,则甲、乙两车在整个位移中的平均速度大小的关系是( )

A.v甲=v乙 B.v甲<v乙

C.v甲>v乙 D.因不知为是和时间无法确定

 

查看答案和解析>>

科目:高中物理 来源:2014-2015学年云南省景洪市高一上学期期中考试物理试卷(解析版) 题型:选择题

如图所示,由于风的缘故,河岸上的旗帜向右飘,在河面上的两条船上的旗帜分别向右和向左飘,两条船运动状态是 ( )

A.A船肯定是向左运动的 B.B船肯定是向右运动的

C.A船肯定是静止的 D.B船可能是静止的

 

查看答案和解析>>

科目:高中物理 来源:2013-2014学年江苏省苏锡常镇四市高考二模物理试卷(解析版) 题型:选择题

(2014?江苏二模)关于电磁波及其应用下列说法正确的是( )

A.克斯韦首先通过实验证实了电磁波的存在

B.电磁波是横波且能够发生干涉和衍射现象

C.电磁波的接收要经过调谐和调制两个过程

D.微波能使食物中的水分子热运动加剧从而实现加热的目的

 

查看答案和解析>>

科目:高中物理 来源:2013-2014学年江苏省苏锡常镇四市高考二模物理试卷(解析版) 题型:选择题

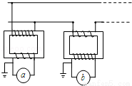
(2014?江苏二模)如图所示,在某一输电线路的起始端接入两个互感器,原副线圈的匝数比分别为100:1和1:100,图中a、b表示电压表或电流表,已知电压表的示数为22V,电流表的示数为1A,则( )

A.a为电流表,b为电压表

B.a为电压表,b为电流表

C.线路输送电功率是220 kW

D.输电线路总电阻为22Ω

 

查看答案和解析>>

科目:高中物理 来源:2013-2014学年江苏省盐城市高考三模物理试卷(解析版) 题型:计算题

(2014?盐城三模)我国一些地区空气污染严重,出现了持续的雾霾天气,有人受桶装纯净水的启发,提出用桶装的净化压缩空气供气,设每人1min内呼吸16次,每次吸入1.0×105Pa的净化空气500mL,每个桶能装1.0×106Pa的净化空气20L,如果这些空气可以全部被使用,不考虑温度的变化,估算每人每天需要吸多少桶净化空气.

 

 

查看答案和解析>>

科目:高中物理 来源:2016届黑龙江省高一下学期期末考试物理试卷(解析版) 题型:选择题

用一根细线一端系一可视为质点的小球,另一端固定在一光滑圆锥顶上,如右图所示,设小球在水平面内作匀速圆周运动的角速度为ω,线的张力为T,则T随ω2变化的图象是下图中的 ( )

 

 

查看答案和解析>>

同步练习册答案