精英家教网 > 高中物理 > 题目详情

在某段电路中,其两端电压为U,通过的电流为I,通电时间为t,若该电路电阻为R,则关于电功和电热的关系,下列结论正确的是(      )

A、在任何电路中,电功W=UIt= I2Rt   B、在任何电路中,电功为UIt,电热为 I2Rt

C、在纯电阻电路中,UIt= I2Rt       D、在非纯电阻电路 中,UIt≥ I2Rt

练习册系列答案
相关习题

科目:高中物理 来源: 题型:


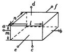
如图所示,已知长方体铜块的三个边长。分别把铜块的a和b端、c和d端、e和f端接入电路,已知铜的电阻率为ρ.则铜块的电阻为 (    )

A.当a、b端接入时,电阻Rab=

B.当c、d端接入时,电阻Rcd=
C.当e、f端接入时,电阻Ref=

D.如果铜块的三个边长都变为原来的一半,则三种接法的电阻也都变为原来一半。

查看答案和解析>>

科目:高中物理 来源: 题型:


下列说法正确的是(    )

A. 研究地球绕太阳的公转时可以把地球看成质点

B. 位移和路程都是反映运动过程中位置变化的物理量

C. 参考系必须是静止不动的物体

D. 火车在哈尔滨站停车15分钟指的是时刻

查看答案和解析>>

科目:高中物理 来源: 题型:


如图,为测量作匀加速直线运动小车的加速度,将宽度均为b的挡光片A、B固定在小车上,测得二者间距为d,

(1)本实验所用的传感器为                  。当小车匀加速通过传感器时,测得两挡光片先后经过的时间,则小车加速度                   

(2)(多选题)为减小实验误差,可采取的方法是(        )

    (A)增大两挡光片宽度          (B)减小两挡光片宽度

(C)增大两挡光片间距          (D)减小两挡光片间距

查看答案和解析>>

科目:高中物理 来源: 题型:


如图所示,三个同心圆是同一个点电荷周围的三个等势面,已知   这三个圆的半径成等差数列。ABC分别是这三个等势面上的点,且这三点在同一条电场线上。若UAB=6V,则UBC

A、等于6V             B、无法确定     

C、高于6V             D、低于6V

查看答案和解析>>

科目:高中物理 来源: 题型:


电荷A、B所带电荷量分别为2q和-6q,它们相距r时之间的库仑力为F,让它们接触之后再放到原位置,它们之间的库仑力为         

查看答案和解析>>

科目:高中物理 来源: 题型:


如图所示,木板B放在粗糙水平面上,木块A放在B的上面,A的右端通过一不可伸长的轻绳固定在竖直墙上。现用水平恒力F向左拉动B,使其以速度v做匀速运动,此时绳水平且拉力大小为T,下面说法正确的是(   )

A.绳上拉力T与水平恒力F大小相等

B.木板B受到一个静摩擦力,一个滑动摩擦力,合力大小等于F

C.若用恒力以2F向左拉动长木板,则木块A给木板B的滑动摩擦力等于T

D.若木板B以2v匀速运动,则拉力仍为F

查看答案和解析>>

科目:高中物理 来源: 题型:


如图所示,一轻质弹簧竖直固定在地面上,自然长度l0=0.50m,上面连接一个质量m1=1.0kg的物体A,平衡时物体距地面h1=0.40m,此时弹簧的弹性势能EP=0.50J。在距物体A正上方高为h=0.45m处有一个质量m2=1.0kg的物体B自由下落后,与弹簧上面的物体A碰撞并立即以相同的速度运动,已知两物体不粘连,且可视为质点。g=10m/s2。求:

(1)碰撞结束瞬间两物体的速度大小;

(2)两物体一起运动第一次具有竖直向上最大速度时弹簧的长度;

(3)两物体第一次分离时物体B的速度大小。

查看答案和解析>>

科目:高中物理 来源: 题型:


如图所示,根据打点计时器打出的纸带,判断哪条纸带表示物体做匀速运动 (     )

      A                 B               C                D

查看答案和解析>>

同步练习册答案