0  419252  419260  419266  419270  419276  419278  419282  419288  419290  419296  419302  419306  419308  419312  419318  419320  419326  419330  419332  419336  419338  419342  419344  419346  419347  419348  419350  419351  419352  419354  419356  419360  419362  419366  419368  419372  419378  419380  419386  419390  419392  419396  419402  419408  419410  419416  419420  419422  419428  419432  419438  419446  447090 

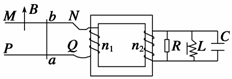
24.(江苏省二十所名校4月联合调研)如图所示,MNPQ为两个光滑的电阻不计的水平金属导轨,变压器为理想变压器,今在水平导轨部分加一竖直向上的匀强磁场,则以下说法正确的是  (  BCD  )

A.若ab棒匀速运动,则IR≠0,IL≠0,IC=0

B.若ab棒匀速运动,则IR=0,IL =0,IC =0

C.若ab棒固定,磁场按B=Bm sinω t.的规律变化,则IR≠0,

IL≠0,IC≠0

D.若ab棒做匀加速运动,IR≠0,IL≠0,IC≠0

试题详情

23.(盐城市2008年第二次调研)如图所示,一只理想变压器的原、副线圈的匝数比是10:1,原线圈接入电压为220V的正弦交流电源,一只理想二极管和一个阻值为10Ω的电阻R串联接在副线圈上。则以下说法中正确的

是                                  (  AD  )

A.1min内电阻R上产生的热量为1452 J

B.电压表的读数为22V

C.二极管两端的最大电压为22V

D.若将R换成一个阻值大于10Ω的电阻,则电流表读数变小

试题详情

22.(日照市2008年质检)如图所示是一种理想的自耦变压器,线圈AB绕在一个圆环形的铁芯上,AB间加上正弦式交变电压U,移动滑动触头P的位置,就可以调节输出电压,在输出端连接了滑动变阻器R和理想交流电流表,变阻器的滑动触头为Q,则                           (  BC  )

A.保持P不动,将Q向下移动,电流表的读数变大

B.保持P不动,将Q向下移动,电流表的读数变小

C.保持Q不动,将P沿逆时针方向移动,电流表的读数变大

D.保持Q不动,将P沿逆时针方向移动,电流表的读数变小

试题详情

21.(潍坊、枣庄等市2008年质检)如图所示,理想变压器原线圈通入交流电流,副线圈接有一电流表,与负载电阻串联,电流表的读数为,在时,原线圈中电流的瞬时值为0.03,由此可知该变压器的原、副线圈的匝数比为      (  A  )

A.             B.       C.        D.

试题详情

20.(苏州市2008届期终考试)关于电磁波,下列说法中不正确的是            (  BD  )

A.电磁波既可以在介质中传播,又可以在真空中传播

B.只要有变化的电场,就一定能产生电磁波

C.电磁波在真空中传播时,频率和波长的乘积是一个恒量

D.振荡电路的频率越低,发射电磁波的本领越大

试题详情

19.(南京市2008届第二次调研)图示是一中调压变压器的原理图,线圈AB绕在一个圆形的铁芯上,AB间加上正弦交流电压U,移动滑动触头P的位置,就可以调节输出电压,在输出短连接了滑动变阻器R和理想交流电流表,变阻器的滑动触头为Q,则下列判断中正确的是                    (  BCD )

A.保持P的位置不动,将Q向下移动时,R消耗的功率变大

B.保持P的位置不动,将Q向下移动时,R消耗的功率变小

C.保持Q的位置不动,将P沿逆时针方向移动时,电流表的读数变大

D.保持Q的位置不动,将P沿顺时针方向移动时,R消耗的功率变小

试题详情

18.(南通市2008届第三次调研)某交流发电机给灯泡供电,产生正弦式交变电流的图象如图所示,下列说法中正确的是                                   (  D  )

A.交变电流的频率为0.02Hz

B.交变电流的瞬时表达式为

C.在t=0.01s时,穿过交流发电机线圈的磁通量最大

D.若发电机线圈电阻为0.4Ω,则其产生的热功率为5W

试题详情

17.(通州市2008届第六次调研)如图所示,理想变压器原、副线圈的匝数比是10:1,原线圈输入交变电压V,O为副线圈中心抽出的线头,电路中两个电阻阻值相同,,下列关于电路的分析正确的是                                   (  BC  )

A.开关S断开时,电流表示数为 

B.开关S断开时,两电阻总的电功率为

C.开关S闭合时,两电阻总的电功率为

D.电容器的耐压值至少是V

试题详情

16.(南通四县市2008届高三联考)如图所示,一理想变压器原副线圈匝数之比为5∶1,原线圈端输入交流电压u=311sin100πt V,电阻R=44Ω,电流表和电压表对电路的影响忽略不计.下列说法中正确的是 (BC  )

A.  电压表V1的示数约为311V

B.电流表A1的示数约为0.20A

B.  电压表V2的示数约为44V

D.电流表A2的示数约为1.4A

试题详情

15.(青岛市2008届第一次质检)如图所示,一理想变压器原线圈匝数n1=1100匝,副线圈匝数n2=220匝,交流电源的电压u=V,电阻R=44Ω,电压表、电流表均为理想电表,则下列说法错误的是( C )

A.交流电的频率为50Hz

B.电流表A1的示数为0.2A

C.电流表A2的示数约为1.4A

D.电压表的示数为44V

试题详情


同步练习册答案