0  419253  419261  419267  419271  419277  419279  419283  419289  419291  419297  419303  419307  419309  419313  419319  419321  419327  419331  419333  419337  419339  419343  419345  419347  419348  419349  419351  419352  419353  419355  419357  419361  419363  419367  419369  419373  419379  419381  419387  419391  419393  419397  419403  419409  419411  419417  419421  419423  419429  419433  419439  419447  447090 

3.(2008年镇江市2月调研)如图所示是霓虹灯的供电电路,电路中的变压器可视为理想变压器,已知变压器原线圈与副线圈匝数比,加在原线圈的电压(V),霓虹灯正常工作的电阻R=440 kΩ,I1I 2表示霓虹灯正常工作时原、副线圈中的电流,下列判断正确的是 (  BC  )

(A)副线圈两端电压约为6220 V,副线圈中的电流约为14.1 mA                            

(B)副线圈两端电压约为4400 V,副线圈中的电流约为7.0 mA

(C)I1I2

(D)I1I2

试题详情

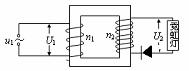
2.(徐州市2008届第3次质检)如图所示为一理想变压器,原线圈匝数为n1,四个副线圈的匝数均为n2,四个副线圈中负载电阻的阻值相同,二极管为理想二极管。现从原线圈PQ两端输入正弦交变电流,那么下列说法正确的是     (  C  )

A.只有流过RaRd上的电流仍是交变电流

B.加在Ra两端的电压是Rb的两倍

C.Ra消耗的功率是Rb的两倍

D.若输入的正弦交变电流频率增大,Rc的功率减小,Rd的功率增大

试题详情

1.(北京丰台区2008年一模)如图所示,在磁感应强度为B的匀强磁场中,有一匝数为N的矩形线圈,其面积为S,电阻为r,线圈两端外接一电阻为R的用电器和一个交流电压表。若线圈绕对称轴以角速度ω做匀速转动,则线圈从图示位置转过90°的过程中,下列说法正确的是     (  C  )

A.通过电阻的电量为

B.交流电压表的示数为NBSω

C.交流电压表的示数为

D.电阻产生的热量为

试题详情

31.(北京海淀区2008届期末考)图17(甲)为小型旋转电枢式交流发电机的原理图,其矩形线圈在匀强磁场中绕垂直于磁场方向的固定轴OO′匀速转动,线圈的匝数n=100、电阻r=10 W,线圈的两端经集流环与电阻R连接,电阻R=90 Ω,与R并联的交流电压表为理想电表。 在t=0时刻,线圈平面与磁场方向平行,穿过每匝线圈的磁通量F随时间t按图17(乙)所示正弦规律变化。 求:

(1)交流发电机产生的电动势的最大值;

(2)电路中交流电压表的示数。

答案  (1)交流发电机产生电动势的最大值Em=nBSω

Fm=BS,所以,Em=2npFm/T

F-t图线可知:Fm=2.0´10 -2Wb,T=6.28´10 -2s

所以Em =200 V

(2)电动势的有效值 E=Em=100 V

由闭合电路的欧姆定律,电路中电流的有效值为I== A

交流电压表的示数为U= I R=90V=127 V

题组四

试题详情

30.(莱州市2008届第一次联考)如图所示,理想变压器的原线圈接在220V、50Hz的正弦交流电源上线圈接有一理想二极管(正向电阻为零,反向电阻为无穷大)和一阻值为10Ω的电阻,已知原副线圈的匝数比为2:1。则二极管的耐压值至少为    V, 电阻R上1s内产生的焦耳热为    J,电阻R上电流的有效值为    A。

答案  V   605J     A  

试题详情

29.(扬州市2008届第四次调研)如图所示,面积为S、匝数为N、电阻为r的线圈与阻值为R的电阻构成闭合回路,理想交流电压表并联在电阻R的两端。线圈在磁感应强度为B的匀强磁场中,绕垂直于磁场的转动轴以角速度ω匀速转动。设线圈转动到图示位置的时刻,则                                     ( BC )

A.在时刻,线圈处于中性面,流过电阻R的电流为0,电压表的读数也为0

B.1秒钟内流过电阻R的电流方向改变

C.在电阻R的两端再并联一只电阻后,电压表的读数将减小

D.在电阻R的两端再并联一只电容较大的电容器后,电压表的读数不变

试题详情

28.(北京顺义区2008年三模)如右图,三个灯泡是相同的,而且耐压足够高,交、直流两电源的内阻忽略,电动势相等,当S接a时三个灯泡的亮度相同,那么S接b时             (  D  )

A. 三个灯泡亮度相同

B. 甲灯最亮,丙灯不亮

C. 甲灯和乙灯亮度相同,丙灯不亮

D. 只有丙灯不亮,乙灯最亮

试题详情

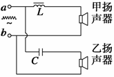
27.(苏州五市三区2008届教学调研)“二分频’’音箱内有高、低两个扬声器。音箱要将扩音机送来的含有不同频率的混合音频电流按高、低段分离出来,送往相应的扬声器,以便使电流所携带的音频信号按原比例还原成高、低频的机械振动。右图为音箱的电路简化图,高低频混合电流由端输入,是线圈,是电容器,则     (  ABD  )

A.甲扬声器是低音扬声器;

B.C的作用是阻碍低频电流通过乙扬声器;

C.乙扬声器的振幅一定大;

D.的作用是阻碍高频电流通过甲扬声器;

试题详情

26.(北京海淀区2008届期末考)如图2所示,理想变压器初级线圈的匝数为n1,次级线圈的匝数为n2,初级线圈的两端ab接正弦交流电源,电压表V的示数为220V,负载电阻,电流表A1的示数是0.20A。下列判断中正确的是    (  BC  )                      

    A.初级线圈和次级线圈的匝数比为2:1

    B.初级线圈和次级线圈的匝数比为5:1

    C.电流表A2的示数为1.0A

    D.电流表A2的示数为0.4A

试题详情

25.(淮安、连云港、宿迁、徐州四市2008第三次调研)供电系统由于气候原因遭到严重破坏。为此,某小区启动了临时供电系统,它由备用发电机和副线圈匝数可调的变压器组成,如图所示,图中R0表示输电线的电阻。滑动触头P置于a处时,用户的用电器恰好正常工作,在下列情况下,要保证用电器仍能正常工作,则  (  AC  )

A.当发电机输出的电压发生波动使V1示数小于正常值,用电器不变

时,应使滑动触头P向上滑动

B.当发电机输出的电压发生波动使V1示数小于正常值,用电器不变

时,应使滑动触头P向下滑动

C.如果V1示数保持正常值不变,那么当用电器增加时,滑动触头P应向上滑

D.如果V1示数保持正常值不变,那么当用电器增加时,滑动触头P应向下滑

试题详情


同步练习册答案