13£®ÎÊÌâ½â¾ö£º
¸øÄãÒ»¸öµçÁ÷±í¡¢Ò»¸öµÆÅÝ¡¢Ò»¸öÒÑÖª×èÖµµÄµç×èR0£¬Ò»¸öδ֪µçѹµÄµçÔ´¡¢Ò»¸öµ¥µ¶Ë«ÖÀ¿ª¹ØºÍµ¼ÏßÈô¸É£¬ÇëÉè¼ÆÒ»¸ö²â³öµÆ·¢¹âʱ¹¦Âʵĵç·£¨²âÁ¿Ê±²»Äܲðж£©£®»­³öµç·ͼ²¢Ð´³öÏàÓ¦µÄ²½ÖèºÍÊýѧ±í´ïʽ£¿
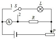
£¨1£©ÈçͼËùʾÁ¬½Óµç·
£¨2£©½«¿ª¹ØS²¦ÖÁ1ʱ£¬µÆÅÝÓ붨ֵµç×è²¢Áª£¬µçÁ÷±í²âµÄÊǶ¨Öµµç×èR0µÄµçÁ÷£¬¶Á³öʾÊýΪI1
£¨3£©½«¿ª¹ØS²¦ÖÁ2ʱ£¬µÆÅÝÓ붨ֵµç×è²¢Áª£¬µçÁ÷±í²â¸É·µçÁ÷£¬¶Á³öʾÊýΪI2 
£¨4£©±í´ïʽP=I1R0£¨I2-I1£©£®

·ÖÎö Òª²âµÆÅݵŦÂÊ£¬¸ù¾ÝP=UI¿ÉÖªÓ¦ÓõçÁ÷±í²â³öͨ¹ýµÆÅÝÖеĵçÁ÷¡¢µçѹ±í²â³öÆäÁ½¶ËµÄµçѹ£»
ʵÑéÖÐÎÞµçѹ±í¡¢Óж¨Öµµç×裬¿É¸ù¾Ý²¢Áªµç·µÄµçÑ¹ÌØµãÉè¼Æµç·£¬¼´ÏÈÓõçÁ÷±í²â³öͨ¹ý¶¨Öµµç×èµÄµçÁ÷£¬È»ºó¸ù¾ÝÅ·Ä·¶¨ÂɵıäÐι«Ê½Çó³ö¶¨Öµµç×èÁ½¶ËµÄµçѹ£¬ÔÙÓõçÁ÷±í²â³ö²¢Áªµç·µÄµçÁ÷£¬½øÒ»²½¸ù¾Ý²¢Áªµç·µÄµçÁ÷ÌØµãÇó³öͨ¹ýµÆÅݵĵçÁ÷£¬¸ù¾ÝP=UIÇó³öµÆÅݵŦÂÊ£®

½â´ð ½â£º£¨1£©ÈçͼËùʾÁ¬½Óµç·£¬Ê¹Ð¡µÆÅݺ͵ç×è²¢Áª£¬ÀûÓõ¥µ¶Ë«ÖÀ¿ª¹Ø·Ö±ð¿ØÖÆÁ½Ìõ֧·£¬Í¬Ê±Ê¹µçÁ÷±í²âÁ¿¶¨Öµµç×èÖеĵçÁ÷ºÍ¸É·ÖеĵçÁ÷£¬µç·ͼÈçÏ£º

£¨2£©½«¿ª¹ØS²¦ÖÁ1ʱ£¬µÆÅÝÓ붨ֵµç×è²¢Áª£¬µçÁ÷±í²âµÄÊǶ¨Öµµç×èR0µÄµçÁ÷£¬¶Á³öʾÊýΪI1£»
£¨3£©½«¿ª¹ØS²¦ÖÁ2ʱ£¬µÆÅÝÓ붨ֵµç×è²¢Áª£¬µçÁ÷±í²â¸É·µçÁ÷£¬¶Á³öʾÊýΪI2£»
£¨4£©ÓÉÉÏÖª£¬µÆÅÝÓëµç×è²¢Áª£¬ËùÒÔµÆÅÝÁ½¶ËµÄµçѹU=U0=I1R0£»
ͨ¹ýµÆÅݵĵçÁ÷I=I2-I1£¬ËùÒÔµÆÅݵŦÂÊ£ºP=UI=I1R0£¨I2-I1£©£¬
ÔòµÆÅݵŦÂʱí´ïʽΪ£ºP=I1R0£¨I2-I1£©£®
¹Ê´ð°¸Îª£º£¨1£©µç·ͼÈçÉÏͼËùʾ£»£¨2£©½«¿ª¹ØS²¦ÖÁ1ʱ£¬µÆÅÝÓ붨ֵµç×è²¢Áª£¬µçÁ÷±í²âµÄÊǶ¨Öµµç×èR0µÄµçÁ÷£¬¶Á³öʾÊýΪI1£»
£¨3£©½«¿ª¹ØS²¦ÖÁ2ʱ£¬µÆÅÝÓ붨ֵµç×è²¢Áª£¬µçÁ÷±í²â¸É·µçÁ÷£¬¶Á³öʾÊýΪI2£»
£¨4£©P=I1R0£¨I2-I1£©£®

µãÆÀ ±¾Ì⿼²éÁ˲¢Áªµç·µÄÌØµãºÍµç¹¦ÂʼÆË㹫ʽµÄÓ¦Ó㬹ؼüÊÇÖªµÀµç·ͼ·ÖÎö³öÎÞµçѹ±í¡¢Óж¨Öµµç×èʱ²âδ֪µç×èʵÑéµÄÔ­Àí£¬¶ÔѧÉúµÄ·ÖÎöÄÜÁ¦ÒªÇó½Ï¸ß£®

Á·Ï°²áϵÁдð°¸
Ïà¹ØÏ°Ìâ

¿ÆÄ¿£º³õÖÐÎïÀí À´Ô´£º ÌâÐÍ£ºÑ¡ÔñÌâ

3£®2015Äê4ÔÂ25ÈÕ14ʱ11·ÖÔÚÄá²´¶û·¢Éú8.1¼¶µØÕð£¬ÔÚÔÖÄѾÈÔ®¹¤×÷ÖУ¬Ò½ÎñÈËÔ±¹¤×÷ʱËù²ÉÈ¡µÄÐí¶à´ëÊ©ºÍÓõ½µÄÆ÷²ÄÖУ¬°üº¬×ÅÐí¶àÎïÀí֪ʶ£®ÏÂÁÐ˵·¨ÕýÈ·µÄÊÇ£¨¡¡¡¡£©
A£®ÔÚÊäҺʱ£¬Ò½Éú½«Ò©Æ¿¾ÙµÃºÜ¸ßÊÇΪÁ˼õСҺÌåµÄѹǿ
B£®×¢ÉäʱÕëͲÄܳéÈ¡µ½Ò©Òº£¬ÊÇÒòΪҩҺÊܵ½ÕëͲµÄÎüÒýÁ¦×÷ÓÃ
C£®ÅçÈ÷Ïû¶¾Òººó£¬¹ýÒ»»á¶ù²¡·¿ÀïÎŵ½Ïû¶¾ÒºµÄÆøÎ¶£¬ÕâÊÇÀ©É¢ÏÖÏó
D£®¼ÐÈ¡Ïû¶¾ÃÞ²ÁÉ˿ڵÄÄ÷×ÓÊÇÊ¡Á¦¸Ü¸Ë

²é¿´´ð°¸ºÍ½âÎö>>

¿ÆÄ¿£º³õÖÐÎïÀí À´Ô´£º ÌâÐÍ£ºÑ¡ÔñÌâ

4£®Éú»îÖеĺܶàÏÖÏó¿ÉÒÔÓÃѧ¹ýµÄÎïÀí֪ʶÀ´½âÊÍ£¬ÏÂÁнâÊÍ´íÎóµÄÊÇ£¨¡¡¡¡£©
A£®ÏÄÌì´Ó±ùÏäÀïÃæÄóöÀ´µÄÒûÁϹޡ°³öº¹¡±£¬ÊÇÈÈ¿ÕÆøÓöÀäÒº»¯ÏÖÏó
B£®¡°ÏÂÑ©²»À仯ѩÀ䡱£¬ÊÇÒòΪѩÔÚÈÛ»¯Ê±ÎüÈÈ
C£®ÓÎÓ¾ºó£¬¸Õ´ÓË®ÖгöÀ´£¬¸Ð¾õ±È½ÏÀ䣬ÊÇÒòΪˮ·ÖÕô·¢ÎüÊÕÁËÈËÌåµÄÈÈ
D£®ÌìÆøºÜÀäʱ£¬´°»§²£Á§ÉÏ»á³öÏÖ±ù»¨£¬ÊÇË®ÕôÆøÄý»ªÏÖÏó

²é¿´´ð°¸ºÍ½âÎö>>

¿ÆÄ¿£º³õÖÐÎïÀí À´Ô´£º ÌâÐÍ£ºÌî¿ÕÌâ

1£®Ä³Ñ§Éú×ö¡°Ì½¾¿Í¨¹ýµ¼ÌåµÄµçÁ÷Óëµçѹ¡¢µç×èµÄ¹ØÏµ¡±µÄʵÑ飬ÆäÖÐÓÃR0ÊǶ¨Öµµç×裮
£¨1£©ÔÚ·½¿òÖл­³öʵÑéµç·ͼ£®
£¨2£©µ±Ì½¾¿µçÁ÷ÓëµçѹµÄ¹ØÏµÊ±£¬Í¨¹ýµ÷½Ú±ä×èÆ÷»¬Æ¬PµÄλÖÃÀ´¸Ä±äµç×èÁ½¶ËµÄµçѹ£®Èý´Î¸Ä±ä»¬Æ¬Î»Ö㬲âµÃÈý×éµçѹºÍµçÁ÷Öµ£¨¼ûÏÂÓÒ±í£©£¬·¢ÏÖÿ´ÎµçѹÓëµçÁ÷µÄ±ÈÖµÊÇÏàͬµÄ£¨Ñ¡Ìî¡°Ïàͬ¡±»ò¡°²»Í¬¡±£©£¬Óɴ˿ɵóöµçÁ÷Óëµçѹ¹ØÏµµÄ³õ²½½áÂÛ£ºµ±µç×èÒ»¶¨Ê±£¬µçÁ÷Óëµçѹ³ÉÕý±È£®
£¨3£©ÒªÌ½¾¿µçÁ÷Óëµç×èµÄ¹ØÏµ£¬½öƾµç·ͼÖÐÆ÷²ÄÊDz»¹»µÄ£¬ÄãÈÏΪ£¨³ýµ¼ÏßÍ⣩»¹Ó¦Ôö¼ÓµÄÆ÷²ÄÊDz»Í¬×èÖµµÄ¶¨Öµµç×裮»¬¶¯±ä×èÆ÷ÔÚ´ËʵÑéÖеÄ×÷ÓÃÊÇ¿ØÖƶ¨Öµµç×èÁ½¶Ëµçѹ²»±ä£®
ʵÑéÐòºÅ123
µçѹ/V2.02.42.8
µçÁ÷/A0.400.480.56

²é¿´´ð°¸ºÍ½âÎö>>

¿ÆÄ¿£º³õÖÐÎïÀí À´Ô´£º ÌâÐÍ£º½â´ðÌâ

8£®ÔÚ¡°²â¶¨Ð¡µÆÅݵĶ¹¦ÂÊ¡±ÊµÑéÖУ¬Ð¡Ã÷ͬѧÓÃÒ»¸öµçѹ±í¡¢Ò»¸öµçÁ÷±í¡¢Ò»¸ö¿ª¹Ø¡¢µçѹΪºãΪ6VµÄµçÔ´¡¢¶î¶¨µçѹΪ3.8VµÄСµÆÅݺÍÒ»¸ö±êÓС°20¦¸  1.5A¡±µÄ»¬¶¯±ä×èÆ÷£¬Ð¡µÆÅݵĶ¹¦ÂÊСÓÚ2W£¬Éè¼ÆµÄµç·Èçͼ¼×ËùʾµÄµç·£®

£¨1£©ÊµÑéÔ­ÀíP=UI£»Á¬½Óµç·ʱ¿ª¹ØÓ¦´¦ÓÚ¶Ï¿ª£¨±ÕºÏ/¶Ï¿ª£©×´Ì¬£®
£¨2£©ÇëÓÃǦ±Ê»­Ïß´úÌæµ¼Ïߣ¬°´ÕÕͼ¼×ËùʾµÄµç·ͼ£¬½«Í¼ÒÒµÄʵÎïµç·Á¬½ÓÍêÕû£¨Á¬Ïß²»µÃ½»²æ£©£»
£¨3£©µç·½ÓºÃºó£¬±ÕºÏ¿ª¹Ø£¬·¢ÏÖСµÆÅÝÌØ±ðÁÁ£¬µçѹ±íÓëµçÁ÷±íµÄʾÊý½Ï´ó£®µç·Á¬½ÓÎÞÎ󣬽ÓÏÂÀ´Ó¦½øÐеIJÙ×÷ÊÇD£¬C £¨Á½¿Õ°´²Ù×÷²½ÖèÏȺó˳ÐòÌîд×Öĸ´úºÅ£©£»
A£®¸ü»»µç³Ø»òСµÆÅÝ                     B£®¼ì²éµç·ÊÇ·ñ¶Ì·
C£®Òƶ¯»¬¶¯±ä×èÆ÷»¬Æ¬ÖÁ×î´óֵλÖà      D£®¶Ï¿ªµç·¿ª¹Ø
£¨4£©ÔÚʵÑéÖУ¬Èôµçѹ±íʾÊýΪ2V£¬ÎªÁËʹµÆÁ½¶Ëµçѹ´ïµ½3.8V£¬±ØÐ뽫»¬Æ¬ÏòÓÒ£¨×ó/ÓÒ£©µ÷½Ú£»µ±Ð¡µÆÅÝÕý³£·¢¹âʱ£¬µçÁ÷±íʾÊýÈçͼ±û£¬ÔòµÆÅݵĶ¹¦ÂÊΪ1.52 W£»
£¨5£©Íê³ÉÉÏÊöʵÑéºó£¬Ð¡Ã÷°ÑСµÆÅݸü»»³É¶¨Öµµç×裨Èçͼ¶¡£©£¬ÀûÓÃÔ­µç·¼ÌÐøÌ½¾¿¡°µçÁ÷Óëµç×衱µÄ¹ØÏµ£ºÊµÑéʱ£¬Ð¡Ã÷ÏȽ«5¦¸µç×è½ÓÈëµç·£¬µ÷½Ú»¬¶¯±ä×èÆ÷ʹµçѹ±íʾÊýΪ2V£¬¼Ç϶ÔÓ¦µÄµçÁ÷£»ÔÙ½«5¦¸µÄµç×è¸ü»»Îª10¦¸µç×裬½«»¬¶¯±ä×èÆ÷Êʵ±Ïò×ó£¨×ó/ÓÒ£©Òƶ¯£¬Ê¹µçѹ±íʾÊýÈÔΪ2V£»µ±Ð¡Ã÷ÔÙ»»½Ó15¦¸µç×èʱ£¬·¢ÏÖÎÞÂÛÔõÑùµ÷½Ú»¬¶¯±ä×èÆ÷£¬¶¼²»ÄÜʹµçѹ±íʾÊýΪ2V£¬·ÖÎöÆä¿ÉÄܵÄÔ­Òò»¬¶¯±ä×èÆ÷×î´ó×èֵ̫С£¨´ð³öÒ»ÖÖÇé¿ö¼´¿É£©£®ÇëÄãÔÚ²»Ôö¼õÆ÷²ÄµÄÌõ¼þϰïСÃ÷½â¾öÕâ¸öÎÊÌ⣬Íê³ÉʵÑ飬ÄãµÄ·½·¨ÊÇ£º°ÑRÁ½¶Ëµçѹµ÷µ½2.5V£»
£¨6£©²âÁ¿½áÊøºó£¬Ó¦¶Ï¿ª¿ª¹Ø£¬ÏȲð³ýµçÔ´Á½¶ËµÄµ¼Ïߣ¬ÔÙ²ð³ýÆäËûµ¼Ïߣ®

²é¿´´ð°¸ºÍ½âÎö>>

¿ÆÄ¿£º³õÖÐÎïÀí À´Ô´£º ÌâÐÍ£º½â´ðÌâ

18£®ÈçͼËùʾijͬѧ×ö¡°²â¶¨Ò»¸öСµÆÅݵŦÂÊ¡±µÄʵÑ飬ËùÓõÆÅݵĶµçѹÊÇ2.2V£®
£¨1£©Á¬½Óµç·ʱ£¬¿ª¹ØÓ¦´¦ÓÚ¶Ï¿ª×´Ì¬£¬±ÕºÏ¿ª¹ØÇ°£¬±ä×èÆ÷µÄ»¬Æ¬PÓ¦´¦ÓÚC ¶Ë£¨Ñ¡ÌîC»òD£©£® 
£¨2£©Çë»­³öÏà¶ÔÓ¦µÄµç·ͼ£®
£¨3£©µç·Á¬½ÓÍêÕûºó£¬µ±ÏòÓÒÒÆ¶¯±ä×èÆ÷µÄ»¬Æ¬Pʱ£¬µçѹ±íµÄʾÊý½«±ä´ó£¬µçÁ÷±íµÄʾÊý½«±äС£¨Ìî¡°±ä´ó¡±¡°±äС¡±»ò¡°²»±ä¡±£©£®
£¨4£©Êµ¼ÊʵÑéµÄÓйؼǼÓë¼ÆËãÈç±í£¬´Ó±íÖпÉÖª£¬¸ÃСµÆÅݵĵç×èÊÇ10¦¸£¬¶î¶¨¹¦ÂÊÊÇ0.48W£®
ʵÑé´ÎÊý123
µçѹ£¨V£©2.21.52.5
µçÁ÷£¨A£©0.220.160.24
¹¦ÂÊ£¨W£©0.480.240.60

²é¿´´ð°¸ºÍ½âÎö>>

¿ÆÄ¿£º³õÖÐÎïÀí À´Ô´£º ÌâÐÍ£º½â´ðÌâ

5£®ÈçͼÊÇСÃ÷ÀûÓÃÈô¸ÉÖÊÁ¿¾ùΪ50gµÄ¹³ÂëºÍ´øÓп̶ȵÄÔÈÖʸܸ˽øÐÐ̽¾¿¡°¸Ü¸ËµÄƽºâÌõ¼þ¡±ÊµÑ飮

£¨1£©ÊµÑéǰ£¬½«¸Ü¸ËµÄÖеãÖÃÓÚÖ§¼ÜÉÏ£¬ÈçͼaËùʾ£¬´Ëʱ¸Ü¸ËÊÇ£¨Ìî¡°ÊÇ¡±»ò¡°·ñ¡±£©´¦ÓÚÆ½ºâ״̬£®ÎªÁËÈøܸËÔÚˮƽλÖÃÆ½ºâ£¬Ó¦½«Æ½ºâÂÝĸÏò×ó£¨Ñ¡Ìî¡°×ó¡±»ò¡°ÓÒ¡±£©¶Ëµ÷½Ú£¬ÕâÑù×öµÄÄ¿µÄÊÇÏû³ý¸Ü¸Ë×ÔÉíÖØÁ¦µÄÓ°Ï죮
£¨2£©¸ø¸Ü¸ËÁ½¶Ë¹ÒÉϲ»Í¬ÊýÁ¿µÄ¹³Âë£¬ÒÆ¶¯¹³ÂëµÄλÖã¬Ê¹¸Ü¸ËÖØÐÂÔÚˮƽλÖÃÆ½ºâ£¬ÕâÑù×öµÄÄ¿µÄÊDZãÓÚÖ±½ÓÔڸܸËÉϲâÁ¿Á¦±Û£®
£¨3£©ÔÚij´ÎʵÑéÖУ¬ÈôÔÚAµãÐü¹ÒÁ½¸ö¹³Â룬Ҫʹ¸Ü¸ËÔÚˮƽλÖÃÆ½ºâ£¬Óõ¯»É²âÁ¦¼ÆÔÚCµãÊúÖ±ÏòÉÏÀ­£¬Ôò²âÁ¦¼ÆµÄÀ­Á¦Îª0.75N£»
´óÁ¿µÄʵÑé½á¹û±íÃ÷£¬¸Ü¸ËµÄƽºâÌõ¼þÊÇF1L1=F2L2£®

²é¿´´ð°¸ºÍ½âÎö>>

¿ÆÄ¿£º³õÖÐÎïÀí À´Ô´£º ÌâÐÍ£ºÌî¿ÕÌâ

2£®Ä³¹¤ÈËÔÚˮƽ·½ÏòÉÏÓÃ130NµÄÁ¦Íƶ¯ÖØ550NµÄÖØÎʹÎïÌåÔÚˮƽµØÃæÉÏÒÔ0.3m/sµÄËÙ¶Èǰ½øÁË70m£¬Õâʱ¹¤ÈËËù×öµÄ¹¦ÊÇ9100J£¬¹¦ÂÊÊÇ39W£®

²é¿´´ð°¸ºÍ½âÎö>>

¿ÆÄ¿£º³õÖÐÎïÀí À´Ô´£º ÌâÐÍ£º½â´ðÌâ

3£®Ï±íΪijµç¿¾ÏäÃúÅÆ£¬ÈçͼÐéÏßÄÚËùʾÊǵ翾ÏäÄÚ²¿¼ò»¯µç·ͼ£¬R1ºÍR2¾ùΪµçÈÈË¿£®
¡Á¡ÁÅÆµç¿¾Ïä
¶î¶¨µçѹ220V
¶î¶¨¹¦Âʸßε²1100W
µÍε²440W
ƵÂÊ50Hz
Ç󣺣¨1£©ÈôÔÚµç·ÖмÓÒ»¸ö¡°ÏÞ¸ßοª¹Ø¡±£¬µ±µç¿¾Ï䳬¹ýÒ»¶¨Î¶ÈʱÄÜ×Ô¶¯¶Ï¿ªµç·£¬¸Ã¿ª¹Ø×îºÃ°²×°ÔÚA¡¢B¡¢CÖеÄBµã´¦£®
£¨2£©µç¿¾ÏäÔÚ¸ßεµ¹¤×÷10·ÖÖÓËù²úÉúµÄÈÈÁ¿£®
£¨3£©µç·ÖÐR2µÄ×èÖµ£®

²é¿´´ð°¸ºÍ½âÎö>>

ͬ²½Á·Ï°²á´ð°¸