精英家教网 > 初中物理 > 题目详情
3.用电源、电流表、滑动变阻器、电阻箱()各1个,2个开关及若干条导线,对额定电流为0.3A的小灯泡的额定功率进行测定.
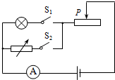
(1)请在虚线框内画出设计的电路图.
(2)写出实验步骤及计算额定功率的表达式.

分析 根据电功率的公式P=UI,结合提供的实验器材,设计实验,画出电路图,并写出表达式.

解答 解:(1)使灯泡与变阻箱并联,滑动变阻器串联在干路中,电流表串联在干路中,灯泡和电阻箱支路中各有一个开关控制,如下图所示:

(2)实验步骤:
①按电路图连接电路后,只闭合S1,移动变阻器滑片,使电流表示数为0.3A;
②断开S1,闭合S2,滑片不动,调节电阻箱,当电流表示数为0.3A时,读出电阻箱连入电路中的电阻为R.
当小灯泡或电阻箱单独接入电路中时,若电流表示数均为0.3A,则小灯泡正常发光时的电阻与电阻箱接入电路中时的电阻值相等,大小为R;
小灯泡额定功率的表达式:由P=UI和I=$\frac{U}{R}$可得,P=I2R=(0.3A)2R.
答:(1)如上图;
(2)实验步骤:
①按电路图连接电路后,只闭合S1,移动变阻器滑片,使电流表示数为0.3A;
②断开S1,闭合S2,滑片不动,调节电阻箱,当电流表示数为0.3A时,读出电阻箱连入电路中的电阻为R.
小灯泡额定功率的表达式:P=(0.3A)2R.

点评 本题考查了测定小灯泡电功率实验,创造性的设计测定小灯泡的测量实验,知识点较多,实验设计有一定难度,需要对实验过程深入理解和熟练掌握.

练习册系列答案
相关习题

科目:初中物理 来源: 题型:填空题

9.某同学用自制的一个机翼模型,探究流体的压强与流速的关系,他把机翼模型固定在一根铁丝上,在铁丝的上、下端各挂一个弹簧测力计,如图甲所示.当他接通电风扇对机翼模型吹风时,发现两个弹簧测力计的示数变化情况是:A弹簧测力计示数变小,B弹簧测力计示数变大.

根据该同学观察到的实验现象,请回答下面的问题:
(1)实验时,机翼模型的上表面的空气流速大于(大于/小于/等于)机翼模型的下表面的空气流速;
(2)这个实验说明气体的压强与流速的关系是:流速越大的地方压强越小;
(3)如图乙是某科研部门设计的实验太阳能汽车,在行驶过程中,这种形状的汽车具有的优点是:在行驶时会受到升力的作用,使汽车对地面的压力减小,从而可减小汽车受到的地面摩擦力(或减小空气阻力).(说出一点即可)

查看答案和解析>>

科目:初中物理 来源: 题型:解答题

10.如图所示,工人用滑轮组提升2000N的物体.问:
(1)若不计摩擦力和动滑轮重,工人提起这个重物至少需要多大的力?
(2)若实际拉力为800N,此时滑轮组的效率是多少?
(3)若实际拉力为800N,在1min的时间内物体上升3m,拉力做了多少功?其功率是多少?提升物体做了多少功?其功率是多少?

查看答案和解析>>

科目:初中物理 来源: 题型:解答题

11.如图所示,将一块重力为3N,体积为100cm3的石块,用细绳系着浸没在装有水的圆柱形容器中,容器中水的深度由10cm上升到12cm,不计容器的重力和容器壁的厚度.求:
(1)放入石块前水对容器底部的压强
(2)石块浸没后静止时细绳受到的拉力
(3)细绳松动,石块沉到容器底静止后,容器对水平地面的压强.

查看答案和解析>>

科目:初中物理 来源: 题型:解答题

18.小明用天平、大烧杯、小烧杯和密度为ρ的水测一石块的密度

(1)天平平衡时如图甲所示,石块的质量m=67g
(2)小明测量石块体积的操作步骤如下:
a.测出空小烧杯的质量m1
b.把装了水的大烧杯和空的小烧杯如图乙放置
c.把石块缓缓放入并完全浸没大烧杯的水中,大烧杯中部分水溢进小烧杯
d.测出承接了已出的小烧杯总质量m2
请你指出步骤b的错误之处大烧杯的水没有到溢水口处
(3)用本题中出现过的物理量符号表示石块密度为$\frac{m}{{m}_{2}-{m}_{1}}$ρ(设步骤b中的错误已改正)

查看答案和解析>>

科目:初中物理 来源: 题型:解答题

8.在探究“电流根电压、电阻关系”实验中:

(1)小明设计了图甲所示的电路图,请你用笔画线代替导线帮助他将图乙实物电路连接完整,要求滑片在最右端时滑动变阻器连入电路的阻值最大.
(2)小明进行了以下实验操作:
步骤1:保持定值电阻R的阻值不变,闭合开关S后,使R两端的电压成倍数变化,如3V、6V、9V,分别读出并记录对于应于不同电压下的电流表示数,比较电流表的示数是否成整数倍的变化.
步骤2:换用不同的定值电阻,使电阻成整数倍的变化,如5Ω、10Ω、15Ω,保持每次定值电阻两端的电压不变,分别读出并记录对应于不同阻值的电流表示数,比较每次的电阻值与电流值的乘积是否相等.
分析:
①小明设计“步骤1”的目的是为了探究在电阻一定时,通过导体中的电流与它两端电压的关系.
②小明做“步骤2”,选用“5Ω”电阻时,电流表的示数为0.2A,当换上“10Ω”的电阻,还未调节滑动变阻器的滑片时(不考虑温度对电阻的影响),会发现电流表的示数大于0.1A(选填“大于”、“小于”或“等于”).

查看答案和解析>>

科目:初中物理 来源: 题型:解答题

15.下面是小彬同学对一块圆柱型实心铝锂合金的密度进行测量的实验.
(1)用调节好的天平测量合金的质量,平衡时砝码规格和游码的位置如图所示,合金的质量是92g.
(2)合金体积为40cm3,计算出合金的密度为2.3g/cm3
(3)取出合金擦干水,用细线挂在弹簧测力计下,再浸没在不与合金反应的某液体中,测力计的示数为0.4N,该液体的密度为1.3×103kg/m3

查看答案和解析>>

科目:初中物理 来源: 题型:解答题

12.如图是探究“物体的动能的大小与什么因素有关?”的实验示意图.
①该实验要探究的是物体动能的大小与物体速度的关系.②该实验物体的动能是指物体A(选填“A”或“B”)的动能.
③该实验物体动能的大小是通过物体B被推动的距离s来反映的.
④该实验物体的速度是指物体A从斜面上静止滚下与物体B碰撞时碰前A( 选填“碰前A”、“碰后A”、“碰前B”或“碰后B”)的速度,它是通过高度(选填“高度”或“质量”)来改变的.
⑤实验中多次让物体从斜面同一高度上静止滚下时,应改变物体A(选填“物体A”或“物体B”)的质量,这是为了研究物体动能与物体质量的关系.

查看答案和解析>>

科目:初中物理 来源: 题型:选择题

13.2013年6月4日,一架国航由成都飞往广州的波音757客机的机载雷达罩在数千米高空被小鸟撞出一个大凹洞,如图.由于机组人员处置得当,事件未造成人员伤亡.下列关于小鸟和飞机相撞时的说法,正确的是(  )
A.小鸟和飞机相撞时,只有飞机受力
B.小鸟和飞机相撞时,只有小鸟施力
C.小鸟能撞破飞机,说明力可以改变物体的形状
D.小鸟能撞破飞机,说明小鸟撞飞机的力大于飞机撞小鸟的力

查看答案和解析>>

同步练习册答案