精英家教网 > 高中物理 > 题目详情

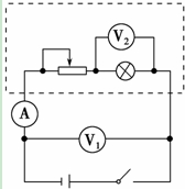
用下列器材组装成一个电路,既能测量出电池组的电动势E和内阻r,又能同时描绘小灯泡的伏安特性曲线。

       A.电压表V1(量程6V、内阻很大)

       B.电压表V2(量程 4V、内阻很大)

       C.电流表A(量程 3A、内阻很小)

       D.滑动变阻器R(最大阻值 10Ω、额定电流 4A)

       E.小灯泡(2A、7W)

       F.电池组(电动势

       E、内阻 r)

       G.开关一只,导线若干

实验时,调节滑动变阻器的阻值,多次测量后发现:若电压表V1的示数增大,则电压表V2的示数减小。

   (1)请将设计的实验电路图在图甲中补充完整。

   (2)每一次操作后,同时记录电流表 A、电压表V1和电压表V2的示数,组成两个坐标点(I,U1),标到U)、(I,U2I坐标中,经过多次测量,最后描绘出两条图线,如图乙所示,则电池组的电动势E=_____V、内阻r=_____赘。(结果保留两位有效数字)

   (3)在U-I坐标中两条图线在P点相交,此时滑动变阻器连入电路的阻值应为________Ω,电池组的效率为________(结果保留两位有效数字)。


 (1)电路如图所示.(2分)

(2) E=5.5 V,   r=1.0 Ω.  ( 每空2分)

(3) 0Ω. (1分)64%.(2分)


练习册系列答案
相关习题

科目:高中物理 来源: 题型:


电池的内阻很小,不便于直接测量.某探究小组的同学将一只2.5Ω的保护电阻R0与电池串联后再用电流表和电压表测电池的电动势和内阻,实验电路如图1所示。

①按电路原理图把实物电路补画完整;

②实验中测定出了下列数据:

I/A

0.10

0.15

0.17

0.23

0.25

0.30

U/V

1.20

1.10

1.00

0.80

1.00

0.60

请根据数据在图2中坐标图上画出I-U图象.连线时,有一组数据是弃之不用的,原因是

③由I-U图象得出电池的电动势为 V,内阻为 Ω。

查看答案和解析>>

科目:高中物理 来源: 题型:


水平桌面上有两个玩具车A和B,两者用一轻质细橡皮筋相连,存橡皮筋上有一红色标记R。在初始时橡皮筋处于拉直状态,A、B和R分别位于直角坐标系中的(0,2l)(0,-l,)和(0,0)点。已知A从静止开始沿y轴正向做加速度太小为a的匀加速运动:B平行于x轴朝x轴正向匀速运动。在两车此后运动的过程中,标记R在某时刻通过点(l,l)。假定橡皮筋的伸长是均匀的,求B运动速度的大小。

查看答案和解析>>

科目:高中物理 来源: 题型:


实验室有:A、电磁打点计时器B、电火花计时器C.低压交流电源(周期为T),利用这些器材做“验证机械能守恒定律”实验。

       ①为减小误差,计时器应选取          (填代号).要完成实验,还必需增加的器材是                           

       ②图乙是实验得到一条打点清晰的纸带,测得第1、2两个点间的距离明显大于2mm,造成这种现象的原因是                     。'

       ③甲同学用求第n点的速度,乙同学用求第n点的速度。你认为         同学是正确的,另一同学错误的原因是                

④根据正确的同学的实验数据作出图所示的V2-h图像,则由图求得重锤下落的加速度a=   m/s2。此加速度在误并非的范围内与当地重力加速度相等,所以机械能守恒。

查看答案和解析>>

科目:高中物理 来源: 题型:


如图所示,MN、PQ是圆的两条相互垂直的直径,O为圆心。两个等量正电荷分别固定在M、N两点。现有一带电的粒子(不计重力及粒子对电场的影响)从P点由静止释放,粒子恰能在P、Q之间做直线运动,则以下判断正确的是

       A.O点的电势一定为零

       B.P点的电势一定比O点的电势高

       C.粒子一定带正电

       D.粒子在P点的电势能一定等于Q点的电势能

查看答案和解析>>

科目:高中物理 来源: 题型:


如图所示,两列简谐横波分别沿x轴正方向和负方向传播,两波源分别位于x=-0.2m和x=1.2m处,两列波的速度均为v=0.4 m/s,两波源的振幅均为A=2 cm。图示为 t=0时刻两列波的图像(传播方向如图所示),此刻平衡位置处于x=0.2m和x=0.8m的P、Q两质点刚开始振动。质点M的平衡位置处于x=0.5m处,关于各质点运动情况判断正确的是:

       A.两列波相遇后振幅仍然为2cm

       B.t=1s时刻,质点M的位移为-4 cm

       C.t=1s时刻,质点M的位移为+4 cm

       D.t=0.75s时刻,质点P、Q都运动到M点E.质点P、Q的起振方向都沿y轴负方向

查看答案和解析>>

科目:高中物理 来源: 题型:


无限大接地金属板竖直放置,与金属板(O点为面中心)相距为d的某点处放有一电量为q的正点电荷,它们之间的电场线分布如图甲所示。电场中有M、N两点(N点位于板面上),M到点电荷之间、NO点之间的距离均为d,图乙为两个等量异种点电荷之间的电场线分布。比较M、N两点的电场强度大小EM、EN ,有(   )

A. EM >EN        B. EM =EN      C. EM <EN        D.无法确定

  

查看答案和解析>>

科目:高中物理 来源: 题型:


在核反应堆的废料中含有大量的,可自发放出一个粒子衰变为,①写出该过程的核反应方程                    

②若此过程发生在垂直纸面向里的匀强磁场中,核反冲速度的方向为        (填“向上”或“向下”)。

查看答案和解析>>

科目:高中物理 来源: 题型:


如图所示为一巨大的玻璃容器,容器底部有一定的厚度,容器中装一定量的水,在容器底部有一单色点光源,已知水对该光的折射率为,玻璃对该光的折射率为1.5,容器底部玻璃的厚度为d,水的深度也为d。

求:①这种光在玻璃和水中传播的速度

②水面形成的光斑的面积(仅考虑直接由光源发出的光线)

查看答案和解析>>

同步练习册答案