精英家教网 > 高中物理 > 题目详情

如图所示,一个“∠”型导轨垂直于磁场固定在磁感应强度为的匀强磁场中,是与导轨材料相同、粗细相同的导体棒,导体棒与导轨接触良好.在外力作用下,导体棒以恒定速度向右运动,以导体棒在图所示位置的时刻作为计时起点,下列物理量随时间变化的图像可能正确的是

 


练习册系列答案
相关习题

科目:高中物理 来源: 题型:


物理学的发展极大地丰富了人类对物质世界的认识,推动了科学技术的创新和革命,促进了物质生产的繁荣与人类文明的进步。关于物理学发展过程中的认识,下列说法中正确的是

A.牛顿第一定律是利用逻辑思维对事实进行分析的产物,不能用实验直接验证

B.丹麦天文学家第谷通过长期的天文观测,指出所有行星绕太阳运动的轨道都是椭圆,揭示了行星运动的有关规律

C.电荷量的数值最早是由美国物理学家密立根测得的

D.纽曼、韦伯在对理论和实验资料进行严格分析后,先后指出:闭合电路中感应电动势的大小,跟穿过这一电路的磁通量的变化率成正比,后人称之为法拉第电磁感应定律

查看答案和解析>>

科目:高中物理 来源: 题型:


某同学在研究性学习中用图示装置来验证牛顿第二定律,轻绳两端系着质量相等的物体AB,物体B上放一金属片C,铁架台上固定一金属圆环,圆环处在物体B的正下方。系统静止时,金属片C与圆环间的高度差为h,由静止释放后,系统开始运动。当物体B穿过圆环时,金属片C被搁置在圆环上,两光电门固定在铁架台P1P2处,通过数字计时器可测出物体B通过P1P2这段距离的时间。

⑴若测得P1P2之间的距离为d,物体B通过这段距离的时间为t,则物体B刚穿过圆环后的速度v        

⑵若物体AB的质量均用M表示,金属片C的质量用m表示,该实验中验证下面      (填正确选项的序号)等式成立,即可验证牛顿第二定律;

A.mg        B.mg        C.mg=(2Mm)        D.mg=(Mm)

⑶本实验中的测量仪器除了刻度尺、数字计时器外,还需要             

⑷若Mm,改变金属片C的质量m,使物体B由同一高度落下穿过圆环,记录各次的金属片C的质量m,以及物体B通过PlP2这段距离的时间t,以mg为横轴,以       (填“t2”或“”)为纵轴,通过描点作出的图线是一条过原点的直线。

查看答案和解析>>

科目:高中物理 来源: 题型:


如图甲所示,一个n=100匝,面积为S=0.6m2的圆形金属线圈,其总电阻r=2.0Ω, 与R=10Ω的电阻连接成闭合电路。线圈内存在方向垂直纸面向里,磁感应强度Bt=2t + 3 (T)规律变化的磁场。电阻R两端并联一对平行金属板MNN板右侧为坐标系的第一象限(坐标原点ON板的下端),虚线OAx轴成45°角。yOA区域有垂直于纸面向外的匀强磁场B,xOA区域加如图乙所示周期性变化的电场E(规定沿x轴正方向的电场为正)。在靠近M板的P点由静止释放一个质量为m = 2×10-3kg,带电量 q=0.1C的粒子(重力不计),粒子经过N板的小孔Q(0, 2m)点垂直于y轴进入第一象限。t=0(从粒子进入电场时开始计时)时刻粒子经过OA上某点(未画出)沿-y方向进入电场,最后恰好垂直打在x轴上的 C (1.5m, 0)点。求:

(1)   金属线圈的感应电动势E和平行金属板MN间的电压U;

(2)   yOA区域内的磁感应强度B

(3)   xOA区域内电场的变化周期T和电场强度E0

查看答案和解析>>

科目:高中物理 来源: 题型:


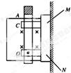
如图所示为一种自动跳闸的闸刀开关,O是转动轴,A是绝缘手柄,C是闸刀卡口,MN接电源线,闸刀处于垂直纸面向里、B=1 T的匀强磁场中,CO间距离为10 cm,当磁场力为 0.2 N时,闸刀开关会自动跳开.则要使闸刀开关能跳开,CO中通过的电流的大小和方向为

A.电流方向CO     B.电流方向OC   

C.电流大小为1 A    D.电流大小为0.5 A

查看答案和解析>>

科目:高中物理 来源: 题型:


如图所示相互垂直,将空间分成两个区域,.区域Ⅰ中有垂直于纸面向外的匀强磁场,区域Ⅱ中有平行于,大小为的匀强电场和另一未知匀强磁场(方向垂直纸面,图中未画出).一束质量为、电量为的粒子以不同的速率(速率范围0~)自点垂直于射入区域Ⅰ.其中以最大速率射入的粒子恰能垂直于进入区域Ⅱ.已知间距为,不计粒子重力以及粒子间的相互作用.试求:

(1)区域Ⅰ中匀强磁场的磁感应强度大小;

(2)为使速率为的粒子进入区域Ⅱ后能沿直线运动,则区域Ⅱ的磁场大小和方向;

(3)分界线上,有粒子通过的区域的长度.

查看答案和解析>>

科目:高中物理 来源: 题型:


在研究加速度a 和力F、质量m的关系时,应用的是(             )   

A.控制变量的方法                          B.等效替代的方法

C.理论推导的方法                          D.理想实验的方法

查看答案和解析>>

科目:高中物理 来源: 题型:


某同学在使用质量为m的重物来验证“机械能守恒定律”的实验中,在选定的纸带上依次取计数点如图所示.纸带上所打的点记录了重物在不同时刻的位置.设相邻计数点的时间间隔为T,且O为打下的第一个点.当打点计时器打下点“3”时,物体的动能的表达式为      ▲     ,物体减少的重力势能为     ▲     

查看答案和解析>>

科目:高中物理 来源: 题型:


一人以不变的速度向河对岸游去,游到河中间时,水的流速增大,则渡河人实际所用时间比预定时间(  )

A. 不变                                              B. 减小              C. 增大               D. 不能确定

查看答案和解析>>

同步练习册答案