精英家教网 > 高中物理 > 题目详情

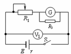
某同学要测量一节干电池的电动势和内电阻。实验室除提供开关S和导线外,有以下器材可供选择:

电压表:V1(量程3V,内阻Rv1=10kΩ)

电压表:V2(量程15V,内阻Rv2=50kΩ)

电流表:G(量程3mA,内阻Rg=100Ω)

电流表:A(量程3A,内阻约为0.5Ω)

滑动变阻器:R1(阻值范围0~10Ω,额定电流2A)

R2(阻值范围0~1000Ω,额定电流1A)

定值电阻:R3=0.5Ω   R4=10Ω

①为了能准确地进行测量,同时为了操作方便,实验中电压表应选用      ,滑动变阻器应选用_______(填写器材的符号)。该同学发现所给的两个电流表的量程均不符合要求,他将电流表G进行改装,电流表G应与定值电阻     并联,改装后的电流表对应的量程是_______A。

②在如图所示的虚线框内,画出该同学实验连线时依据的实验原理图。

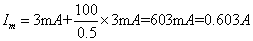
③电流表G改装后其表盘没有来得及重新刻度,该同学利用上述实验原理测得数据,以电流表G的读数为横坐标,以电压表V的读数为纵坐标绘出了如图所示的图线,根据图线可求出电源的电动势E=_______V (结果保留三位有效数字),电源的内阻r=_______Ω (结果保留两位有效数字)。


(2)①V1、 R1  R 0.603  ②  如图所示 

 ③  1.48,0.85

【解析】

试题分析:①由于一节干电池的电动势为1.5V,所以电压表选V1,滑动变阻器选R1,所以通过滑动变阻器的最小电流为,即所给电流表均不符合要求,将电流表G进行改装,电流表G应与定值电阻R4=10Ω并联,改装后的电流表对应的量程是,不符合要求,所以应该与电阻R3并联,量程为

②将电流表G与电阻R3并联组成电流表,电压表测量全部外电路的电压,由此画出测电源电动势的原理图如图所示.

③由图像可知电动势E=1.48V,由图像可知当图中电流为2.5mA时电流表的示数为,根据斜率表示内阻的大小可知

考点:测量电源的电动势和内阻;器材选择;电表的改装;图像法处理数据.


练习册系列答案
相关习题

科目:高中物理 来源: 题型:


在如图所示,xoy坐标系第一象限的三角形区域(坐标如图中所标注)内有垂直于纸面向外的

匀强磁场,在x 轴下方有沿+y方向的匀强电场,电场强度为E。将一个质量为m、带电量为+q的粒子(重力不计)从P(0,-a)点由静止释放。由于x轴上存在一种特殊物质,使粒子每经过一次x轴速

度大小变为穿过前的倍。

(1)欲使粒子能够再次经过x轴,磁场的磁感应强度B0最小是多少?

(2)在磁感应强度等于第(1)问中B0的情况下,求粒子在磁场中的运动时间;

(3)若磁场的磁感应强度变为第(1)问中B0的2倍,求粒子运动的总路程。

查看答案和解析>>

科目:高中物理 来源: 题型:


如图甲所示,理想变压器原、副线圈的匝数比为5 :1,原线圈接交流电源和交流电压表,副线圈接有“220V,440W”的热水器、“220V,220W”的抽油烟机。如果副线圈电压按图乙所示规律变化,则下列说法正确的是

    A.副线圈两端电压的瞬时值为u=220sin(100πt)V

    B.变流电压表的示数为1100V

    C.1min内变压器输出的电能为3.96×104J

D.热水器的发热功率是抽油烟机发热功率的2倍

查看答案和解析>>

科目:高中物理 来源: 题型:


英国物理学家法拉第引入了“电场”和“磁场”的概念,并用画电场线和磁感线的方法来描述电场和磁场,为经典电磁学理论的建立奠定了基础。下列相关说法正确的是

    A.电荷和电荷、通电导体和通电导体之间的相互作用是通过电场发生的

    B.磁场和磁极、磁极和通电导体之间的相互作用是通过磁场发生的

    C.电场线和电场线不可能相交,磁感线和磁感线可能相交

    D.通过实验可发现电场线和磁感线的存在

查看答案和解析>>

科目:高中物理 来源: 题型:


如图所示,一直流电动机与阻值R=9 Ω的电阻串联在电上,电电动势E=30 V,内阻r=1 Ω,用理想电压表测出电动机两端电压U=10 V,已知电动机线圈电阻RM=1 Ω,则下列说法中正确的是(   )

A.通过电动机的电流为10 A

B.通过电动机的电流小于10 A

C.电动机的输出功率大于16 W

D.电动机的输出功率小于16 W

查看答案和解析>>

科目:高中物理 来源: 题型:


四个塑料小球,A和B互相排斥,B和C互相吸引,C和D互相排斥.如果D带正电,则B球的带电情况是             (     )

A.带正电.     B.带负电.     C.不带电.     D.可能带负电或不带电.

查看答案和解析>>

科目:高中物理 来源: 题型:


如图4中a、b、c是匀强电场中同一平面上的三个点,各点的电势分别是φa=5V,φb=2V,φc=4V,则在下列各示意图中能表示该电场强度方向的是(   )

                   

      A                   B         图4         C                    D

查看答案和解析>>

科目:高中物理 来源: 题型:


如图所示,质量为m的物块与转台之间能出现的最大静摩擦力为物块重力的k倍,物块与转轴OO′相距R,物块随转台由静止开始转动,当转速增加到一定值时,物块即将在转台上滑动,在物块由静止到滑动前的这一过程中,转台的摩擦力对物块做的功为

A.0        B.2πkmgR       C.2kmgR      D.kmgR

查看答案和解析>>

科目:高中物理 来源: 题型:


如图是点电荷电场中的一条电场线,下面说法正确的是

A.A点场强一定大于B点场强

B.在B点静止释放一个电子,将一定向A点运动

C.正电荷从A点运动到B点,其电势能一定减小

D.正电荷运动中通过A点时,其运动方向一定沿AB方向

查看答案和解析>>

同步练习册答案