精英家教网 > 高中物理 > 题目详情

如图(a)是“测电池的电动势和内阻”的实验电路,如果采用一节新干电池进行实验,实验时会发现,当滑动变阻器在阻值较大的范围内调节时,电压表_____________, 原因是:________________________________,从而影响测量值的精确性.

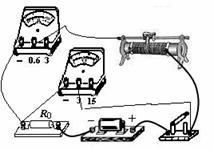
为了较精确地测量一节新干电池的内阻,可用以下给定的器材和一些导线来完成实验,器材:量程3V的理想电压表V,量程0.6A的电流表A(具有一定内阻),定值电阻R0(R0=1.5Ω),滑动变阻器R1(0 ~ 10Ω),滑动变阻器R2(0 ~ 200Ω),开关S.

(1)实验电路原理图如图(b),加接电阻R0有两方面的作用,一是方便实验操作和数据测量,二是                                               .

(2)为方便实验调节且能较准确地进行测量,滑动变阻器应选用        (填R1或 R2).

(3)用笔画线代替导线在图(c)丙中完成实物连接图.

(4)实验中改变滑动变阻器的阻值,测出几组电流表和电压表的读数在给出的U-I坐标系中画出U-I图线如图(d)所示,则新干电池的内阻r =_____Ω


电压表读数变化很小(1分),新电池的内阻很小,内电路的电压降很小.(1分)

(1)防止变阻器电阻过小时,电池被短路或电流表被烧坏(或限制电流,防止电源短路). (2分)

(2)R1(2分)

(3)如图所示,有一处画错不给分(2分)

(4)0.25~0.30(2分)


练习册系列答案
相关习题

科目:高中物理 来源: 题型:


在“探究求合力的方法”实验中,现有木板、白纸、图钉、橡皮筋、细绳套和一把弹簧测力计。为了完成实验,某同学另找来一根弹簧,先测量其劲度系数,得到的实验数据如下表。

①在答卷上的坐标方格上作出Fx图象,并求得弹簧的劲度系数k=         N/m。

②某次实验中,弹簧测力计的指针位置如图所示,其读数为          N,同时利用①中结果获得弹簧上的弹力值为2.50N。

③请在答卷画上出两个共点力的合力F,并由作图得到F=            N

查看答案和解析>>

科目:高中物理 来源: 题型:


水平地面上有一固定的斜面体,一木块从粗糙斜面底端以一定的初速度沿斜面向上滑动后又沿斜面加速下滑到底端.则木块

A.上滑时间等于下滑时间

B.上滑的加速度大小大于下滑的加速度大小

C.上滑过程与下滑过程中速度的变化量相等

D.上滑过程与下滑过程中机械能的减小量相等

查看答案和解析>>

科目:高中物理 来源: 题型:


随着科学技术的发展,磁动力作为一种新型动力系统已经越来越多的应用于现代社会,如图13所示为电磁驱动装置的简化示意图,两根平行长直金属导轨倾斜放置,导轨平面与水平面的夹角为q,导轨的间距为L,两导轨上端之间接有阻值为R的电阻。质量为m的导体棒ab垂直跨接在导轨上,接触良好,导体棒与导轨间的动摩擦因数为μ=tanθ,导轨和导体棒的电阻均不计,且在导轨平面上的矩形区域(如图中虚线框所示)内存在着匀强磁场,磁场方向垂直导轨平面向上,磁感应强度的大小为B。(导体棒在运动过程中始终处于磁场区域内)

(1)若磁场保持静止,导体棒在外力的作用下以速度v0沿导轨匀速向下运动,求通过导体棒ab的电流大小和方向;

(2)当磁场以某一速度沿导轨平面匀速向上运动时,可以使导体棒以速度v0沿斜面匀速向上运动,求磁场运动的速度大小;

(3)为维持导体棒以速度v0沿斜面匀速向上运动,外界必须提供能量,此时系统的效率η为多少。(效率是指有用功率对驱动功率或总功率的比值)

查看答案和解析>>

科目:高中物理 来源: 题型:


某电厂发电机的输出电压稳定,它输出的电先通过电厂附近的升压变压器升压,然后用输电线路把电能输送到远处居民小区附近的降压变压器,经降低电压后输送到用户,设升、降变压器都是理想变压器,那么在用电高峰期,白炽灯不够亮,但电厂输送的总功率增加,这时

A.升压变压器的副线圈的电压变大       B.降压变压器的副线圈的电压变小

C.高压输电线路的电压损失变大       D.用户的负载增多,高压输电线中的电流减小

查看答案和解析>>

科目:高中物理 来源: 题型:


一列简谐横波沿x轴正方向传播,周期为2 s,t=0时刻的波形如图所示.该列波的波速是___▲  __m/s;质点a平衡位置的坐标xa=2.5 m,再经____▲  __s它第一次经过平衡位置向y轴正方向运动.

查看答案和解析>>

科目:高中物理 来源: 题型:


如图所示的直角坐标系中,在直线x=-2l0到y轴区域内存在着两个大小相等、方向相反的有界匀强电场,其中x轴上方的电场方向沿y轴负方向,x轴下方的电场方向沿y轴正方向。在电场左边界上A(-2l0,-l0)到C(-2l0,0)区域内,连续分布着电量为+q、质量为m的粒子.从某时刻起由A点到C点间的粒子,依次连续以相同的速度v0沿x轴正方向射入电场.若从A点射入的粒子,恰好从y轴上的A′(0,l­0)沿x轴正方向射出电场,其轨迹如图.不计粒子的重力及它们间的相互作用.

⑴求匀强电场的电场强度E;

⑵求在AC间还有哪些位置的粒子,通过电场后也能沿x轴正方向运动?

⑶若以直线x=2l0上的某点为圆心的圆形区域内,分布着垂直于xOy平面向里的匀强磁场,使沿x轴正方向射出电场的粒子,经磁场偏转后,都能通过直线x=2l0与圆形磁场边界的一个交点处,而便于被收集,则磁场区域的最小半径是多大?相应的磁感应强度B是多大?

 


查看答案和解析>>

科目:高中物理 来源: 题型:


如图所示,两相同灯泡A1、A2,A1与一理想二极管D连接,线圈L的直流电阻不计.下列说法正确的是

A.闭合开关S后,A1会逐渐变亮

B.闭合开关S稳定后,A1、A2亮度相同

C.断开S的瞬间,A1会逐渐熄灭

D.断开S的瞬间,a点的电势比b点低

 


查看答案和解析>>

科目:高中物理 来源: 题型:


下列关于电磁场和电磁波的叙述中,正确的是

A.麦克斯韦第一次用实验证实了电磁波的存在

B.电磁波跟机械波都存在反射、折射、干涉、衍射现象

C.变化的电场一定能产生磁场

D.周期性变化的电场一定能形成电磁波

查看答案和解析>>

同步练习册答案