精英家教网 > 试题搜索列表 >在图甲所示的电路中.已知电源是电压可调的直流电源

在图甲所示的电路中.已知电源是电压可调的直流电源答案解析

科目:czwl 来源:广东省梅州市2012年初中毕业生学业考试物理试卷 题型:038

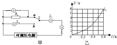
在图甲所示的电路中,已知电源为电压可调的直流学生电源,灯泡L1的额定电压为8 V,图乙是灯泡L2UI图像.

(1)当开关S接a时,电压表的示数为1.2 V,电流表的示数为0.3 A,求定值电阻R0的阻值;

(2)当开关S接a时,调节电源电压,使灯泡L1正常发光,此时R0消耗的功率为1 W,求灯泡L1的额定功率;

(3)开关Sb时,通过调节电源电压使灯泡L1正常发光,求电路消耗的总功率.

查看答案和解析>>

科目:czwl 来源:2013届山东省潍坊市九年级学业水平模拟考试(二模)物理试卷(带解析) 题型:计算题

在图甲所示的电路中,已知电源为电压可调的直流学生电源,灯泡L1的额定电压为8V,图乙是灯泡L2的U—I图像。则

(1)当开关S接时,电压表的示数为1.2V,电流表的示数为0.3A,求定值电阻R0的阻值;
(2)当开关S接时,调节电源电压,使灯泡L1正常发光,此时R0消耗的功率为1W,求灯泡L1的额定功率;
(3)开关S接b时,通过调节电源电压使灯泡L1正常发光,求电路消耗的总功率

查看答案和解析>>

科目:czwl 来源:2012-2013学年陕西省宝鸡市金台中考第二次模拟考试物理试卷(解析版) 题型:计算题

在图甲所示的电路中,已知电源为电压可调的直流学生电源,灯泡L1的额定电压为8V,图12乙是灯泡L2的U—I图像。

(1)当开关S接时,电压表的示数为1.2V,电流表的示数为0.3A,求定值电阻R0的阻值;

(2)当开关S接时,调节电源电压,使灯泡L1正常发光,此时R0消耗的功率为1W,求灯泡L1的额定功率;

(3)开关S接b时,通过调节电源电压使灯泡L1正常发光,求电路消耗的总功率。

 

查看答案和解析>>

科目:czwl 来源:2012-2013学年山东省潍坊市九年级学业水平模拟考试(二模)物理试卷(解析版) 题型:计算题

在图甲所示的电路中,已知电源为电压可调的直流学生电源,灯泡L1的额定电压为8V,图乙是灯泡L2的U—I图像。则

(1)当开关S接时,电压表的示数为1.2V,电流表的示数为0.3A,求定值电阻R0的阻值;

(2)当开关S接时,调节电源电压,使灯泡L1正常发光,此时R0消耗的功率为1W,求灯泡L1的额定功率;

(3)开关S接b时,通过调节电源电压使灯泡L1正常发光,求电路消耗的总功率

 

查看答案和解析>>

科目:czwl 来源: 题型:计算题

在图甲所示的电路中,已知电源为电压可调的直流学生电源,灯泡L1的额定电压为8V,图12乙是灯泡L2的U—I图像。

(1)当开关S接时,电压表的示数为1.2V,电流表的示数为0.3A,求定值电阻R0的阻值;
(2)当开关S接时,调节电源电压,使灯泡L1正常发光,此时R0消耗的功率为1W,求灯泡L1的额定功率;
(3)开关S接b时,通过调节电源电压使灯泡L1正常发光,求电路消耗的总功率。

查看答案和解析>>

科目:czwl 来源:广东省中考真题 题型:计算题

在图 甲所示的电路中,已知电源为电压可调的直流学生电源,灯泡L1的额定电压为8V ,图乙是灯泡L2U-I图像。
(1)当开关S时,电压表的示数为1.2V,电流表的示数为0.3A,求定值电阻R0的阻值;;
(2)当开关S接a时,调节电源电压,使灯泡L1正常发光,此时R0消耗的功率为1W ,求灯泡L1的额定功率;
(3)开关Sb时,通过调节电源电压使灯泡L1正常发光,,求电路消耗的总功率。

查看答案和解析>>

科目:czwl 来源: 题型:

在图甲所示的电路中,已知电源为电压可调的直流学生电源,灯泡L1的额定电压为8V,图12乙是灯泡L2UI图像。

(1)当开关S时,电压表的示数为1.2V,电流表的示数为0.3A,求定值电阻R0的阻值;

(2)当开关S时,调节电源电压,使灯泡L1正常发光,此时R0消耗的功率为1W,求灯泡L1的额定功率;

(3)开关Sb时,通过调节电源电压使灯泡L1正常发光,求电路消耗的总功率。

查看答案和解析>>

科目:czwl 来源:不详 题型:计算题

在图甲所示的电路中,已知电源为电压可调的直流学生电源,灯泡L1的额定电压为8V,图12乙是灯泡L2的U—I图像。

(1)当开关S接时,电压表的示数为1.2V,电流表的示数为0.3A,求定值电阻R0的阻值;
(2)当开关S接时,调节电源电压,使灯泡L1正常发光,此时R0消耗的功率为1W,求灯泡L1的额定功率;
(3)开关S接b时,通过调节电源电压使灯泡L1正常发光,求电路消耗的总功率。

查看答案和解析>>

科目:czwl 来源:不详 题型:计算题

在图甲所示的电路中,已知电源为电压可调的直流学生电源,灯泡L1的额定电压为8V,图乙是灯泡L2的U—I图像。则

(1)当开关S接时,电压表的示数为1.2V,电流表的示数为0.3A,求定值电阻R0的阻值;
(2)当开关S接时,调节电源电压,使灯泡L1正常发光,此时R0消耗的功率为1W,求灯泡L1的额定功率;
(3)开关S接b时,通过调节电源电压使灯泡L1正常发光,求电路消耗的总功率

查看答案和解析>>

科目:czwl 来源: 题型:


在图甲所示的电路中,已知电源为电压可调的直流学生电源,R0是定值电阻,灯泡L1的额定电压为8V,图乙是灯泡L2的U-I图象。

    (1)当开关S接a时,电压表示数为1.0V,电流表示数为0.25A,求R0的阻值;

    (2)当开关S接a时,调节电源电压,使灯泡L,正常发光,此时R0消耗的功率为1W,求灯泡L1的额定功率;

    (3)开关S接b时,通过调节电源电压使灯泡L1正常发光,1min该电路消耗电能是多少?  

 


查看答案和解析>>

科目:czwl 来源:2016届辽宁大石桥水源二中初三上期期末物理卷(解析版) 题型:计算题

在图甲所示的电路中,已知电源为电压可调的直流学生电源,灯泡L1的额

定电压为8V,图乙是灯泡L2的U—I图像。

(1)当开关S接a时,电压表的示数为1.2V,电流表的示数为0.3A,求定值电阻R0的阻值;

(2)当开关S接a时,调节电源电压,使灯泡L1正常发光,此时R0消耗的功率为1W,求灯泡L1的额定功率;

(3)开关S接b时,通过调节电源电压使灯泡L1正常发光,求电路消耗的总功率。

查看答案和解析>>

科目:czwl 来源:2016届河北省保定市高阳县九年级中考模拟物理试卷(解析版) 题型:计算题

在图甲所示的电路中,已知电源为电压可调的直流学生电源,R0是定值电阻,灯泡L1的额定电压为8V,图乙是灯泡L2的U﹣I图象.

(1)当开关S接a时,电压表示数为1.0V,电流表示数为0.25A,求R0的阻值;

(2)当开关S接a时,调节电源电压,使灯泡L1正常发光,此时R0消耗的功率为1W,求灯泡L1的额定功率;

(3)开关S接b时,通过调节电源电压使灯泡L1正常发光,1min该电路消耗电能是多少?

查看答案和解析>>

科目:czwl 来源:2016届江苏省宿迁市四区县六校九年级下第二次学情调研物理试卷(解析版) 题型:计算题

在图甲所示的电路中,已知电源为电压可调的直流学生电源,R0是定值电阻,灯泡L1的额定电压为8V,灯泡L2标有“6V 3.6W”字样,图乙是灯泡L2的U-I图象

(1)当开关S接a时,电压表示数为1.0V,电流表示数为0.25A,求R0的阻值;

(2)当开关S接a时,调节电源电压,使灯泡L1正常发光,此时R0消耗的功率为1W,求灯泡L1的额定功率;

(3)开关S接b时,通过调节电源电压使灯泡L1正常发光,1min该电路消耗电能是多少?

查看答案和解析>>

科目:czwl 来源:2016届河北省沧州市初三期末物理卷(解析版) 题型:计算题

在图甲所示的电路中,已知电源为电压可调的直流学生电源,R0是定值电阻,灯泡L1的额定电压为8V,图乙是灯泡L2的U I图象.

(1)当开关S接a时,电压表示数为1.0V,电流表示数为0.25A,求R0的阻值;

(2)当开关S接a时,调节电源电压,使灯泡L,正常发光,此时R0消耗的功率为1W,求灯泡L1的额定功率;

(3)开关S接b时,通过调节电源电压使灯泡L1正常发光,1min该电路消耗电能是多少?

查看答案和解析>>

科目:czwl 来源:2017届辽宁大石桥水源镇九年制学校九年级上学期期末模拟物理试卷(解析版) 题型:综合题

在图甲所示的电路中,已知电源为电压可调的直流学生电源,灯泡L1的额定电压为8V,图乙是灯泡L2的U—I图像。

(1)当开关S接a时,电压表的示数为1.2V,电流表的示数为0.3A,求定值电阻R0的阻值;

(2)当开关S接a时,调节电源电压,使灯泡L1正常发光,此时R0消耗的功率为1W,求灯泡L1的额定功率;

(3)开关S接b时,通过调节电源电压使灯泡L1正常发光,求电路消耗的总功率。

查看答案和解析>>

科目:czwl 来源:河南省南阳市九年级下学期结业考试物理试卷(解析版) 题型:综合题

在图甲所示的电路中,已知电源为电压可调的直流学生电源,R0是定值电阻,灯泡L1的额定电压为8 V,图乙是灯泡L2的U一I图象。

⑴当开关S接a时,电压表示数为1.0 V,电流表示数为0. 25 A,求R0的阻值;

⑵当开关S接a时,调节电源电压,使灯泡L1正常发光,此时R0消耗的功率为1W,求灯泡L1的额定电功率;

⑶开关S接b时,通过调节电源电压使灯泡L1正常发光,1min该电路消耗的电能是多少?

查看答案和解析>>

科目:czwl 来源: 题型:解答题

11.在图甲所示的电路中,已知电源为电压可调的直流学生电源,R0是定值电阻,灯泡L1的额定电压为8V,图乙是灯泡L2的U-I图象.

(1)当开关S接a时,电压表的示数为4.0V,电流表的示数为0.2A,求R0的阻值.
(2)开关S接a时,调节电源电压,使灯泡L1正常发光,此时R0消耗的功率为5W,求灯泡L1的额定功率.
(3)开关S接b时,通过调节电源电压使灯泡L1正常发光,2min该电路消耗电能是多少.

查看答案和解析>>

科目:czwl 来源: 题型:计算题

20.在图甲所示的电路中,已知电源为电压可调的直流学生电源,R0是定值电阻,灯泡L1的额定电压为8V,灯泡L2标有“6V 3.6W”字样,图乙是灯泡L2的U-I图象.
(1)当开关S接a时,电压表示数为1.0V,电流表示数为0.25A,求R0的阻值;
(2)当开关S接a时,调节电源电压,使灯泡L1正常发光,此时R0消耗的功率为1W,求灯泡L1的额定功率;
(3)开关S接b时,通过调节电源电压使灯泡L1正常发光,1min该电路消耗电能是多少?

查看答案和解析>>

科目:czwl 来源: 题型:计算题

1.在图甲所示的电路中,已知电源为电压可调的直流学生电源,R0是定值电阻,灯泡L1的额定电压为8V,图乙是灯泡L2的U-I图象.

(1)当开关S接a时,电压表示数为1.0V,电流表示数为0.25A,求R0的阻值;
(2)当开关S接a时,调节电源电压,使灯泡L1正常发光,此时R0消耗的功率为1W,求灯泡L1的额定功率;
(3)开关S接b时,通过调节电源电压使灯泡L1正常发光,1min该电路消耗电能是多少?

查看答案和解析>>

科目:czwl 来源: 题型:计算题

14.在图甲所示的电路中,已知电源为电压可调的直流学生电源,R0是定值电阻,灯泡L1的额定电压为12V,且阻值不变,图乙是灯泡L2的U-I图象.

(1)当开关S接a时,电压表示数为1.5V,电流表示数为0.25A,求R0的阻值;
(2)当开关S接a时,调节电源电压,使灯泡L1正常发光,此时L1消耗的功率为6W,求R0的实际功率;
(3)开关S接b时,调节电源电压,使灯泡L1正常发光,在一段时间内L2消耗300J的电能,求电路闭合了多少分钟?

查看答案和解析>>