精英家教网 > 初中数学 > 题目详情
6.如图,四边形OMTN中,OM=ON,TM=TN,我们把这种两组邻边分别相等的四边形叫做筝形.
(1)试探究筝形对角线之间的位置关系,并证明你的结论;
(2)在筝形ABCD中,已知AB=AD=5,BC=CD,BC>AB,BD、AC为对角线,BD=8,
①是否存在一个圆使得A,B,C,D四个点都在这个圆上?若存在,求出圆的半径;若不存在,请说明理由;
②过点B作BF⊥CD,垂足为F,BF交AC于点E,连接DE,当四边形ABED为菱形时,求点F到AB的距离.

分析 (1)证明△OMP≌△ONP,即可证得MN⊥OT,且OT平分MN;
(2)①若经过A,B,C,D四个点的圆存在,则对角互补,据此即可判断;
②已知FM⊥AB,作EG⊥AB于G,根据菱形的面积公式求得GE的长,然后根据△BNE∽△BFD求得BF的长,再根据△BEG∽△BFM求得FM的长.

解答 解:(1)猜想:筝形对角线之间的位置关系:垂直.即OT⊥MN.
证明:连接OT,MN,
在△OMT和△ONT中,
$\left\{\begin{array}{l}{OM=ON}\\{OT=OT}\\{TM=TN}\end{array}\right.$,
∴△OMT≌△ONT(SSS),
∴∠MOT=∠NOT,
∵OM=ON,
∴OT⊥MN(等腰三角形三线合一).
(2)①存在.
由(1)得AC⊥BD,设AC与BD交于点M,
在Rt△AMB中,AB=5,BM=$\frac{1}{2}$BD=4,
∴AM=$\sqrt{A{B}^{2}-B{M}^{2}}$=3,
∵A、B、C、D四点共圆,
∴∠ABC+∠ADC=180°,
又∵△ABC≌△ADC,
∴∠ABC=∠ADC=90°,
∴AC即为所求圆的直径
∵∠BAM=∠BAC,∠ABC=∠AMB=90°,
∴△ABM∽△ACB,
∴$\frac{AB}{AC}$=$\frac{AM}{AB}$,即$\frac{5}{AC}$=$\frac{3}{5}$,
∴AC=$\frac{25}{3}$
∴圆的半径为:$\frac{1}{2}$AC=$\frac{25}{6}$.
②作FM⊥AB,作EG⊥AB于G.
∵四边形ABED是菱形,
∴AE⊥BD,且BN=$\frac{1}{2}$BD=4,
∴AN=NE=$\sqrt{A{B}^{2}-B{N}^{2}}$=$\sqrt{{5}^{2}-{4}^{2}}$=3,AE=6.
∴S菱形ABED=$\frac{1}{2}$AE•BD=$\frac{1}{2}$×6×8=24,
又∵S菱形ABED=AB•EG,
∴EG=$\frac{24}{5}$.
∵∠DBF=∠DBF,∠BNE=∠BFD,
∴△BNE∽△BFD,
∴$\frac{BF}{BN}=\frac{BD}{BE}$,即$\frac{BF}{4}=\frac{8}{5}$,
∴BF=$\frac{32}{5}$.
∵GE⊥AB,FM⊥AB,
∴GE∥FM,
∴△BEG∽△BFM,
∴$\frac{FM}{GE}=\frac{BF}{BE}$,即$\frac{FM}{\frac{24}{5}}=\frac{\frac{32}{5}}{5}$,
解得:FM=$\frac{768}{125}$.

点评 本题考查了菱形的判定与性质,以及相似三角形的判定与性质,正确作出辅助线是关键,在初中范围内求线段长的基本方法是解直角三角形和利用三角形相似求解.

练习册系列答案
相关习题

科目:初中数学 来源: 题型:解答题

16.已知:直线AB∥CD,点E、F分别是AB、CD上的点.
(1)如图1,当点P在AB、CD内部时,试说明:∠EPF=∠AEP+∠CFP;
(2)如图2,当点P在AB上方时,∠EPF、∠AEP、∠CFP之间有怎样的数量关系?并说明理由.

查看答案和解析>>

科目:初中数学 来源: 题型:选择题

17.如图,将三角板与直尺贴在一起,使三角板的直角顶点C(∠ACB=90°)在直尺的一边上.若∠2=55°,则∠1的度数等于(  )
A.55°B.45°C.25°D.35°

查看答案和解析>>

科目:初中数学 来源: 题型:解答题

14.第17届亚洲运动会于2014年9月19日-10月4日在韩国仁川举行,中国射击队对这次仁川亚运会非常重视,在一次选拔赛中,运动员甲10次射击成绩的统计表和扇形统计图如下:
命中环数10987
命中次数432,1
(1)求甲运动员几种7环和10环的次数,并补全扇形统计图;
(2)求甲运动员的10次设计的平均成绩是多少环;
(3)已知乙运动员10次射击的平均成绩为9环,方差为1.2,如果在这二人中选一人参加比赛,你认为应该派谁去?并说明理由.

查看答案和解析>>

科目:初中数学 来源: 题型:选择题

1.如图,在菱形ABCD中,AB=8,点E,F分别在AB,AD上,且AE=AF,过点E作EG∥AD交CD于点G,过点F作FH∥AB交BC于点H,EG与FH交于点O.当四边形AEOF与四边形CGOH的周长之差为12时,AE的值为(  )
A.6.5B.6C.5.5D.5

查看答案和解析>>

科目:初中数学 来源: 题型:解答题

11.如图,已知抛物线y=ax2+bx+c经过A(-2,0),B(4,0),C(0,3)三点.
(1)求该抛物线的解析式;
(2)在y轴上是否存在点M,使△ACM为等腰三角形?若存在,请直接写出所有满足要求的点M的坐标;若不存在,请说明理由;
(3)若点P(t,0)为线段AB上一动点(不与A,B重合),过P作y轴的平行线,记该直线右侧与△ABC围成的图形面积为S,试确定S与t的函数关系式.

查看答案和解析>>

科目:初中数学 来源: 题型:选择题

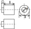
18.如图是某几何体的三视图,根据图中所标的数据求得该几何体的体积为(  )
A.236πB.136πC.132πD.120π

查看答案和解析>>

科目:初中数学 来源: 题型:选择题

15.如图所示的几何体的左视图为(  )
A.B.C.D.

查看答案和解析>>

科目:初中数学 来源: 题型:解答题

16.“2015扬州鉴真国际半程马拉松”的赛事共有三项:A.“半程马拉松”、B.“10公里”、C.“迷你马拉松”.小明和小刚参与了该项赛事的志愿者服务工作,组委会随机将志愿者分配到三个项目组.
(1)小明被分配到“迷你马拉松”项目组的概率为$\frac{1}{3}$;
(2)求小明和小刚被分配到不同项目组的概率.

查看答案和解析>>

同步练习册答案