精英家教网 > 高中物理 > 题目详情

如图所示,带电粒子以初速度v0从a点沿x轴正方向进入匀强磁场,运动中经过b点,Oa=Ob;若撤去磁场,加一个与y轴平行的匀强电场,粒子以相同的初速度v0从a点进入电场,粒子仍能通过b点。不计粒子重力,那么电场强度E与磁感应强度B之比以及粒子从a到b在磁场中与在电场中运动的时间之比分别为( )

A.2v0 B.C.1 D.


【知识点】带电粒子在匀强磁场中的运动.K2

【答案解析】AD解析:设oa=ob=d,因为带电粒子在磁场中做匀速圆周运动,

所以圆周运动的半径正好等于d,粒子在磁场中做匀速圆周运动,

由牛顿第二定律得:qv0B=m,解得:B=,粒子的运动时间:t1=T=

如果换成匀强电场,水平方向以v0做匀速直线运动,在水平方向:d=v0t2,

竖直沿y轴负方向做匀加速运动,即:d=)2,解得:E=

解得:=2v0,=

故选:AD.

【思路点拨】带电粒子以速度v0从a点进入匀强磁场,运动中经过b点,Oa=Ob,所以圆周运动的半径正好等于d,根据半径公式求出B,如果换成匀强电场,则粒子做类平抛运动,根据平抛运动的基本规律即可求解.

练习册系列答案
相关习题

科目:高中物理 来源: 题型:


如图(a)所示,两个完全相同的“人”字型金属轨道面对面正对着固定在竖直平面内,间距为d,它们的上端公共轨道部分保持竖直,下端均通过一小段弯曲轨道与一段直轨道相连,底端置于绝缘水平桌面上。MM′、PP′(图中虚线)之下的直轨道MN、M′N′、PQ、P′Q′长度均为L且不光滑(轨道其余部分光滑),并与水平方向均构成37°斜面,在左边轨道MM′以下的区域有垂直于斜面向下、磁感强度为B0的匀强磁场,在右边轨道PP′以下的区域有平行于斜面但大小未知的匀强磁场Bx,其它区域无磁场。QQ′间连接有阻值为2R的定值电阻与电压传感器(e、f为传感器的两条接线)。另有长度均为d的两根金属棒甲和乙,它们与MM′、PP′之下的轨道间的动摩擦因数均为μ=1/8。甲的质量为m、电阻为R;乙的质量为2m、电阻为2R。金属轨道电阻不计。

先后进行以下两种操作:

操作Ⅰ:将金属棒甲紧靠竖直轨道的左侧,从某处由静止释放,运动到底端NN′过程中棒始终保持水平,且与轨道保持良好电接触,计算机屏幕上显示的电压—时间关系图像U—t图如图(b)所示(图中U已知);

操作Ⅱ:将金属棒甲紧靠竖直轨道的左侧、金属棒乙(图中未画出)紧靠竖直轨道的右侧,在同一高度将两棒同时由静止释放。多次改变高度重新由静止释放,运动中两棒始终保持水平,发现两棒总是同时到达桌面。(sin37°=0.6,cos37°=0.8)

(1)试判断图(a)中的e、f两条接线,哪一条连接电压传感器的正接线柱;

(2)试求操作Ⅰ中甲释放时距MM′的高度h;

(3)试求操作Ⅰ中定值电阻上产生的热量Q;

(4)试问右边轨道PP′以下的区域匀强磁场Bx的方向和大小如何?在图(c)上画出操作Ⅱ中计算机屏幕上可能出现的几种典型的U-t关系图像。

 


查看答案和解析>>

科目:高中物理 来源: 题型:


如图1所示为物体在某段运动过程中的v-t图象,物体在t1和t2时刻的瞬时速度分别为v1和v2,则在时间t1到t2的过程中,下列判断正确的是

A.物体的加速度不断增大

B.物体的加速度不断减小

C.物体的平均速度

D.物体的平均速度

查看答案和解析>>

科目:高中物理 来源: 题型:


一质量为m的质点,系于长为R的轻绳的一端,绳的另一端固定在空间的O点,假设绳不可伸长,柔软且无弹性.质点从O点的正上方离O点距离为R的点,以水平速度抛出,试求:

    (1)轻绳刚刚伸直时,绳与竖直方向的夹角为多少?

(2)当质点到达O点的正下方时,绳对质点的拉力为多大?

查看答案和解析>>

科目:高中物理 来源: 题型:


如图所示为简化后的跳台滑雪的雪道示意图。运动员从助滑雪道AB上由静止开始下滑,到达C点后水平飞出(不计空气阻力),以后落到F点(图中未画出)。D是运动轨迹上的某一点,运动员在该点时的速度方向与轨道CE平行。设运动员从C到D、从D到F的运动时间分别为tCD和tDF,DG和斜面CE垂直,则(       )

A.tCD大于tDF,CG等于GF     B.tCD等于tDF,CG小于GF

 C.tCD大于tDF,CG小于GF     D.tCD等于tDF,CG等于GF

查看答案和解析>>

科目:高中物理 来源: 题型:


如图所示,质量m=1.0kg的小物块(可视为质点)放于小车的最左端,小车长l=3.6m、质量m1=1.0kg。物块与小车间动摩擦因数为μ=0.5。质量m2=10.0kg、半径R=3.2m的光滑半圆形轨道固定在水平面上,且直径POQ沿竖直方向。小车的上表面和轨道最低点高度相同。开始时小车和物块共同以v0=10m/s的初速度沿光滑水平面向右运动,小车刚接触轨道时立即制动(停止运动)而后制动解除。(g取10m/s2)求:(1)物块刚进入半圆轨道时对轨道的压力;(2)物块运动至最高点时,水平面对半圆形轨道支持力的大小;(3)物块在小车上滑动的时间。

查看答案和解析>>

科目:高中物理 来源: 题型:


如图所示是磁带录音机的磁带盒的示意图,A、B为缠绕磁带的两个轮子,其半径均为r。在放音结束时,磁带全部绕到了B轮上,磁带的外缘半径为R,且R=3r。现在进行倒带,使磁带绕到A轮上。倒带时A轮是主动轮,其角速度是恒定的,B轮是从动轮。经测定磁带全部绕到A轮上需要的时间为t。则从开始倒带到A、B两轮的角速度相等所需要的时间(    )

A.                  B.           

C.             D.

查看答案和解析>>

科目:高中物理 来源: 题型:


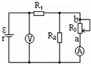
如图所示的电路中,当滑动变阻器的滑动触点向b端移动时(  )

 

A.

伏特表V的读数增大,安培表A的读数减小

 

B.

伏特表V和安培表A的读数都增大

 

C.

伏特表V和安培表A的读数都减小

 

D.

伏特表V的读数减小,安培表A的读数增大

查看答案和解析>>

科目:高中物理 来源: 题型:


在同一地点,两个物休从同一高度同时自由下落,则(  )

 

A.

质量大的物体先落地

B.

质量小的物体先落地

 

C.

两个物体同时落地

D.

无法判断

查看答案和解析>>

同步练习册答案