精英家教网 > 高中物理 > 题目详情

汤姆孙测定电子比荷(电子的电荷量与质量之比)的实验装置如图所示。真空玻璃管内,阴极K发出的电子经加速后,穿过小孔AC沿中心轴线OP1进入到两块水平正对放置的极板D1、D2间的区域,射出后到达右端的荧光屏上形成光点。若极板D1、D2间无电压,电子将打在荧光屏上的中心P1点;若在极板间施加偏转电压U,则电子将打P2点,P2P1点的竖直间距为b,水平间距可忽略不计。若再在极板间施加一个方向垂直于纸面向外、磁感应强度为B的匀强磁场(图中未画出),则电子在荧光屏上产生的光点又回到P1点。已知极板的长度为L1,极板间的距离为d,极板右端到荧光屏间的距离为L2。忽略电子的重力及电子间的相互作用。

(1)求电子进入极板D1、D2间区域时速度的大小;

(2)推导出电子的比荷的表达式;

(3)若去掉极板D1、D2间的电压,只保留匀强磁场B,电子通过极板间的磁场区域的轨迹为一个半径为r的圆弧,阴极射线射出极板后落在荧光屏上的P3点。不计P3P1点的水平间距,求P3P1点的竖直间距y

 



解:(1)电子在极板D1、D2间电场力与洛伦兹力的作用下沿中心轴线运动,即受力平衡,设电子的进入极板间时的速度为v

由平衡条件有                                        

    两极板间电场强度                                      

 解得                                                 (6分)

(2)极板间仅有偏转电场时,电子以速度v进入后,水平方向做匀速运动,在电场内的运动时间                                                    

电子在竖直方向做匀加速运动,设其加速度为a

由牛顿第二定律有 F=ma

解得加速度                                               

电子射出极板时竖直方向的偏转距离               (2分)

电子射出极板时竖直方向的分速度为vy=at1=                     

电子离开极板间电场后做匀速直线运动,经时间t2到达荧光屏,t2=    

电子在t2时间在竖直方向运动的距离 y2=vyt2=                  (2分)

这样,电子在竖直方向上的总偏移距离 b=y1+y2                        

解得电子比荷                                  (2分)

(3)极板D1、D2间仅有匀强磁场时,电子做匀速圆周运动,射出磁场后电子做匀速直线运动,如答图所示。

      (2分)

穿出磁场后在竖直方向上移动的距离

  (2分)

解得      (2分)

说明:若用其它已知量表示出半径r,结果正确也得分。

 



练习册系列答案
相关习题

科目:高中物理 来源: 题型:


如图甲,水平面内的三个质点分别位于直角三角形ABC的三个顶点上,已知AB=3m,AC=4m。t0=0时刻A、B同时开始振动,此后形成的波动图象均如图乙,所形成的机械波在水平面内传播,在t =4s时C点开始振动。则该机械波的传播速度大小为_________;两列波相遇后,C点振动_________(填“加强”或“减弱”)。该列波的波长是______m,周期是______s。

 

查看答案和解析>>

科目:高中物理 来源: 题型:


光滑水平面上静放两个半径相同的小球A和B,质量分别mA=2kg和mB=3kg,现给A球一大小为的水平初速度,使其与B球发生碰撞。

(i)若测得B球被碰后的速度为=6m/s,求碰后A球的速度;   

(ii)若考虑碰撞过程中机械能损失的各种情况,求碰后B球速度的可能取值。

查看答案和解析>>

科目:高中物理 来源: 题型:


如图所示是氢原子的能级图,大量处于n=4激发态的氢原子向低能级跃迁时,一共可以辐射出6种不同频率的光子,其中巴耳末系是指氢原子由高能级向n=2能级跃迁时释放的光子,则        (填正确答案标号。选对1个得3分,选对2个得4分,选对3个得6分。每选错1个扣3分,最低得分为0分)

A.6种光子中波长最长的是n=4激发态跃迁到基态时产生的

B.6种光子中有2种属于巴耳末系

C.使n=4能级的氢原子电离至少要0.85eV的能量

D.若从n=2能级跃迁到基态释放的光子能使某金属板发生光电效应,则从n=3能级跃迁到n=2能级释放的光子也一定能使该板发生光电效应

E.在6种光子中,n=4能级跃迁到n=1能级释放的光子康普顿效应最明显

查看答案和解析>>

科目:高中物理 来源: 题型:


如图甲所示,一长木板在水平地面上运动,在某时刻(t=0)将一相对于地面静止的物块轻放到木板上,己知物块与木板的质量相等,物块与木板间及木板与地面间均有摩擦,物块与木板间的最大静摩擦力等于滑动摩擦力,且物块始终在木板上。在物块放到木板上之后,木板运动的速度-时间图象可能是图乙中的            

 


查看答案和解析>>

科目:高中物理 来源: 题型:


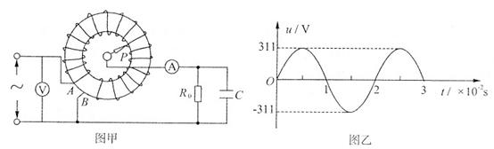
如图甲所示为一自耦变压器,变压器的原线圈AB端输入电压如图乙所示,副线圈电路中定值电阻R0=11,电容器C的击穿电压为22 V,移动滑片P使电容器刚好不会被击穿,所有电表均为理想电表,下列说法正确的是

  A.电压表的示数为220 V

  B.原副线圈的匝数比为10:1

  C.电流表的示数等于通过电阻R0的电流

  D、原线圈AB端输入电压的变化规律为V

查看答案和解析>>

科目:高中物理 来源: 题型:


如图所示,直线MN与两平行极板垂直。两极板之间存在匀强电场,电场强度大小为E,方向向右,极板间距离为d,S1、S2为极板上的两个小孔。在MN下方和两极板外侧区域存在相同的匀强磁场,磁场方向垂直纸面向里。MN上方有一绝缘挡板PQ,与MN平行放置。从小孔S1处由静止释放的带正电粒子,经电场加速后,恰能从小孔S2进入磁场,飞出右侧磁场后与挡板PQ相碰。已知两小孔S1、S2到直线MN的距离均为d,粒子质量为m、电量为q,与挡板碰撞前后,粒子电量没有损失,平行于挡板方向的分速度不变,垂直于挡板方向的分速度反向,大小不变,不计粒子的重力。

  (1)求粒子到达小孔S2时的速度大小

  (2)若磁场的磁感应强度大小为,为保证粒子再次回到S2,挡板PQ应固定在离直线MN多远处?

  (3)若改变磁场的磁感应强度大小,使粒子每次通过S2进入磁场后均能沿第(2)问中的路径运动,求粒子第n次通过两侧磁场区域所用时间

查看答案和解析>>

科目:高中物理 来源: 题型:


如图所示,一辆载重卡车沿平直公路行驶,车上载有质量均为m的A、B两块长方体水泥预制件。己知预制件左端与车厢前挡板的距离为L,A、B间以及B与车厢间的动摩擦因数分别为,各接触面间的最大静摩擦力等于滑动摩擦力。卡车以速度v0匀速行驶时,因前方出现障碍物而制动并做匀减速直线运动。问:

(1)卡车制动的加速度满足什么关系时,预制件A相对B滑动,而B相对车厢底板静止?

(2)卡车制动后为保证司机安全,在B相对车厢底板静止的情况下,预制件A不与车厢前挡板碰撞,则卡车从开始制动到停止所经历的时间应满足什么条件?

查看答案和解析>>

科目:高中物理 来源: 题型:


一群氢原子处于量子数n=4能级状态,氢原子的能级图如图所示,氢原子可能发射 种频率的光子;氢原子由量子数n=4的能级跃迁到n=2的能级时辐射光子的能量是 eV; 用n=4的能级跃迁到n=2的能级时辐射的光子照射下表中几种金属, 金属能发生光电效应。

几种金属的逸出功

金属

逸出功W/eV

1.9

2.7

3.7

4.1

查看答案和解析>>

同步练习册答案