精英家教网 > 初中物理 > 题目详情
2.作图题
(1)如图1所示的轻质曲棒ABC可视为绕A点转动的杠杆,棒的B点悬挂一重物.请在图中画出阻力并标出符号,画出使此杠杆在图中位置保持平衡的动力F1的力臂并标出符号.

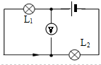
(2)根据标出的电流方向,将电池组、电流表、电压表三个元件符号中的两个,分别填进图2电路图的空缺处,填进后要求灯泡L1和L2串联,且都能发光.
(3)按图3所示的实物图在图4虚线框内画出它的电路图,并标明相应的元件符号.

(4)小强学习了滑动变阻器的使用方法后,想利用如图5所示的器材设计一个可以控制电铃声音大小的电路,请你协助他完成下列任务:
①连接好实物图;
②在图6中画好正确连接后的电路图.

分析 (1)画力臂应从支点向力的作用线画垂线;阻力F2与的动力F1的方向相反.
(2)根据电流的方向进行分析,即电流总是从电源的正极出发,最后回到电源的负极;在电路中,电流表相当于导线;电压表相当于断路.
(3)串联电路只有一条电流路径,并联有多条电流路径,根据实物电路图,应用分支法分析清楚电路结构,明确各电路元件的连接情况,然后根据实物电路图作出实验电路图.
(4)为了控制电铃声音大小的电路,则滑动变阻器与电铃串联连接,开关控制电路的通断;从电源正极开始依次连接开关、电铃以及滑动变阻器,最后回到电源负极即可.

解答 解:(1)过O点作F1的垂线段即为动力的力臂,如图中L1所示,阻力F2的方向竖直向下.

(2)两个电灯中各有一端已经连在一起,要组成串联电路,则每个的另一端应分别接电源的两极,故上边的空是电源,中间空的是电压表;如下图所示:

(3)由实物电路图可知,从电源正极开始分为两条支路,一路经开关S1、灯L1,另一路开关S2、经灯L2,然后共同回到电源负极,即两灯泡并联,根据实物电路图作出电路图,如图所示:

(4)从电源正极开始,用平滑曲线依次连接滑动变阻器、开关以及电铃,然后回到电源负极,注意滑动变阻器要按“一上一下”的原则连接;从电源正极开始,依次连接滑动变阻器、开关以及电铃,然后回到电源负极,如图所示:

点评 (1)力臂的画法应始终遵循从支点到力的作用线画垂线这一原则;找最小的力时则一定要遵循找最长的力臂这一原则.明确了这些才能按一定的作图规则将力或力臂表示出来.
(2)解答此题的关键是明确电压表和电流表的使用规则,主要考查电流表、电压表的使用方法以及根据实物电路图作实验电路图,要求学生应熟练掌握.
(3)本题考查了根据实物电路图作实验电路图的问题,分析清楚电路结构、明确各电路元件的连接方式,是正确解题的前提与关键.
(4)变阻器与用电器串联,通过调节电阻器的阻值,能实现电路中电阻不断变化,从而控制电路中的电流不断变化.

练习册系列答案
相关习题

科目:初中物理 来源: 题型:填空题

12.将耳朵贴在长铁管的一端,让另外一个人敲一下铁管的另一端,你会听到两次敲打的声音,你听到的第一次敲打声是通过铁管传播的.

查看答案和解析>>

科目:初中物理 来源: 题型:选择题

13.关于声现象,下列说法中不正确的是(  )
A.“闻其声而知其人”主要是根据音色来判断的
B.公路旁安装隔音墙是为了在传播过程中减弱噪声
C.超声波可以粉碎结石,说明声音具有能量
D.“不敢高声语,恐惊天上人”中的“高”是指声音的音调高

查看答案和解析>>

科目:初中物理 来源: 题型:解答题

10.小明在学习吉他演奏时提出这样一个问题:吉他为什么能演奏出不同的音调?在认真观察之后,提出了三个猜想:
猜想一:吉他的音调跟弦的长短有关
猜想二:吉他的音调跟弦的松紧有关
猜想三:吉他的音调跟弦的粗细有关
小明利用A、B两个小木块和钩码,设计了如图1所示的装置,并找到了不同规格的琴弦进行实验.

编号材料长度/cm横截面积/mm2
尼龙501
尼龙502
尼龙801
钢丝502
小明选择了琴弦①,固定琴弦一端,并保持A、B间的距离不变,改变琴弦另一端所挂钩码个数,发现钩码越多,音调越高.
(1)小明的实验,研究的是猜想猜想二.
(2)实验中“保持A、B间的距离不变,改变琴弦另一端所挂钩码个数”,所体现的研究方法是控制变量法.
(3)为了验证猜想三,应该选择编号为①②两种规格的琴弦进行实验.
(4)如图2所示,小明正在弹奏吉他.下列说法中正确的是A
A.在演奏前要进行“定音”,即调节吉他的旋钮:拧紧或放松琴弦,目的是改变吉他发音的音调
B.小明在演奏中,在不同位置按压吉他弦,目的是改变响度
C.吉他音调的高低与弹奏时,小明所用的力度有关
D.吉他音调的高低只有通过改变弦的长短和粗细才能实现.

查看答案和解析>>

科目:初中物理 来源: 题型:填空题

17.如图所示为汽油机工作时的排气冲程示意图,若飞轮转速为3600r/min,则该汽油机每秒对外做功30次,完成120个冲程.

查看答案和解析>>

科目:初中物理 来源: 题型:填空题

7.物理是研究关于声、热、光、力、电等现象的自然科学.

查看答案和解析>>

科目:初中物理 来源: 题型:解答题

14.有一款太阳能热水器,铭牌上的部分参数如表所示,将它安装在阳光充足的楼顶上,并送满水.
型号JL-88
水容量/L80
自身质量/kg40
(1)无锡地区(晴天)平均每平方米的面积上,每小时接收的太阳能约为2.8×106J.若该热水器接受太阳能的有效面积为1.5m2,每天日照时间按8h计算,且假设这些太阳能有60%被热水器中的水吸收的,则可使水温升高多少?[c=4.2×103J/(kg•℃)]
(2)若该热水器一天中接收的太阳能,由燃烧煤气(热值q=4.2×107J/kg)来获得,则需要完全燃烧多少千克煤气?
(3)请说出使用太阳能热水器的一个优点.

查看答案和解析>>

科目:初中物理 来源: 题型:填空题

11.周末,乐乐在家帮妈妈刷洗餐具,演奏出锅、碗、筷、勺的“交响曲”.响声是由于餐具发生振动 产生的;根据声音的音色可以判断出是锅还是碗发出的响声.乐乐在向保温瓶注水时,听到的声音是通过空气传播到人耳的.随着注水增多,听到声音的音调会变高(选填“变高”、“变低”或“不变”).

查看答案和解析>>

科目:初中物理 来源: 题型:选择题

12.下列有关热和能的说法中正确的是(  )
A.物体内能增大,一定从外界吸收热量
B.物体的温度越高,分子无规则运动越激烈
C.燃料的热值越大,燃烧时放出的热量越多
D.汽油机在做功冲程把机械能转化为内能

查看答案和解析>>

同步练习册答案