精英家教网 > 高中物理 > 题目详情

图甲为“探究加速度与力、质量关系”的实验装置,光电门固定在水平气垫导轨上的B点,用不同重物通过水平细线拉动滑块,每次滑块都从同一位置A由静止释放。

(1)用游标卡尺测出光电门遮光条的宽度d如图乙所示,则d=________cm;实验时,由数字计时器读出遮光条通过光电门的时间△t,则滑块经过光电门时的速度为________(用字母表示);

(2)滑块的质量用M表示,重物的质量用m表示,当M与m的大小关系满足________时,可认为细线对滑块的拉力大小等于重物的重力大小;

(3)测出多组重物的质量m和对应遮光条通过光电门的时间△t,并算出相应滑块经过光电门的速度v,通过描点作出线性图象,即可研究滑块加速度与力的关系。处理数据时应作出_________(选填v-m、v2-m、)图象。

(甲)                                                (乙)                   

 


【知识点】探究加速度与物体质量、物体受力的关系.C4

【答案解析】(1)0.62;(2)M>>m(3)v2﹣m解析:(1)主尺:0.6cm,游标尺:对齐的是2,所以读数为:2×0.1=0.2cm,故遮光条宽度d=0.62cm,

滑块经过光电门时的瞬时速度可近似认为是滑块经过光电门的平均速度.

则滑块经过光电门时的速度v=

(2)根据牛顿第二定律得:

对m:mg﹣T=ma

对M:T=Ma

解得:T=mg

当M>>m时,即当重物的总质量远小于小车及砝码总质量时,可以认为小车受到的拉力等于重物的重力.

(3)由题意可知,该实验中保持小车质量M不变,因此有:v2=2as=s,

由题意可知,M、s不变,画出v2﹣m图象,若图象为过原点的直线,则说明外力和加速度成正比,故画出v2﹣m图象可以直观的得出结论.

【思路点拨】考查游标卡尺和秒表的读数:先读主尺(只读整数),再加上游标尺(格数乘以分度分之一,格数找对齐的一个不估读),滑块经过光电门时的瞬时速度可近似认为是滑块经过光电门的平均速度.

当重物的总质量远小于小车及砝码总质量时,可以认为小车受到的拉力等于重物的重力.

由题意可知,该实验中保持小车质量M不变,因此有:v2=2as=s,可知画出v2﹣m图象可以直观的得出结论.

练习册系列答案
相关习题

科目:高中物理 来源: 题型:


意大利科学家伽利略在研究物体变速运动规律时,做了著名的“斜面实验”,他测量了铜球在较小倾角斜面上的运动情况,发现铜球做的是匀变速直线运动,且铜球加速度随斜面倾角的增大而增大,于是他对大倾角情况进行了合理的外推,由此得出的结论是(  )

 

A.

力不是维持物体运动的原因

 

B.

力是使物体产生加速度的原因

 

C.

自由落体运动是一种匀变速直线运动

 

D.

物体都具有保持原来运动状态的属性,即惯性

查看答案和解析>>

科目:高中物理 来源: 题型:


固定斜面C的倾角为,物体A放在斜面C上,物体B叠放在物体A上,A、B的质量均为m,且上、下表面均与斜面平行,A、B-起沿斜面匀速下滑,则

A.A与B之间没有静摩擦力

B.A受到B的静摩擦力方向沿斜面向上

C.A受到斜面的滑动摩擦力大小为2mg sin

D.A与B之间的动摩擦因数= tan

查看答案和解析>>

科目:高中物理 来源: 题型:


一物体做直线运动,其加速度随时间变化的a-t图像如图所示。下列v-t图像中,可能正确的是(  )

查看答案和解析>>

科目:高中物理 来源: 题型:


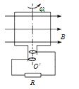
如图所示,矩形线圈面积为S、匝数为N,线圈总电阻r,在磁感应强度为B的匀强磁场中绕OO'轴以角速度ω匀速转动,外电路电阻为R。在线圈由图示位置转过90°的过程中(       )

  

 
   A.磁通量的变化量

  

 
   B.平均感应电动势

'  

 
   C.通过电阻R的电量

  

 
   D.电阻R上产生的焦耳热

查看答案和解析>>

科目:高中物理 来源: 题型:


(1)(5分)下列说法中正确的是_________。(填正确答案标号。选对1个得2分,选对2个得4分,选对3个得5分。每选错1个扣3分,最低得分为0分)

A.卢瑟福通过对天然放射现象的研究,提出原子的核式结构学说

B.氡222的衰变方程是,已知其半衰期约为3.8天,则约经过15.2天,16克氡222衰变后还剩1克

C.链式反应中,重核裂变时放出的中子可以使裂变不断进行下去

    D.已知中子、质子和氘核的质量分别为mn、mp和mD,则氘核的比结合能为(c表示真空中的光速)

    E.对于某种金属,超过其极限频率的入射光强度越弱,所逸出的光电子的最大初动能越小

(2)(10分)如图所示,质量为m1=0.2kg小物块A沿水平面与小物块B发生正碰,小物块B的质量m2=1.0kg。已知碰撞前A的速度大小为v0=3.0 m/s,B静止在水平面上,两物块与水平面间的动摩擦因数均为μ=0.2,重力加速度g取10m/s2。试求碰后物块B在水平面上滑行的时间。

查看答案和解析>>

科目:高中物理 来源: 题型:


如图,水平的平行虚线间距为d=60cm,其间有沿水平方向的匀强磁场。一个阻值为R的正方形金属线圈边长l<d,线圈质量m=100g。线圈在磁场上方某一高度处由静止释放,保持线圈平面与磁场方向垂直,其下边缘刚进入磁场和刚穿出磁场时的速度相等。不计空气阻力,取g=10m/s2,则(    )

A.线圈下边缘刚进磁场时加速度最小

B.线圈进入磁场过程中产生的电热为0.6J

C.线圈在进入磁场和穿出磁场过程中,电流均为逆时针方向

D.线圈在进入磁场和穿出磁场过程中,通过导线截面的电量相等

查看答案和解析>>

科目:高中物理 来源: 题型:


如图是质谱仪的工作原理示意图.现有一束几种不同的正离子,经过加速电场加速后,垂直射入速度选择器(速度选择器内有相互正交的匀强电场E和匀强磁场B1),离子束保持原运动方向未发生偏转.接着进入另一匀强磁场B2,发现这些离子分成几束.由此可得结论(  )

 

A.

速度选择器中的磁场方向垂直纸面向内

 

B.

这些离子通过狭缝P的速率都等于

 

C.

这些离子的电量一定不相同

 

D.

这些离子的比荷一定不相同

查看答案和解析>>

科目:高中物理 来源: 题型:


车匀速行驶在公路上,发现前方有危险,司机采取紧急刹车后安全停下,此过程中关于卡车的惯性,说法正确的是(  )

 

A.

卡车匀速运动时的惯性大

B.

卡车刹车时的惯性大

 

C.

卡车的惯性保持不变

D.

卡车静止时没有惯性

查看答案和解析>>

同步练习册答案