精英家教网 > 高中物理 > 题目详情

如图所示,足够长的木板A静止放置于水平面上,小物块B以初速度v0从木板左侧滑上木板,关于此后A、B两物体运动的v﹣t图象可能是(  )

 

A.

B.

C.

D.


考点:

牛顿第二定律;匀变速直线运动的图像..

专题:

牛顿运动定律综合专题.

分析:

木块滑上木板,木块做匀减速直线运动,木板做匀加速直线运动,根据牛顿第二定律比较出A、B的加速度大小,从而确定速度时间图线的正误

解答:

解:A、木块滑上木板,滑块做匀减速直线运动,木板做匀加速直线运动,根据牛顿第二定律得,,若地面对木板无摩擦力,则,当木块和木板速度相等后,两者一起匀速运动,故A正确;

BCD、木块滑上木板,滑块做匀减速直线运动,木板做匀加速直线运动,根据牛顿第二定律得,,若地面对木板有摩擦力且动摩擦因数为μ′则,木板能加速运动说明地面对木板的动摩擦因数μ′<μ,故木板和木块速度相等后两者一起在地面上匀减速运动的加速度小于木块开始时的加速度,故BC错误,D正确.

故选:AD.

点评:

本题综合考查了动能定理,牛顿第二定律,对学生能力的要求较高,关键是通过图线的斜率判断图象的正误.

 

练习册系列答案
相关习题

科目:高中物理 来源: 题型:


一质量为m的质点,系于长为R的轻绳的一端,绳的另一端固定在空间的O点,假设绳不可伸长,柔软且无弹性.质点从O点的正上方离O点距离为R的点,以水平速度抛出,试求:

    (1)轻绳刚刚伸直时,绳与竖直方向的夹角为多少?

(2)当质点到达O点的正下方时,绳对质点的拉力为多大?

查看答案和解析>>

科目:高中物理 来源: 题型:


如图所示的电路中,当滑动变阻器的滑动触点向b端移动时(  )

 

A.

伏特表V的读数增大,安培表A的读数减小

 

B.

伏特表V和安培表A的读数都增大

 

C.

伏特表V和安培表A的读数都减小

 

D.

伏特表V的读数减小,安培表A的读数增大

查看答案和解析>>

科目:高中物理 来源: 题型:


下列关于物理学史和物理研究方法的叙述中正确的是(  )

 

A.

用点电荷来代替带电体的研究方法叫微元法

 

B.

利用v﹣t图象推导匀变速直线运动位移公式的方法是理想模型法

 

C.

伽利略借助实验研究和逻辑推理得出了自由落体运动规律

 

D.

法拉第发现电流的磁效应与他坚信电和磁之间一定存在联系的哲学思想是分不开的

查看答案和解析>>

科目:高中物理 来源: 题型:


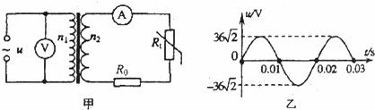
如图甲所示的电路中,理想变压器原、副线圈的匝数比为4:1,电压表和电流表均为理想电表,R1是用氧化锰等金属氧化物烧结而成的热敏电阻,R0为定值电阻.原线圈接如图乙所示的正弦交流电,下列说法正确的是(  )

 

A.

交流电压u的表达式u=36sin100πt(V)

 

B.

变压器原、副线圈中的电流之比为1:4

 

C.

变压器输入、输出功率之比为1:4

 

D.

当R1温度升高时,电压表和电流表的读数均变大

查看答案和解析>>

科目:高中物理 来源: 题型:


如图所示,在高度为L、足够宽的区域MNPQ内,有垂直纸面向里的匀强磁场,磁感应强度为B.质量为m、边长为L、电阻为R的正方形导线框abcd,在MN上方某一高度由静止开始自由下落.当bc边进入磁场时,导线框恰好做匀速运动.已知重力加速度为g,不计空气阻力,求:

(1)导线框刚下落时,bc边距磁场上边界MN的高度h;

(2)导线框离开磁场的过程中,通过导线框某一横截面的电量q;

(3)导线框穿越磁场的整个过程中,导线框中产生的热量Q.

查看答案和解析>>

科目:高中物理 来源: 题型:


在同一地点,两个物休从同一高度同时自由下落,则(  )

 

A.

质量大的物体先落地

B.

质量小的物体先落地

 

C.

两个物体同时落地

D.

无法判断

查看答案和解析>>

科目:高中物理 来源: 题型:


如隨示,带正电的粒子在垂直于纸面向里的匀强磁场中,所受洛伦兹力水平向右,则粒子的运动方向是(  )

 

A.

坚直向上

B.

竖直向下

C.

水平向左

D.

水平向右

查看答案和解析>>

科目:高中物理 来源: 题型:


 (1)下列四幅图的有关说法中,正确的是(  )

      A        B             C          D

A.若两球质量相等,碰后m2的速度最大值为v

B.射线甲是粒子流,具有很强的穿透能力

C.在光颜色保持不变的情况下,入射光越强,饱和光电流越大

D.链式反应属于重核的裂变

(2)如图所示,竖直平面内的光滑水平轨道的左边与墙壁对接,右边与一个足够高的光滑圆弧轨道平滑相连,木块A、 B静置于光滑水平轨道上,A、B的质量分别为1.5 kg和0.5 kg.现让A以6 m/s的速度水平向左运动,之后与墙壁碰撞,碰撞的时间为0.3 s,碰后的速度大小变为4 m/s。当A与B碰撞后会立即粘在一起运动,g取10 m/s2,求:

①在A与墙壁碰撞的过程中,墙壁对A的平均作用力的大小;

②A、B滑上圆弧轨道的最大高度。

查看答案和解析>>

同步练习册答案