精英家教网 > 初中数学 > 题目详情
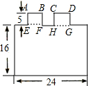
如图,是一块电脑主板的示意图(单位:mm),其中每个角都是直角,则这块主板的周长是
 
mm.
考点:生活中的平移现象
专题:
分析:利用平移的方法把AB、DC向下平移到EF、GH的位置,再求周长即可.
解答:解:根据图示可得:(16+24)×2+5×4=100,
故答案为:100.
点评:此题主要考查了生活中的平移,关键是掌握平移后的图形大小不发生改变.
练习册系列答案
相关习题

科目:初中数学 来源: 题型:

若(x-4)0-(2x-6)-2有意义,则x的取值范围是(  )
A、x>4
B、x<3
C、x≠4或x≠3
D、x≠4且x≠3

查看答案和解析>>

科目:初中数学 来源: 题型:

探索规律:
(1)观察等式:①22-1=1×3,②32-1=2×4,③42-1=3×5…按照这种规律写出第n个等式:
 

(2)利用(1)中的结论把下面各式写成两个数的乘积形式:
1-
1
22
=
 
,1-
1
32
=
 
,1-
1
42
=
 

(3)求(1-
1
32
)×(1-
1
42
)…(1-
1
992
)×(1-
1
1002
)
的值.

查看答案和解析>>

科目:初中数学 来源: 题型:

已知B(3,0)在抛物线y=-x2+2x+3上,以OB为直径作⊙E,则在y轴左侧的抛物线上是否存在点P,过点P作x轴的平行线于与E交于M、N两点,与抛物线交于另一点Q,使得PM+QN=MN?

查看答案和解析>>

科目:初中数学 来源: 题型:

在梯形ABCD中,AB∥CD,∠CAB=∠DBA.求证:梯形ABCD是等腰梯形.

查看答案和解析>>

科目:初中数学 来源: 题型:

如图,在△ABC中,∠B=90°,AB=22cm,BC=20cm.点P从点A开始沿AB边点B以2cm/s的速度移动,点Q从点B以1cm/s的速度向点C移动,且P、Q两点分别从A、B两点同时出发.
(1)求四边形APQC面积y(cm2)与运动时间x(s)之间的函数关系式,并写出x的取值范围;
(2)求四边形APQC面积最小值,并求出此时x的值.

查看答案和解析>>

科目:初中数学 来源: 题型:

一个均匀的立方体骰子六个面上分别标有数1、2、3、4、5、6,连续两次掷骰子,朝上一面所标的数依次为m和n,则关于x的一元二次方程mx2-4x+n=0没有实数根的概率为
 

查看答案和解析>>

科目:初中数学 来源: 题型:

点M(x,y)在第二象限,且|x|-
2
=0,y2-4=0,则M点关于y轴对称的点M′坐标为
 

查看答案和解析>>

科目:初中数学 来源: 题型:

已知x2m=2,则(2x3m2-(3xm2=
 

查看答案和解析>>

同步练习册答案