精英家教网 > 初中数学 > 题目详情
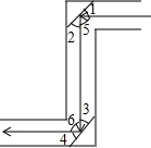
潜望镜中,两面镜子互相平行放置,你知道为什么进入潜望镜的光线和离开潜望镜的光线平行吗?
考点:平行线的判定
专题:
分析:要解释进入潜望镜的光线和离开潜望镜的光线是平行的,则需要证明∠5=∠6.根据平行线的性质,由两个镜子是互相平行的,得∠2=∠3,结合入射角等于反射角和平角定义,得∠5=∠6,从而证明结论.
解答:解:∵两面镜子是相互平行的,
∴∠2=∠3(两直线平行,内错角相等).
∵∠1=∠2,∠3=∠4,
∴∠1=∠2=∠3=∠4.
∵∠5=180°-∠1-∠2,∠6=180°-∠3-∠4,
∴∠5=∠6.
∵∠5与∠6是内错角,
∴两条光线是互相平行的.
点评:本题考查的是平行线的判定定理,熟知内错角相等,两直线平行是解答此题的关键.
练习册系列答案
相关习题

科目:初中数学 来源: 题型:

解方程:
m
x
-
1
x+1
=1(m≠0,且m≠1).

查看答案和解析>>

科目:初中数学 来源: 题型:

已知x,y,z满足|x-z-2|+|3x-3y-3|=-(3y+2z-13)2,求xyz的值.

查看答案和解析>>

科目:初中数学 来源: 题型:

小王发现32-12=8,52-32=16,72-52=24,92-72=32…由此他归纳出:两个连续奇数的平方差能被8整除,你认为小王归纳的结论正确吗?为什么?

查看答案和解析>>

科目:初中数学 来源: 题型:

解方程组:
x+y=
4
5.2
x-y=
4
6.5

查看答案和解析>>

科目:初中数学 来源: 题型:

已知
a2-9x2+6xy-y2
(a+3x)2-(ay+3xy)
=1,求证:y=6x.

查看答案和解析>>

科目:初中数学 来源: 题型:

一辆汽车以80千米/小时的速度从A地前往B地,再以60千米/小时的速度从B地返回A地,结果返回比前往多用
1
2
小时,问A、B两地的路程是多少千米?(列方程解应用题)

查看答案和解析>>

科目:初中数学 来源: 题型:

一种饮水机上的圆柱形水桶的内径为25cm,内壁高为35cm,有一个内径为6cm,内壁高为10cm的圆柱形玻璃被,如果一桶饮用水全用这个玻璃杯去盛,可以盛满多少杯?

查看答案和解析>>

科目:初中数学 来源: 题型:

甲乙丙三人沿环形林荫道行走,同时从同一地点出发,甲、乙按顺时针方向行走,丙按逆时针方向行走,已知甲每小时行7千米,乙每小时行5千米,1小时后甲、丙二人相遇,又过了10分钟,丙乙相遇.问甲、丙相遇时丙行了多少千米?

查看答案和解析>>

同步练习册答案