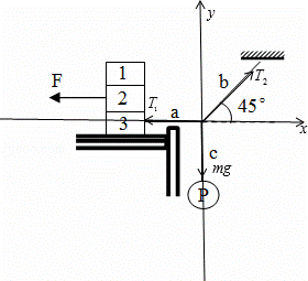
ÈçͼËùʾ£¬Èý¸öÖØ¾ùΪ100NµÄÎï¿é£¬µþ·ÅÔÚˮƽ×ÀÃæÉÏ£¬¸÷½Ó´¥ÃæË®Æ½£¬Ë®Æ½ÀÁ¦F=20N ×÷ÓÃÔÚÎï¿é2ÉÏ£¬ÈýÌõÇáÖÊÉþ½áÓÚOµã£¬ÓëÎï¿é3Á¬½ÓµÄÉþˮƽ£¬ÓëÌ컨°åÁ¬½ÓµÄÉþÓëˮƽ·½Ïò³É45¡ã½Ç£¬ÊúÖ±ÉþÐü¹ÒÖØÎª20NµÄСÇòP£®Õû¸ö×°Öô¦ÓÚ¾²Ö¹×´Ì¬£®Ôò£¨¡¡¡¡£©
![]()
| ¡¡ | A£® | Îï¿é1ºÍ2Ö®¼äµÄĦ²ÁÁ¦´óСΪ20N | B£® | ˮƽÉþµÄÀÁ¦´óСΪ15N |
| ¡¡ | C£® | ×ÀÃæ¶ÔÎï¿é3µÄÖ§³ÖÁ¦´óСΪ320N | D£® | Îï¿é3ÊÜ5¸öÁ¦µÄ×÷Óà |
| ¹²µãÁ¦Æ½ºâµÄÌõ¼þ¼°ÆäÓ¦Óã»Ä¦²ÁÁ¦µÄÅжÏÓë¼ÆË㣮. | |
| רÌ⣺ | ¹²µãÁ¦×÷ÓÃÏÂÎïÌ寽ºâרÌ⣮ |
| ·ÖÎö£º | ¶ÔÉþ×ÓµÄÁ¬½ÓµãÊÜÁ¦·ÖÎö£¬È»ºó¸ù¾ÝƽºâÌõ¼þ²¢ÔËÓÃÕý½»·Ö½â·¨ÁÐʽÇó½âˮƽÉþµÄÀÁ¦£»ÏȺó¶ÔÎïÌå1£¬ÎïÌå1¡¢2ÕûÌå¡¢ÎïÌå1¡¢2¡¢3ÕûÌåÊÜÁ¦·ÖÎö£¬È»ºó¸ù¾ÝƽºâÌõ¼þÇó½â12Ö®¼äµÄĦ²ÁÁ¦£® |
| ½â´ð£º | ½â£ºA¡¢¶ÔÎïÌå1ÊÜÁ¦·ÖÎö£¬ÊÜÖØÁ¦ºÍÖ§³ÖÁ¦£¬¼ÙÈçÊÜˮƽ·½ÏòµÄĦ²ÁÁ¦£¬Ôò²»Äܱ£³Öƽºâ£¬¹ÊÎïÌå1ÓëÎïÌå2¼äµÄĦ²ÁÁ¦Îª0£¬A´íÎó£» B¡¢¶ÔÉþ×ÓµÄÁ¬½ÓµãÊÜÁ¦·ÖÎö£¬Êܵ½Èý¸ùÉþ×ÓµÄÈý¸öÀÁ¦£¬Èçͼ£¬¸ù¾ÝƽºâÌõ¼þ£¬ÓУº x·½Ïò£ºT2cos45¡ã=T1 y·½Ïò£ºT2sin45¡ã=mg ½âµÃ£ºT1=mg=20N ¼´¹ÊˮƽÉþÖеÄÀÁ¦Îª20N£®B´íÎó£» C¡¢¶ÔÎïÌå1¡¢2¡¢3ÕûÌåÊÜÁ¦·ÖÎö£¬ÊÜÖØÁ¦¡¢Ö§³ÖÁ¦¡¢Ïò×óµÄÀÁ¦Îª20N¡¢Éþ×ÓaµÄÀÁ¦Ò²Îª20N£¬ÊúÖ±·½Ïò£ºN=3mg=300N£¬¹ÊC´íÎó£» D¡¢¶ÔÎïÌå1ºÍÎïÌå2ÕûÌåÑо¿£¬ÊÜÖØÁ¦¡¢Ö§³ÖÁ¦¡¢Ïò×óµÄÀÁ¦FºÍÏòÓҵľ²Ä¦²ÁÁ¦f23£¬¸ù¾ÝƽºâÌõ¼þµÃ£ºf23=F=20N£»1¡¢2¼äĦ²ÁÁ¦0£¬23¼äĦ²ÁÁ¦20N£¬Ôò3Óë×ÀÃæ¼äĦ²ÁÁ¦0£¬¹Ê3ÊÜÖØÁ¦¡¢Ö§³ÖÁ¦¡¢Ñ¹Á¦¡¢2¸øµÄĦ²ÁÁ¦¡¢Éþ×ÓÀÁ¦£¬¹²5Á¦×÷Óã¬DÕýÈ·£» ¹ÊÑ¡£ºD£®
|
| µãÆÀ£º | ±¾Ìâ¹Ø¼üÔÚÓÚÁé»îµØÑ¡ÔñÑо¿¶ÔÏó£¬È»ºó¸ù¾ÝƽºâÌõ¼þ²¢½áºÏÕý½»·Ö½â·¨Áз½³ÌÇó½â£® |
¡¡
| Äê¼¶ | ¸ßÖÐ¿Î³Ì | Äê¼¶ | ³õÖÐ¿Î³Ì |
| ¸ßÒ» | ¸ßÒ»Ãâ·Ñ¿Î³ÌÍÆ¼ö£¡ | ³õÒ» | ³õÒ»Ãâ·Ñ¿Î³ÌÍÆ¼ö£¡ |
| ¸ß¶þ | ¸ß¶þÃâ·Ñ¿Î³ÌÍÆ¼ö£¡ | ³õ¶þ | ³õ¶þÃâ·Ñ¿Î³ÌÍÆ¼ö£¡ |
| ¸ßÈý | ¸ßÈýÃâ·Ñ¿Î³ÌÍÆ¼ö£¡ | ³õÈý | ³õÈýÃâ·Ñ¿Î³ÌÍÆ¼ö£¡ |
¿ÆÄ¿£º¸ßÖÐÎïÀí À´Ô´£º ÌâÐÍ£º
ÎïÌåÓɾ²Ö¹¿ªÊ¼ÑØÖ±ÏßÔ˶¯£¬Æä¼ÓËÙ¶ÈËæÊ±¼äµÄ±ä»¯¹æÂÉÈç×óͼËùʾ£¬È¡¿ªÊ¼Ô˶¯·½ÏòΪÕý·½Ïò£¬ÔòÎïÌåÔ˶¯µÄv£tͼÏóÖÐÕýÈ·µÄÊÇ
![]()
²é¿´´ð°¸ºÍ½âÎö>>
¿ÆÄ¿£º¸ßÖÐÎïÀí À´Ô´£º ÌâÐÍ£º
¹ØÓÚÎïÌåµÄÊÜÁ¦ºÍÔ˶¯£¬ÏÂÁÐ˵·¨ÖÐÕýÈ·µÄÊÇ£¨¡¡¡¡£©
| ¡¡ | A£® | ÎïÌåÔÚ²»´¹Ö±ÓÚËÙ¶È·½ÏòµÄºÏÁ¦×÷ÓÃÏ£¬ËÙ¶È´óС¿ÉÄÜÒ»Ö±²»±ä |
| ¡¡ | B£® | ÎïÌå×öÇúÏßÔ˶¯Ê±£¬Ä³µãµÄ¼ÓËÙ¶È·½Ïò¾ÍÊÇͨ¹ýÕâÒ»µãÇúÏßµÄÇÐÏß·½Ïò |
| ¡¡ | C£® | ÎïÌåÊܵ½±ä»¯µÄºÏÁ¦×÷ÓÃʱ£¬ËüµÄËÙ¶È´óСһ¶¨¸Ä±ä |
| ¡¡ | D£® | ×öÇúÏßÔ˶¯µÄÎïÌ壬һ¶¨Êܵ½ÓëËٶȲ»ÔÚͬһֱÏßÉϵÄÍâÁ¦×÷Óà |
²é¿´´ð°¸ºÍ½âÎö>>
¿ÆÄ¿£º¸ßÖÐÎïÀí À´Ô´£º ÌâÐÍ£º
Èçͼ£¬Ä³Æ·ÅÆÆû³µÎªºóÂÖÇý¶¯£¬ºóÂÖÖ±¾¶Îªd£¬µ±Æû³µµ¹³µÓöµ½Ì¨½×ʱ£¬Á½¸öºóÂÖ¿Éͬʱ»ºÂýµ¹ÉϵĄ̈½×µÄ×î´ó¸ß¶ÈΪh£¬¼ÙÉèÆû³µÂÖÌ¥ºĮ́½×µÄ×î´ó¾²Ä¦²ÁÁ¦µÈÓÚ»¬¶¯Ä¦²ÁÁ¦£¬ÇÒºöÂÔÂÖÌ¥µÄÐα䣬²»¼ÆÇ°ÂÖÓëµØÃæµÄĦ²Á£®ÔòºóÂÖÓę̈½×µÄ»¬¶¯Ä¦²ÁϵÊýΪ¡¡
¡¡£»Èô¸Ã³µ»ºÂýµ¹ÉÏÁ½¸ö¸ß¶È·Ö±ðΪh1ºÍh2£¨h1£¼h2£©µĄ̈½×£¬µ±ºóÂÖ¸ÕÀ뿪µØÃæÊ±£¬Ì¨½×¶ÔºóÂÖµÄ×÷ÓÃÁ¦·Ö±ðΪF1ºÍF2£¬ÔòF1¡¡´óÓÚ¡¡F2£®£¨Ñ¡Ìî¡°´óÓÚ¡±¡¢¡°Ð¡ÓÚ¡±»ò¡°µÈÓÚ¡±£©
![]()
²é¿´´ð°¸ºÍ½âÎö>>
¿ÆÄ¿£º¸ßÖÐÎïÀí À´Ô´£º ÌâÐÍ£º
ÈçͼËùʾ£¬Ë®Æ½µØÃæÉÏÓÐÒ»ÖÊÁ¿²»¼ÆµÄÖ§¼ÜABCD£¬BDÃæ¹â»¬£¬Çã½ÇΪ37¡ã£¬Ö§¼Ü¿ÉÈÆ¹Ì¶¨×ªÖáAÎÞĦ²Á×ÔÓÉת¶¯£¬CA¡ÍAB£¬BC=CD=0.75m£®ÔÚ¾àÀëÖ§¼Üµ×¶ËBΪPB=3m´¦µÄPµãÓÐÒ»¾²Ö¹Îï¿é£¬ÖÊÁ¿Îªm=2kg£¬ÏÖ¶ÔÎï¿éÊ©¼ÓÒ»¸öÓëˮƽ·½Ïò³É¦È=53¡ãµÄºãÁ¦F£¬Îï¿éÏòÓÒ¿ªÊ¼×ö¼ÓËÙÔ˶¯£¬µ±Îï¿éµ½´ïÖ§¼Üµ×¶ËBºóÇ¡ºÃ¿ÉÒÔÑØÖ§¼ÜÏòÉÏÔÈËÙÔ˶¯£¬¼ºÖªÎïÌåÓëˮƽµØÃæ¼äµÄ¶¯Ä¦²ÁÒòÊý¦Ì=0.45£¬²»¼Æ¿ÕÆø×èÁ¦ºÍתÕÛµãB´¦ÄÜÁ¿Ëðʧ£®£¨È¡g=10m/s2£¬sin37¡ã=0.6£¬sin53¡ã=0.8£©Çó£º
![]()
£¨1£©ºãÁ¦FµÄ´óС£¿
£¨2£©Èôµ½´ïBµãʱ³·È¥ºãÁ¦F£¬Îï¿éÑØÖ§¼ÜÏòÉÏÔ˶¯¹ý³ÌÖУ¬Ö§¼ÜÊÇ·ñ»á·µ¹£¿Èô²»·µ¹Çëͨ¹ý¼ÆËã˵Ã÷£¿Èô·µ¹£¬ÔòÎï¿é¾¹ýBµãºóÔÙ¾Àú¶à¾ÃÖ§¼Ü½«·µ¹£¿
£¨3£©Îª±£Ö¤Îï¿é³åÉÏÖ§¼Ü¶ø²»·µ¹£¬ÊÔÇóºãÁ¦FÔÚÎï¿éÉϵÄ×÷ÓþàÀësµÄ·¶Î§£¿
²é¿´´ð°¸ºÍ½âÎö>>
¿ÆÄ¿£º¸ßÖÐÎïÀí À´Ô´£º ÌâÐÍ£º
ÈËÓÃÉþ×Óͨ¹ý¹â»¬¶¨»¬ÂÖÀ¾²Ö¹ÔÚµØÃæÉϵÄÎïÌåA£¬A´©Ôڹ⻬µÄÊúÖ±¸ËÉϵ±ÈËÒÔËÙ¶ÈwÊúÖ±ÏòÏÂÔÈËÙÀÉþʹÖÊÁ¿ÎªmµÄÎïÌåAÉÏÉý¸ß¶Èhºóµ½´ïÈçͼËùʾλÖÃʱ´ËʱÉþÓëÊúÖ±¸ËµÄ¼Ð½ÇΪ¦È£®ÒÑÖªÖØÁ¦¼ÓËÙ¶ÈΪg£¬ÔòÏÂÁÐ˵·¨ÕýÈ·µÄÊÇ£¨¡¡¡¡£©
![]()
| ¡¡ | A£® | ´ËʱÎïÌåAµÄËÙ¶ÈΪ |
| ¡¡ | B£® | ´ËʱÎïÌåAµÄËÙ¶ÈΪvcos¦È |
| ¡¡ | C£® | ¸Ã¹ý³ÌÖÐÉþ¶ÔÎïÌåA×öµÄ¹¦Îªmgh+ |
| ¡¡ | D£® | ¸Ã¹ý³ÌÖÐÉþ¶ÔÎïÌåA×öµÄ¹¦Îªmgh+mv2cos2 |
²é¿´´ð°¸ºÍ½âÎö>>
¿ÆÄ¿£º¸ßÖÐÎïÀí À´Ô´£º ÌâÐÍ£º
ÈçͼËùʾ£¬Ò»°ë¾¶ÎªRµÄÊúÖ±¹â»¬Ô²¹ìµÀÓëˮƽ¹ìµÀƽ»¬Á¬½Ó£¬Ë®Æ½¹ìµÀÉÏÓÐÒ»ÇáÖʵ¯»É£¬Æä×ó¶Ë¹Ì¶¨ÔÚǽ±ÚÉÏ£¬ÓÒ¶ËÓëÖÊÁ¿Îªm¡¢µçºÉÁ¿Îª+qµÄСÎï¿é£¨ÊÓΪÖʵ㣩½Ó´¥µ«²»ÏàÁ¬£¬Ë®Æ½¹ìµÀAB¶Î¹â»¬£¬BC¶Î´Ö²ÚÇÒÆä³¤¶ÈL=3R£¬Çãб¹ìµÀCD¶Î´Ö²ÚÇÒÓëBC¶Îƽ»¬Á¬½Ó£¬Çãб¹ìµÀËùÔÚÇøÓòÓÐˮƽÏòÓÒµÄÔÈÇ¿µç³¡£¬³¡Ç¿´óСE=µÈÊÖ½ñÏò×óÍÆÐ¡Îï¿éѹËõµ¯»ÉÖÁijһλÖúó¾²Ö¹ÊÍ·ÅСÎï¿é£¬Ð¡Îï¿éÓÉAB¶Î½øÈëÔ²¹ìµÀ£¬Í¨¹ýÔ²¹ìµÀºóÔÚBC¶ÎºÍCD¶ÎÉÏ»¬¶¯£¬ÈôСÎï¿éÓëBC¶ÎºÍCD¶ÎµÄ¶¯Ä¦²ÁÒòÊýÏàͬ£¬Çãб¹ìµÀÓëË®Æ½Ãæ¼äµÄ¼Ð½Ç¦È=37¡ã£®ÖØÁ¦¼ÓËÙ¶ÈΪg£¬È¡SIN37¡ã=0.6£¬COS37¡ã=0.8
£¨1£©ÈôСÎï¿éÇ¡ÄÜͨ¹ýÔ²¹ìµÀµÄ×î¸ßµã£¬Ç󵯻ɵĵ¯ÐÔÊÆÄÜEp£»
£¨2£©ÈôСÎï¿é½«µ¯»ÉѹËõµ½µ¯ÐÔÊÆÄÜE
=
mgR£¬ÊͷźóСÎï¿éÔÚÇãб¹ìµÀÄܵ½´ïµÄ×î¸ßµãΪP£¬Ôڴ˹ý³ÌÖУ¬Ð¡Îï¿éµÄµçÊÆÄܼõÉÙÁË¡÷Ep=mgR£¬ÇóСÎï¿éÔÚBC¶Î¿Ë·þĦ²ÁÁ¦Ëù×öµÄ¹¦W£®
![]()
²é¿´´ð°¸ºÍ½âÎö>>
¿ÆÄ¿£º¸ßÖÐÎïÀí À´Ô´£º ÌâÐÍ£º
ÈçͼËùʾ£¬Ò»¸ö°ë¾¶ÎªRµÄ
͸Ã÷ÇòÌå·ÅÖÃÔÚË®Æ½ÃæÉÏ£¬Ò»ÊøÀ¶¹â´ÓAµãÑØË®Æ½·½ÏòÉäÈëÇòÌåºó¾BµãÉä³ö£¬×îºóÉäµ½Ë®Æ½ÃæÉϵÄCµã¡£ÒÑÖªOA£½
£¬¸ÃÇòÌå¶ÔÀ¶¹âµÄÕÛÉäÂÊΪ
¡£Ôò£º
![]()
¢ÙËü´ÓÇòÃæÉä³öʱµÄ³öÉä½Ç¦ÂΪ¶àÉÙ£¿
¢ÚÈô¹âÔÚÕæ¿ÕÖеĴ«²¥ËÙ¶ÈΪc£¬ÄÇô£¬ÇëÍÆµ¼³ö¹â´ÓAµã´«²¥µ½CµãËùÐèʱ¼ätµÄ±í´ïʽ£¨ÓÃc£¬R±íʾ£©
²é¿´´ð°¸ºÍ½âÎö>>
¿ÆÄ¿£º¸ßÖÐÎïÀí À´Ô´£º ÌâÐÍ£º
´ÓµØÃæÒÔ´óСΪv1µÄ³õËÙ¶ÈÊúÖ±ÏòÉÏÅ׳öÒ»¸öƤÇò£¬¾¹ýʱ¼ätƤÇòÂ仨µØÃ棬ÂäµØÊ±Æ¤ÇòµÄËÙ¶È´óСΪv2.ÒÑ֪ƤÇòÔÚÔ˶¯¹ý³ÌÖÐÊܵ½¿ÕÆø×èÁ¦µÄ´óСÓëËٶȵĴóС³ÉÕý±È£¬ÖØÁ¦¼ÓËÙ¶È´óСΪg.ÏÂÃæ¸ø³öʱ¼ätµÄËĸö±í´ïʽÖÐÖ»ÓÐÒ»¸öÊǺÏÀíµÄ£®Äã¿ÉÄܲ»»áÇó½ât£¬µ«ÊÇÄã¿ÉÒÔͨ¹ýÒ»¶¨µÄÎïÀí·ÖÎö£¬¶ÔÏÂÁбí´ïʽµÄºÏÀíÐÔ×ö³öÅжϣ®¸ù¾ÝÄãµÄÅжϣ¬ÄãÈÏΪtµÄºÏÀí±í´ïʽӦΪ
A£®t£½
B£®t£½![]()
C£®t£½
D£®t£½![]()
²é¿´´ð°¸ºÍ½âÎö>>
¹ú¼ÊѧУÓÅÑ¡ - Á·Ï°²áÁбí - ÊÔÌâÁбí
ºþ±±Ê¡»¥ÁªÍøÎ¥·¨ºÍ²»Á¼ÐÅÏ¢¾Ù±¨Æ½Ì¨ | ÍøÉÏÓк¦ÐÅÏ¢¾Ù±¨×¨Çø | µçÐÅթƾٱ¨×¨Çø | ÉæÀúÊ·ÐéÎÞÖ÷ÒåÓк¦ÐÅÏ¢¾Ù±¨×¨Çø | ÉæÆóÇÖȨ¾Ù±¨×¨Çø
Î¥·¨ºÍ²»Á¼ÐÅÏ¢¾Ù±¨µç»°£º027-86699610 ¾Ù±¨ÓÊÏ䣺58377363@163.com