精英家教网 > 高中数学 > 题目详情
3.某市2014年4月1日~4月30日对空气污染指数的监测数据如下(主要污染物为可吸入颗粒物):
61,76,70,56,81,91,92,91,75,81,88,67,101,103,95,
91,77,86,81,83,82,82,64,79,86,85,75,71,49,45.
(1)在答题卷上完成频率分布表;
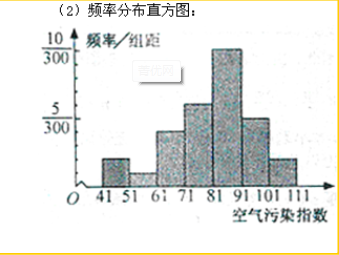
(2)在答题卷上作出频率分布直方图;
(3)根据频率分布直方图求出空气污染指数的中位数.

分析 (1)要作出频率分布表,首先找到极差确定分组,组距确定为10,频率分布表包括:分组,频数,频率;
(2)先计算每组对应的频率/组距,然后组距作为横坐标,频率/组距作为纵坐标,即可画出频率分布直方图;
(3)空气污染指数的中位数即是找到使得频率分布直方图左右两边面积相等的横坐标.

解答 解析:(1)频率分布表:

分组频数频率
[41,51)2$\frac{2}{30}$ 
[51,61)1$\frac{1}{30}$ 
[61,71)4$\frac{4}{30}$ 
[71,81)6$\frac{6}{30}$ 
[81,91)10 $\frac{10}{30}$
[91,101)5$\frac{5}{30}$ 
[101,111]2 $\frac{2}{30}$
(2)频率分布直方图:
(3)由频率分布直方图可知,前4个长方形的面积和为$\frac{2}{30}+\frac{1}{30}+\frac{4}{30}+\frac{6}{30}=\frac{13}{30}$,
则$\frac{10}{300}x=\frac{1}{2}-\frac{13}{30}$,解得x=2,所以空气污染指数的中位数为83.…(12分)
(注:第(1)问(4分);第(2)问(6分);第(3)问(2分);满分(12分).)

点评 本题考查了频率分布表,频率分布直方图,以及中位数和频率分布直方图的关系,属于中档题.

练习册系列答案
相关习题

科目:高中数学 来源: 题型:填空题

13.已知空间向量$\overrightarrow{a}$=(x-1,1,-x),$\overrightarrow{b}$=(-x,3,-1),若$\overrightarrow{a}$⊥$\overrightarrow{b}$,则x的值为-1或3.

查看答案和解析>>

科目:高中数学 来源: 题型:解答题

14.已知等比数列{an}的前n项和为Sn,且a2=$\frac{2}{3}$,q=$\frac{1}{3}$
(1)求出数列{an}的通项公式an和前n项和Sn
(2)若bn=3n+log3(3-Sn),求数列{$\frac{1}{{b}_{n}{b}_{n+1}}$}的前n项和Tn

查看答案和解析>>

科目:高中数学 来源: 题型:解答题

11.如图,侧棱与底面积垂直的三棱柱ABC-A1B1C1各侧棱和底面边长均为2,P,Q分别是棱AB、AC的中点,连结A1B.
(Ⅰ)求证:直线PQ∥平面B1BCC1
(Ⅱ)求直线A1B与平面ACC1A1所成角的正弦值.

查看答案和解析>>

科目:高中数学 来源: 题型:选择题

18.已知复数Z=$\frac{-2+i}{{{i^{2015}}}}$(i为虚数单位),则复数Z的共轭复数$\overline Z$为(  )
A.-1+2iB.-1-2iC.2iD.-2i

查看答案和解析>>

科目:高中数学 来源: 题型:解答题

8.已知等差数列{an}的前n项和Sn满足S3=6,S5=$\frac{25}{2}$.
(Ⅰ)求{an}的通项公式;
(II)求数列{$\frac{{a}_{n}}{{2}^{n}}$}的前n项和.

查看答案和解析>>

科目:高中数学 来源: 题型:填空题

15.已知$\overrightarrow{a}$、$\overrightarrow{b}$、$\overrightarrow{c}$是向量,给出下列命题:
①若$\overrightarrow{a}$=$\overrightarrow{b}$,$\overrightarrow{b}$=$\overrightarrow{c}$,则$\overrightarrow{a}$=$\overrightarrow{c}$       ②若$\overrightarrow{a}$∥$\overrightarrow{b}$,$\overrightarrow{b}$∥$\overrightarrow{c}$,则$\overrightarrow{a}$∥$\overrightarrow{c}$
③若$\overrightarrow{a}$=$\overrightarrow{b}$,则$\overrightarrow{a}$∥$\overrightarrow{b}$           ④若$\overrightarrow{a}$∥$\overrightarrow{b}$,则$\overrightarrow{a}$=$\overrightarrow{b}$
⑤若|$\overrightarrow{a}$|≠|$\overrightarrow{b}$|,则$\overrightarrow{a}$>$\overrightarrow{b}$或$\overrightarrow{a}$<$\overrightarrow{b}$,
其中正确命题的序号是①③.

查看答案和解析>>

科目:高中数学 来源: 题型:选择题

12.用一个边长为2$\sqrt{2}$的正方形硬纸板,按各边中点垂直折起四个小三角形,做成一个蛋巢,半径为2的鸡蛋(视为球体)放入其中,则鸡蛋中心(球心)与蛋巢底面的距离为(  )
A.$\sqrt{3}+1$B.1C.$\sqrt{2}+1$D.3

查看答案和解析>>

科目:高中数学 来源: 题型:填空题

13.设x、y满足约束条件$\left\{\begin{array}{l}{0<2x+y≤4}\\{-1≤x-y≤1}\end{array}\right.$,则z=x+y的最大值是3.

查看答案和解析>>

同步练习册答案